GM Service Manual Online
For 1990-2009 cars only
Makes
🢒
Isuzu
🢒
2005
🢒
Ascender - 2WD
🢒 Midgate - XUV
Midgate - XUV
Midgate - XUV only
Master Electrical Component List
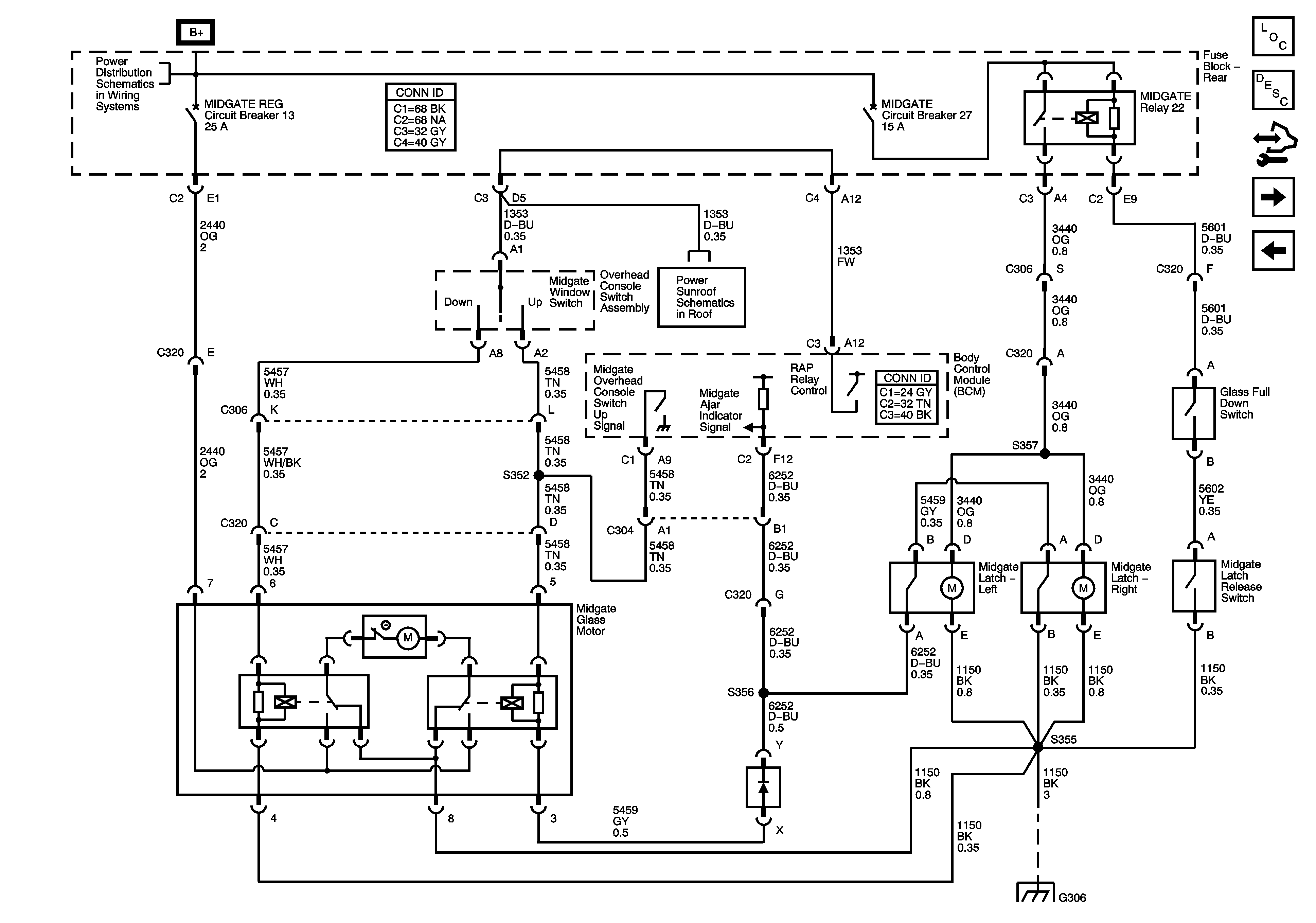
Midgate Description and Operation
Control Module References
Endgate Power, Ground, and Gate Ajar - XUV
Quarter Glass Windows
B+ Bus - Rear Fuse Block
Roof -XUV
G306