The torque converter clutch (TCC) solenoid valve is an electrical device that is used with the torque converter clutch pulse width modulation (TCC PWM) solenoid valve in order to control TCC apply and release. The TCC solenoid valve attaches to the transmission case assembly extending into the pump cover. The TCC solenoid valve receives voltage through the ignition voltage circuit. The transmission control module (TCM) controls the solenoid by providing the ground path on the TCC solenoid valve control circuit. The TCM monitors the throttle position (TP) voltage, the vehicle speed and other inputs in order to determine when to energize the TCC solenoid valve.
When the TCM detects a continuous open or short to ground in the TCC solenoid valve control circuit, then DTC P2769 sets. DTC P2769 is a type B DTC.
This diagnostic procedure supports the following DTC:
DTC P2769 Torque Converter Clutch (TCC) Enable Solenoid Control Circuit Low Voltage
| • | The system voltage is 8-18 volts. |
| • | The engine speed is 475 RPM for 5 seconds. |
DTC P2769 sets when either of the following conditions occurs for 5 seconds:
| • | The TCM detects an open in the TCC solenoid valve circuit when the TCC is commanded ON. |
| • | The TCM detects a short to ground in the TCC shift solenoid valve circuit when the TCC is commanded ON. |
| • | The TCM requests the ECM to illuminate the malfunction indicator lamp (MIL) during the second consecutive trip in which the Conditions for Setting the DTC are met. |
| • | The TCM inhibits TCC engagement. |
| • | The TCM inhibits 4th gear if in hot mode. |
| • | The TCM freezes transmission adaptive functions. |
| • | At the time of the first failure, the TCM records the operating conditions when the Conditions for Setting the DTC are met. The TCM stores this information as a Failure Record. |
| • | At the time of the second failure, the ECM records the operating conditions when the Conditions for Setting the DTC are met. The ECM stores this information as a Freeze Frame. |
| • | The TCM stores DTC P2769 in TCM history during the second consecutive trip in which the Conditions for Setting the DTC are met. |
| • | The ECM turns OFF the MIL after the 4th consecutive drive trip in which the TCM does not send a MIL illumination request. |
| • | A scan tool can clear the DTC. |
| • | The TCM clears the DTC from TCM history if the vehicle completes 40 warm-up cycles without a non-emission related diagnostic fault occurring. |
| • | The TCM cancels the DTC default actions when the ignition is OFF long enough in order to power down the TCM. |
With the TCC engaged, the TCC slip speed should be -20 to +40 RPM.
The numbers below refer to the step numbers on the diagnostic table.
This step tests for voltage to the solenoid.
This step tests the ability of the TCM and wiring to control the ground circuit.
This step tests the resistance of the TCC solenoid valve and the automatic transmission (AT) wiring harness.
Step | Action | Values | Yes | No | ||||||||
|---|---|---|---|---|---|---|---|---|---|---|---|---|
1 | Did you perform the Diagnostic System Check - Vehicle? | -- | Go to Step 2 | |||||||||
2 |
Important: Before clearing the DTC, use the scan tool in order to record the Freeze Frame and Failure Records. Using the Clear Info function erases the Freeze Frame and Failure Records from the transmission control module (TCM). Are any of the following DTCs also set?
| -- | Go to Step 3 | Go to Step 4 | ||||||||
3 | Inspect the ignition voltage supply fuse for an open. Refer to Circuit Protection - Fuses . Is the fuse open? | -- | Go to Step 9 | Go to Step 4 | ||||||||
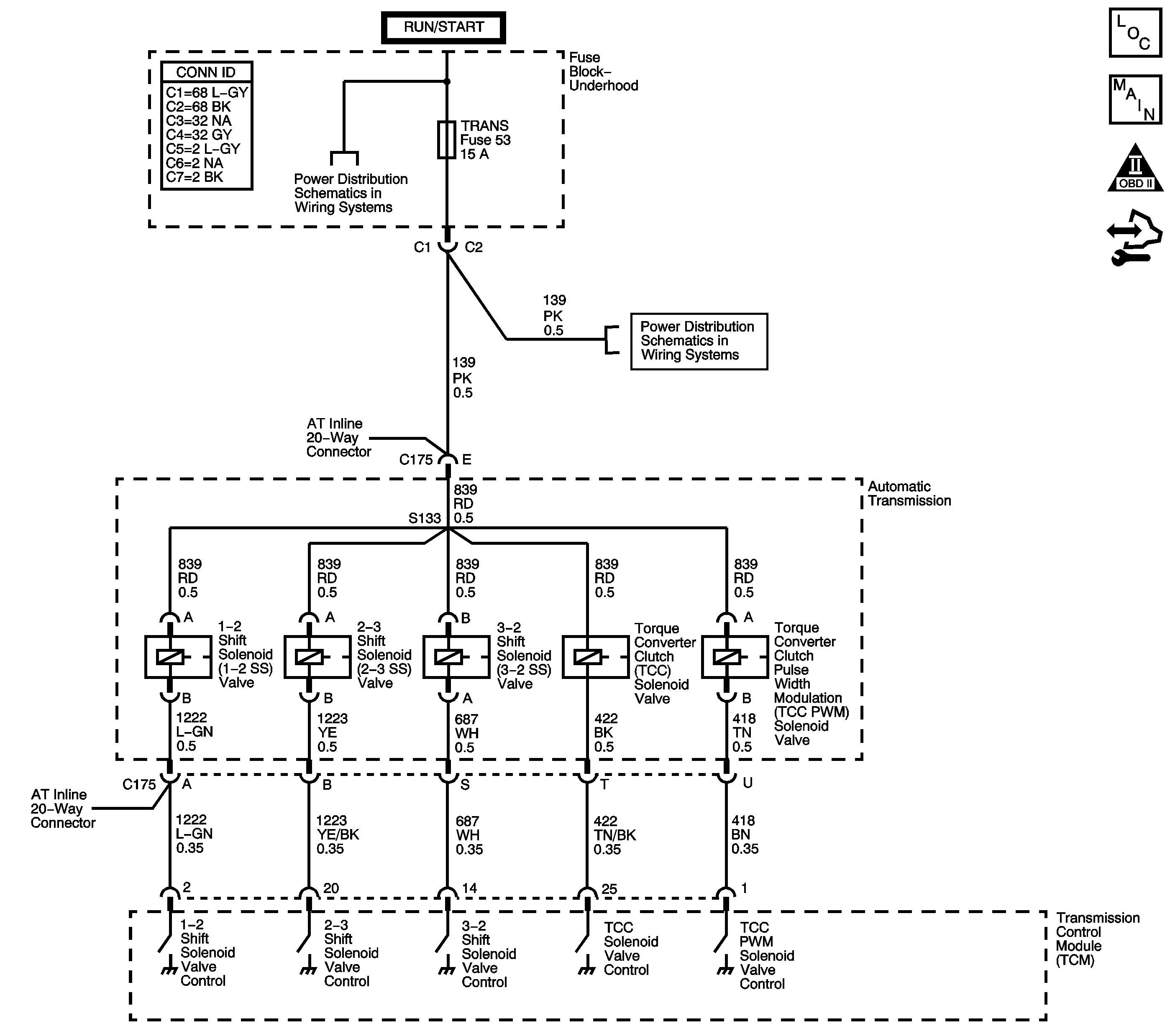
Refer to Automatic Transmission Inline 20-Way Connector End View . Does the test lamp illuminate? | -- | Go to Step 5 | Go to Step 12 | |||||||||
Refer to Automatic Transmission Inline 20-Way Connector End View . Does the test lamp turn ON and OFF with each command? | -- | Go to Step 7 | Go to Step 6 | |||||||||
6 | Is the test lamp always ON? | -- | Go to Step 13 | Go to Step 14 | ||||||||
Refer to Testing for Continuity . Refer to Automatic Transmission Inline 20-Way Connector End View . Does the resistance measure within the specified range? | 21-33 ohms | Go to Step 8 | Go to Step 15 | |||||||||
8 |
Refer to Testing for Continuity . Do both readings measure greater than the specified value? | 250 K ohms | Go to Testing for Intermittent Conditions and Poor Connections | Go to Step 15 | ||||||||
9 |
Important: The condition that affects this circuit may exist in other connecting branches of the circuit. Refer to Power Distribution Schematics for complete circuit distribution. Test the ignition circuit of the TCC solenoid valve for a short to ground between the fuse block - underhood and the AT inline 20-way connector. Refer to Testing for Short to Ground and Wiring Repairs . Did you find and correct the condition? | -- | Go to Step 17 | Go to Step 10 | ||||||||
10 |
Important: The condition that affects this circuit may exist in other connecting branches of the circuit. Refer to Power Distribution Schematics for complete circuit distribution. Test the ignition circuit of the TCC solenoid valve for a short to ground between the AT inline 20-way connector and the TCC solenoid valve. Refer to Testing for Short to Ground . Did you find a short to ground condition? | -- | Go to Step 15 | Go to Step 11 | ||||||||
11 |
Did you complete the replacement? | -- | Go to Step 17 | -- | ||||||||
12 |
Important: The condition that affects this circuit may exist in other connecting branches of the circuit. Refer to Power Distribution Schematics for complete circuit distribution. Test the ignition voltage circuit of the TCC solenoid valve for an open. Refer to Testing for Continuity and Wiring Repairs . Did you find and correct the condition? | -- | Go to Step 17 | -- | ||||||||
13 | Test the solenoid control circuit of the TCC solenoid valve for a short to ground between the TCM and the AT inline 20-way connector. Refer to Testing for Short to Ground and Wiring Repairs . Did you find and correct the condition? | -- | Go to Step 17 | Go to Step 16 | ||||||||
14 | Test the solenoid control circuit of the TCC solenoid valve for an open between the TCM and the AT inline 20-way connector. Refer to Circuit Testing and Wiring Repairs . Did you find and correct the condition? | -- | Go to Step 17 | Go to Step 16 | ||||||||
15 | Replace the AT wiring harness, this includes the TCC solenoid valve. Did you complete the replacement? | -- | Go to Step 17 | -- | ||||||||
16 | Replace the TCM. Refer to Control Module References for replacement, setup, and programming. Did you complete the replacement? | -- | Go to Step 17 | -- | ||||||||
17 | Perform the following procedure in order to verify the repair:
Has the test run and passed? | -- | Go to Step 18 | Go to Step 2 | ||||||||
18 | With the scan tool, observe the stored information, capture info, and DTC Info. Does the scan tool display any DTCs that you have not diagnosed? | -- | System OK |