GM Service Manual Online
For 1990-2009 cars only
Makes
🢒
Isuzu
🢒
2006
🢒
Ascender - 2WD
🢒
Engine
🢒
Engine Electrical
🢒 Starting and Charging Schematics
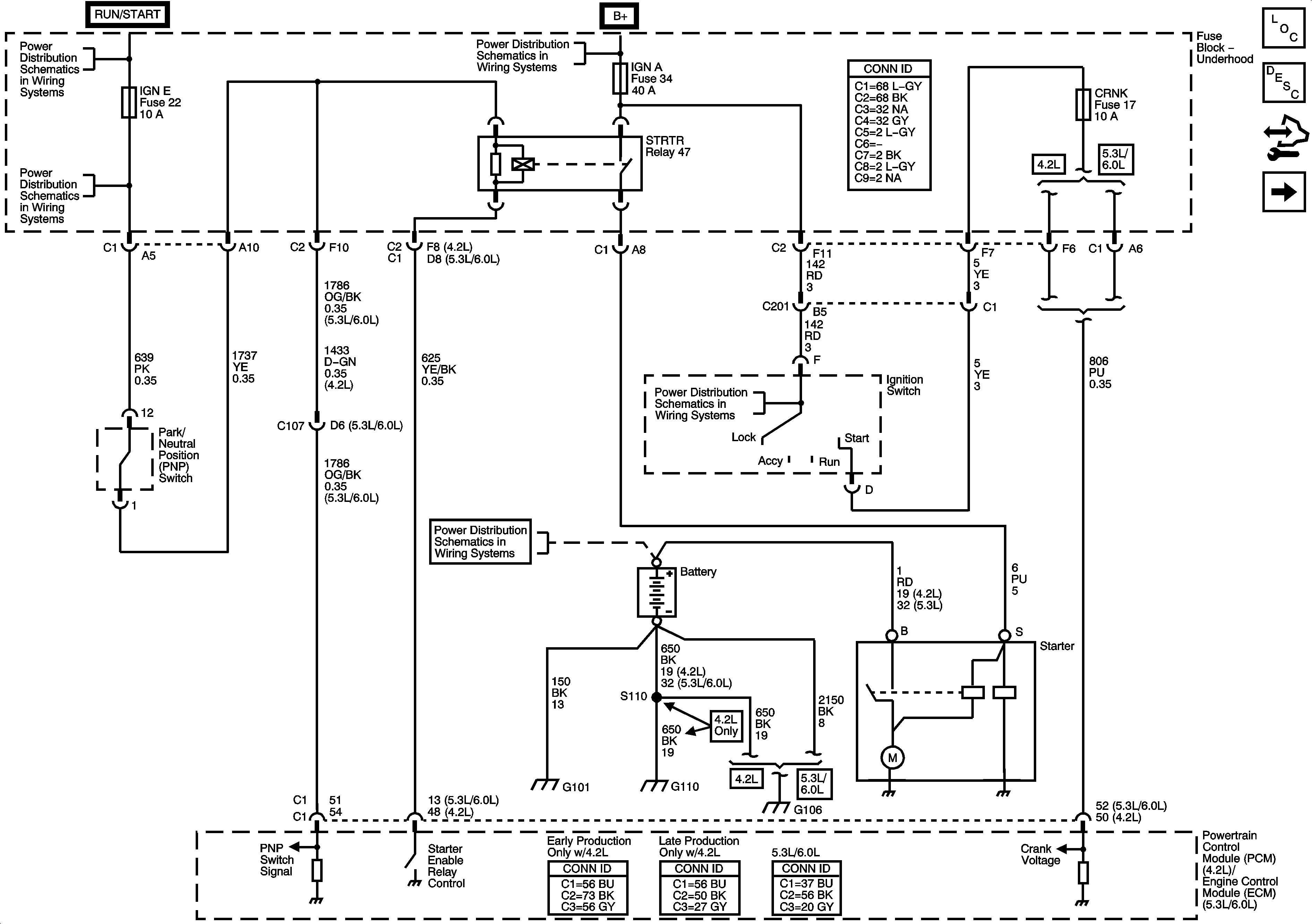
Figure
1:
Starting System
Master Electrical Component List
Starting System Description and Operation
Control Module References
Charging System
ACCY/RUN, RUN/START, Bus Bars, and IGN B Fuse
BCK/UP, BTSI, IGN E, TBC IGN1, and TRLR BCK/UP Fuses
Underhood Fuse Block
Underhood Fuse Block
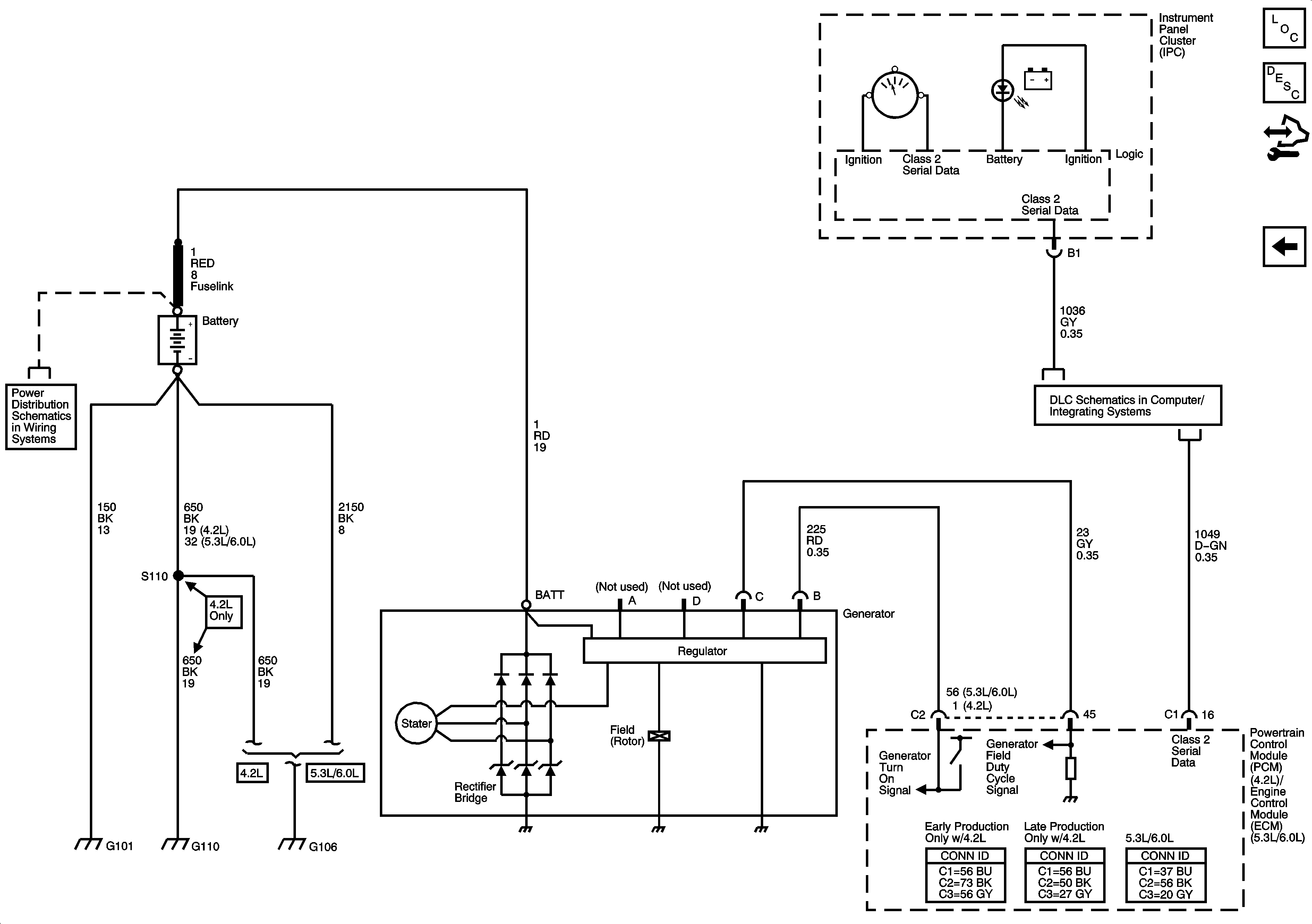
Figure
2:
Charging System
Master Electrical Component List
Charging System Description and Operation
Control Module References
Starting System
Underhood Fuse Block
SP205