Important:
• The negative battery cable must not be connected to the battery prior
to the installation of the engine harness ground terminal to the engine block. • The negative battery cable must not be connected to the battery prior
to the installation of the instrument panel harness and the engine harness to the
powertrain control module.
Notice: Refer to Fastener Notice in the Preface section.
Tighten
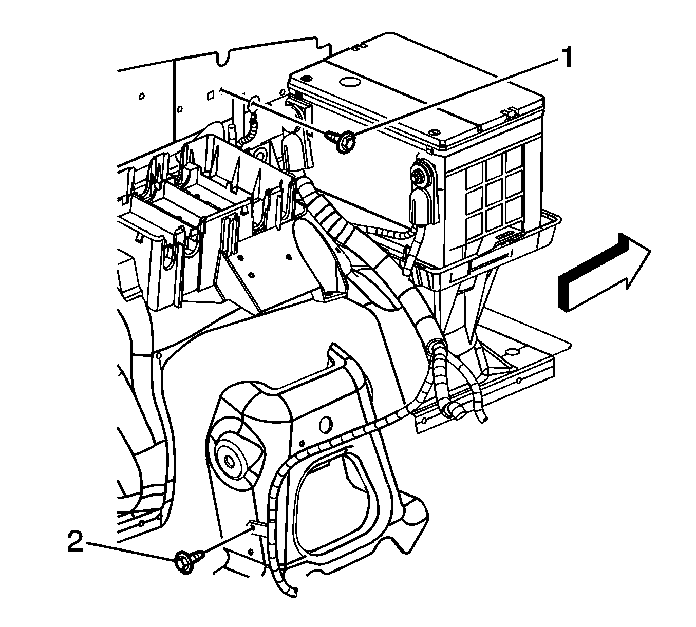
Tighten the bolt to 10 N·m (89 lb in).
Tighten
Tighten the bolt to 50 N·m (37 lb ft).
Tighten
Tighten the bolt to 10 N·m (89 lb in).
Important:
• The negative battery cable must not be connected to the battery prior to the installation of the engine harness ground terminal to the engine block. • The negative battery cable must not be connected to the battery prior to the installation of the instrument panel harness and the engine harness to the powertrain control module.
Notice: Use the correct fastener in the correct location. Replacement fasteners must be the correct part number for that application. Fasteners requiring replacement or fasteners requiring the use of thread locking compound or sealant are identified in the service procedure. Do not use paints, lubricants, or corrosion inhibitors on fasteners or fastener joint surfaces unless specified. These coatings affect fastener torque and joint clamping force and may damage the fastener. Use the correct tightening sequence and specifications when installing fasteners in order to avoid damage to parts and systems.
Tighten
Tighten the bolt to 50 N·m (37 lb ft).
Tighten
Tighten the bolt to 10 N·m (89 lb in).
Tighten
Tighten the bolt to 10 N·m (89 lb in).