GM Service Manual Online
For 1990-2009 cars only
Makes
🢒
Isuzu
🢒
2006
🢒
Ascender - 2WD
🢒
Suspension
🢒
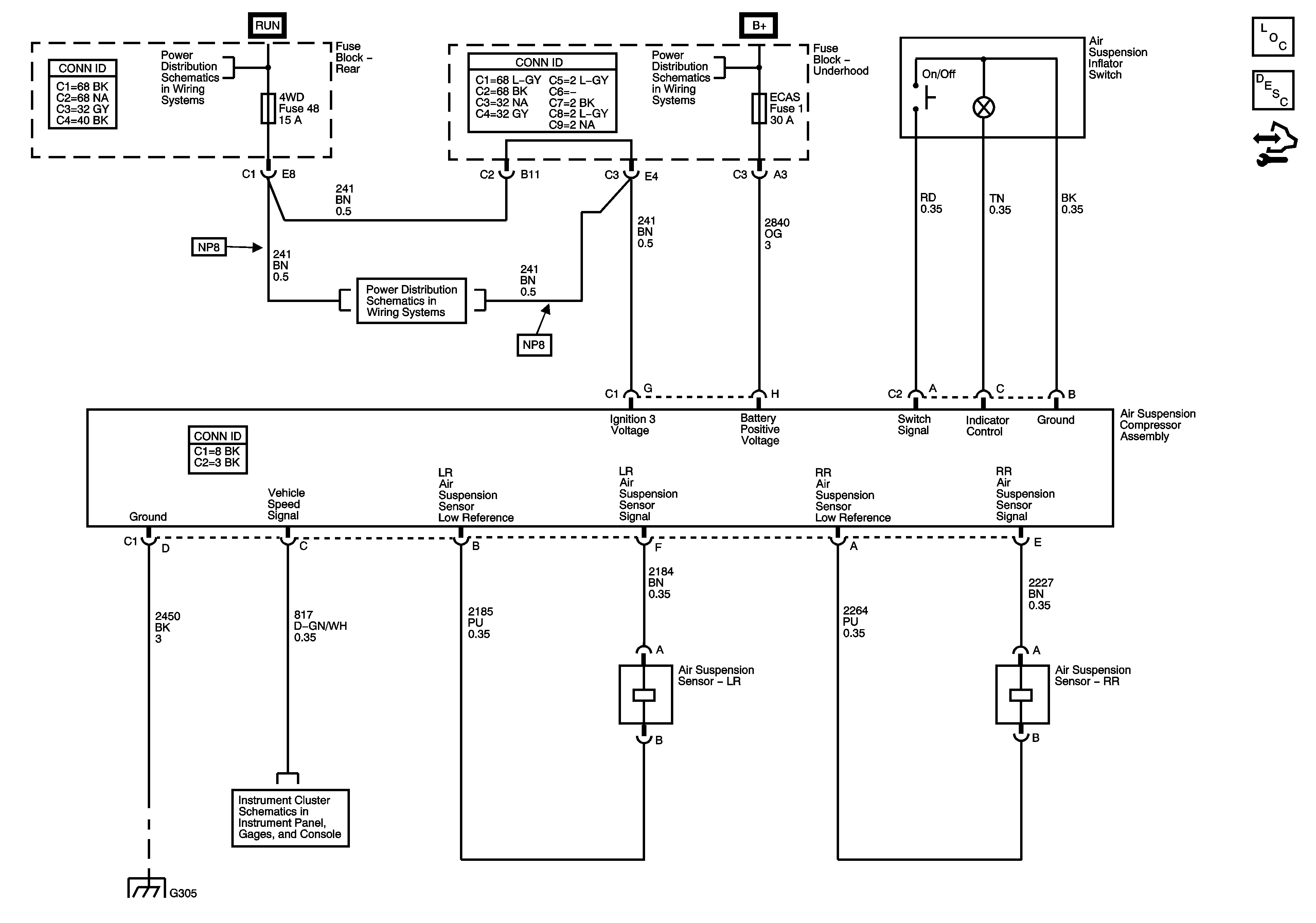
Air Suspension
🢒 Suspension Controls Schematics
Master Electrical Component List
Air Suspension Description and Operation
Control Module References
4WD, AIRBAG, ECMI, HVAC, and TRANS Fuses
G201 - 2 of 2, and G305
Gages