GM Service Manual Online
For 1990-2009 cars only
Makes
🢒
Isuzu
🢒
2006
🢒
Ascender - 2WD
🢒
Body
🢒
Doors
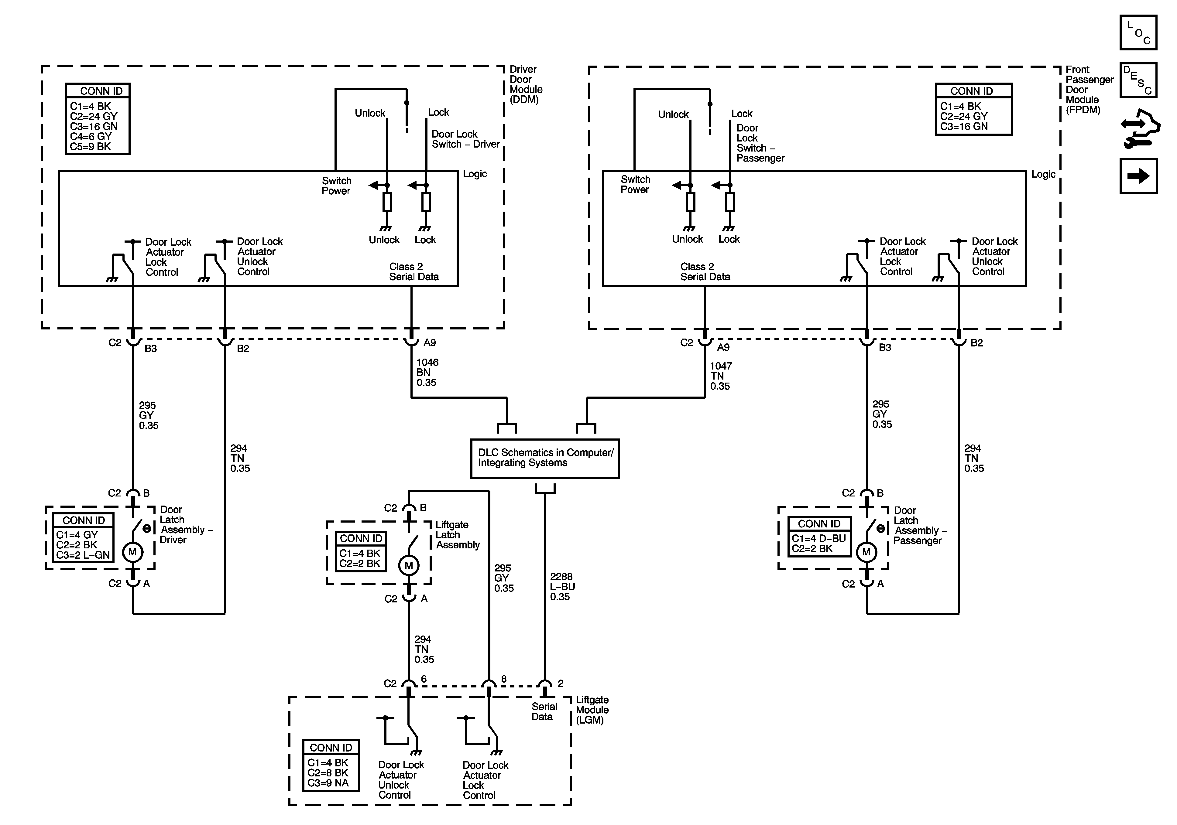
🢒 Door Lock/Indicator Schematics
Figure
1:
Front Doors and Liftgate
Master Electrical Component List
Power Door Locks Description and Operation
Control Module References
Rear Doors
SP306
Figure
2:
Rear Doors
Master Electrical Component List
Power Door Locks Description and Operation
Control Module References
Front Doors and Liftgate
G302 - 2 of 2
G302 - 1 of 2, G303, and G304
SP205