GM Service Manual Online
For 1990-2009 cars only
Makes
🢒
Isuzu
🢒
2006
🢒
Ascender - 2WD
🢒
Brakes
🢒
Hydraulic Brakes
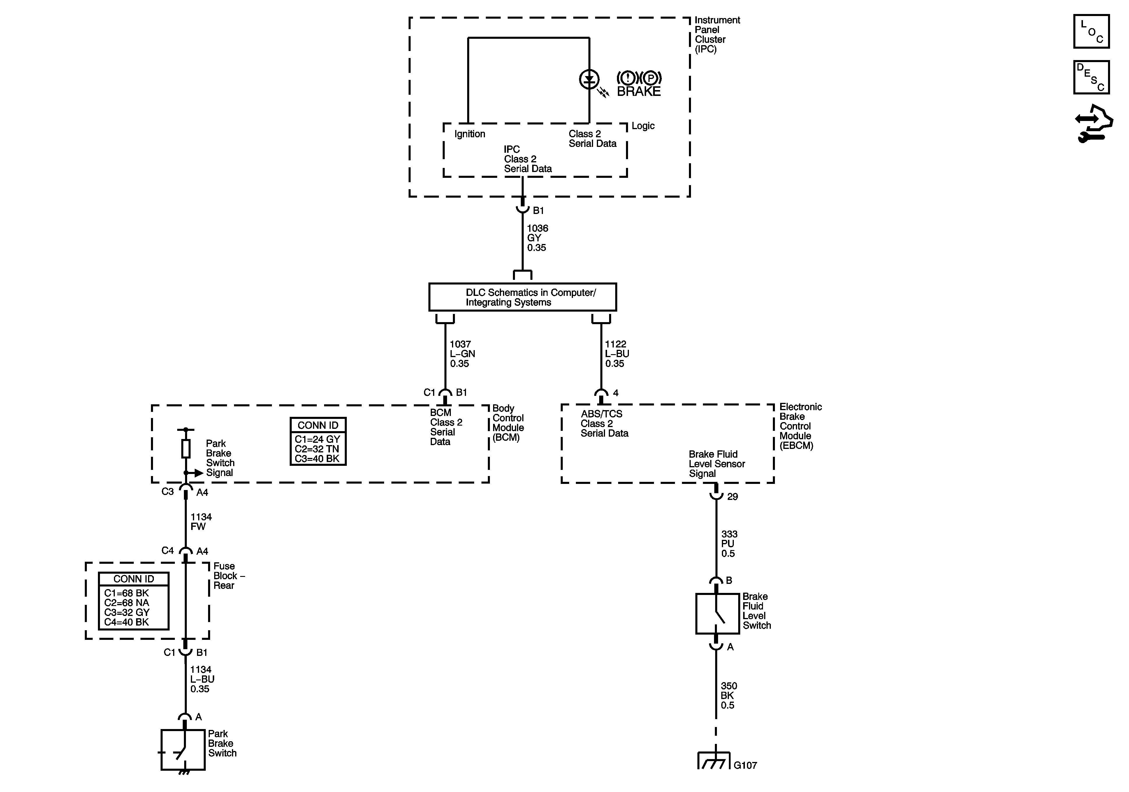
🢒 Brake Warning System Schematics
Master Electrical Component List
Brake Warning System Description and Operation
Control Module References
SP205
G104, G105, and G107