GM Service Manual Online
For 1990-2009 cars only
Makes
🢒
Isuzu
🢒
2006
🢒
Ascender - 2WD
🢒 Video System Schematics
Video System Schematics
Master Electrical Component List
Video Entertainment System Description and Operation
Control Module References
B+ Bus - Rear Fuse Block
HVAC B, LGM/DSM, OH BATT/ONSTAR, and RADIO FUSES
HVAC B, LGM/DSM, OH BATT/ONSTAR, and RADIO FUSES
SP306
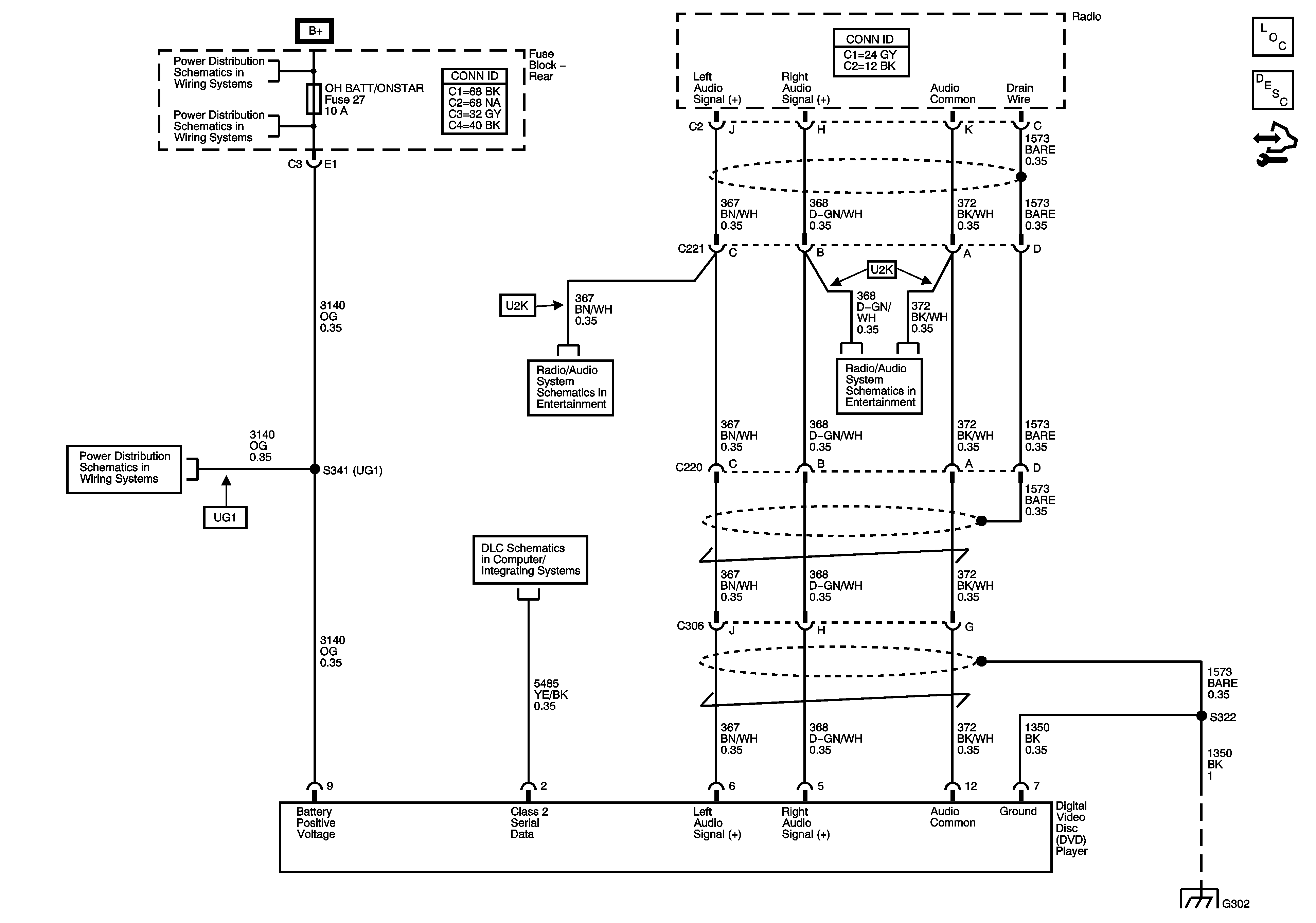
Power, Ground, Serial Data, and Digital Radio Receiver
Power, Ground, Serial Data, and Digital Radio Receiver
G302 - 1 of 2, G303, and G304