GM Service Manual Online
For 1990-2009 cars only

Air Conditioning Compressor Replacement LL8

Tools Required

J 39400-A Halogen Leak Detector

Removal Procedure

  1. Recover the refrigerant. Refer to Refrigerant Recovery and Recharging .
  2. Remove the generator. Refer to Generator Replacement .
  3. Remove the idler pulley. Refer to Drive Belt Idler Pulley Replacement .
  4. Disconnect the compressor electrical connectors.
  5. Important: Some system pressure may still exist in the A/C compressor crankcase after you evacuate the system.

  6. Remove the compressor hose assembly bolt from the compressor.
  7. Remove the compressor hose assembly block from the compressor.

  8. Object Number: 735963  Size: SH
  9. Remove the compressor mounting bolts from the compressor (1).
  10. Remove the compressor .
  11. Drain and measure the compressor oil. Refer to Air Conditioning Compressor Oil Balancing .

Installation Procedure

  1. Add the proper amount of oil to the replacement compressor. Refer to Air Conditioning Compressor Oil Balancing .
  2. Install the compressor.

  3. Object Number: 735963  Size: SH

    Notice: Use the correct fastener in the correct location. Replacement fasteners must be the correct part number for that application. Fasteners requiring replacement or fasteners requiring the use of thread locking compound or sealant are identified in the service procedure. Do not use paints, lubricants, or corrosion inhibitors on fasteners or fastener joint surfaces unless specified. These coatings affect fastener torque and joint clamping force and may damage the fastener. Use the correct tightening sequence and specifications when installing fasteners in order to avoid damage to parts and systems.

  4. Install the compressor mounting bolts to the compressor (1).
  5. Tighten
    Tighten the bolts to 50 N·m (37 lb ft).

  6. Install the compressor hose assembly block to the compressor.

  7. Object Number: 735911  Size: SH
  8. Install the compressor hose assembly bolt to the compressor (1).
  9. Tighten
    Tighten the bolt to 33 N·m (24 lb ft).

  10. Connect the compressor electrical connectors.
  11. Install the idler pulley. Refer to Drive Belt Idler Pulley Replacement .
  12. Install the generator. Refer to Generator Replacement .
  13. Evacuate and recharge the A/C system. Refer to Refrigerant Recovery and Recharging .
  14. Leak test the fittings of the components using the J 39400-A .

Air Conditioning Compressor Replacement LH6, LS2

Tools Required

J 39400-A Halogen Leak Detector

Removal Procedure

  1. Recover the refrigerant. Refer to Refrigerant Recovery and Recharging .
  2. Remove the washer solvent container. Refer to Windshield Washer Solvent Container Replacement .
  3. Remove the air cleaner resonator outlet duct. Refer to Air Cleaner Resonator Outlet Duct Replacement for the 5.3L engine or Air Cleaner Resonator Outlet Duct Replacement for the 6.0L engine.
  4. Remove the cooling fan and shroud. Refer to Cooling Fan and Shroud Replacement .
  5. Remove the accessory drive belt from the A/C compressor. Refer to Drive Belt Replacement - Accessory .

  6. Object Number: 1670849  Size: SH
  7. Remove the compressor hose assembly nut from the compressor.
  8. Important: Remove and discard the sealing washers.

  9. Remove the compressor hose assembly from the compressor.

  10. Object Number: 871561  Size: SH
  11. Remove the upper A/C compressor mounting bracket bolts.
  12. Remove the lower coolant hose. Refer to Radiator Inlet Hose Replacement .
  13. Raise and support the vehicle. Refer to Lifting and Jacking the Vehicle .
  14. Disconnect the A/C compressor electrical connector.
  15. Remove the lower A/C compressor mounting bracket bolts (3).
  16. Lower the vehicle.
  17. Reposition the compressor and mounting bracket to access the remaining compressor to bracket bolts.
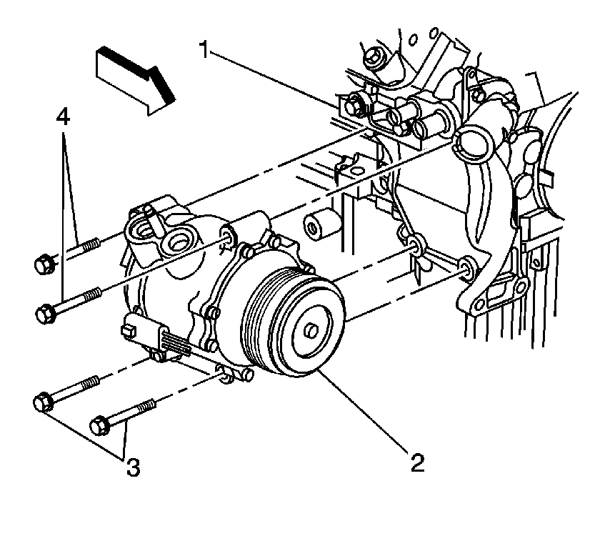
  18. Remove the upper A/C compressor mounting bolts (4).
  19. Remove the A/C compressor.
  20. Important: Ensure proper compressor oil balancing when replacing the A/C compressor. Refer to Air Conditioning Compressor Oil Balancing .

  21. Remove the A/C compressor bracket.

Installation Procedure

  1. Add the proper amount of polyalkylene glycol (PAG) oil to the compressor crankcase. Refer to Air Conditioning Compressor Oil Balancing .
  2. Position the A/C compressor mounting bracket partially into the vehicle.
  3. Position the A/C compressor partially into the vehicle.
  4. Notice: Refer to Fastener Notice in the Preface section.

  5. Install the upper compressor mounting bolts into the compressor mounting bracket.
  6. Tighten
    Tighten the upper rear bolts to 50 N·m (37 lb ft).


    Object Number: 871561  Size: SH
  7. Install the upper compressor mounting bolts (4) into the compressor and bracket assembly.
  8. Position the compressor and bracket assembly into the correct location on the engine.
  9. Tighten the upper compressor mounting bolts (4).
  10. Tighten
    Tighten the bolts to 50 N·m (37 lb ft).

  11. Raise the vehicle.
  12. Install the lower compressor mounting bolts (3).
  13. Tighten
    Tighten the bolts to 50 N·m (37 lb ft).

  14. Connect the A/C compressor electrical connector.
  15. Install the lower coolant hose. Refer to Radiator Inlet Hose Replacement .
  16. Lower the vehicle.

  17. Object Number: 1670849  Size: SH
  18. Install the compressor hose assembly to the compressor.
  19. Install the compressor hose assembly nut to the compressor.
  20. Tighten
    Tighten the nut to 16 N·m (12 lb ft).

  21. Install the accessory drive belt. Refer to Drive Belt Replacement - Accessory .
  22. Install the cooling fan and shroud. Refer to Cooling Fan and Shroud Replacement .
  23. Install the air cleaner resonator outlet duct. Refer to Air Cleaner Resonator Outlet Duct Replacement for the 5.3L engine or Air Cleaner Resonator Outlet Duct Replacement for the 6.0L engine.
  24. Install the washer solvent container. Refer to Windshield Washer Solvent Container Replacement .
  25. Fill the cooling system. Refer to Cooling System Draining and Filling .
  26. Evacuate and recharge the A/C system. Refer to Refrigerant Recovery and Recharging .
  27. Leak test the fittings of the component using the J 39400-A .