GM Service Manual Online
For 1990-2009 cars only
Makes
🢒
Isuzu
🢒
2007
🢒
Ascender - 2WD
🢒 Interior Lamp Controls
Interior Lamp Controls
Interior Lamp Controls
Master Electrical Component List
Interior Lighting Systems Description and Operation
Control Module References
Interior Lamps
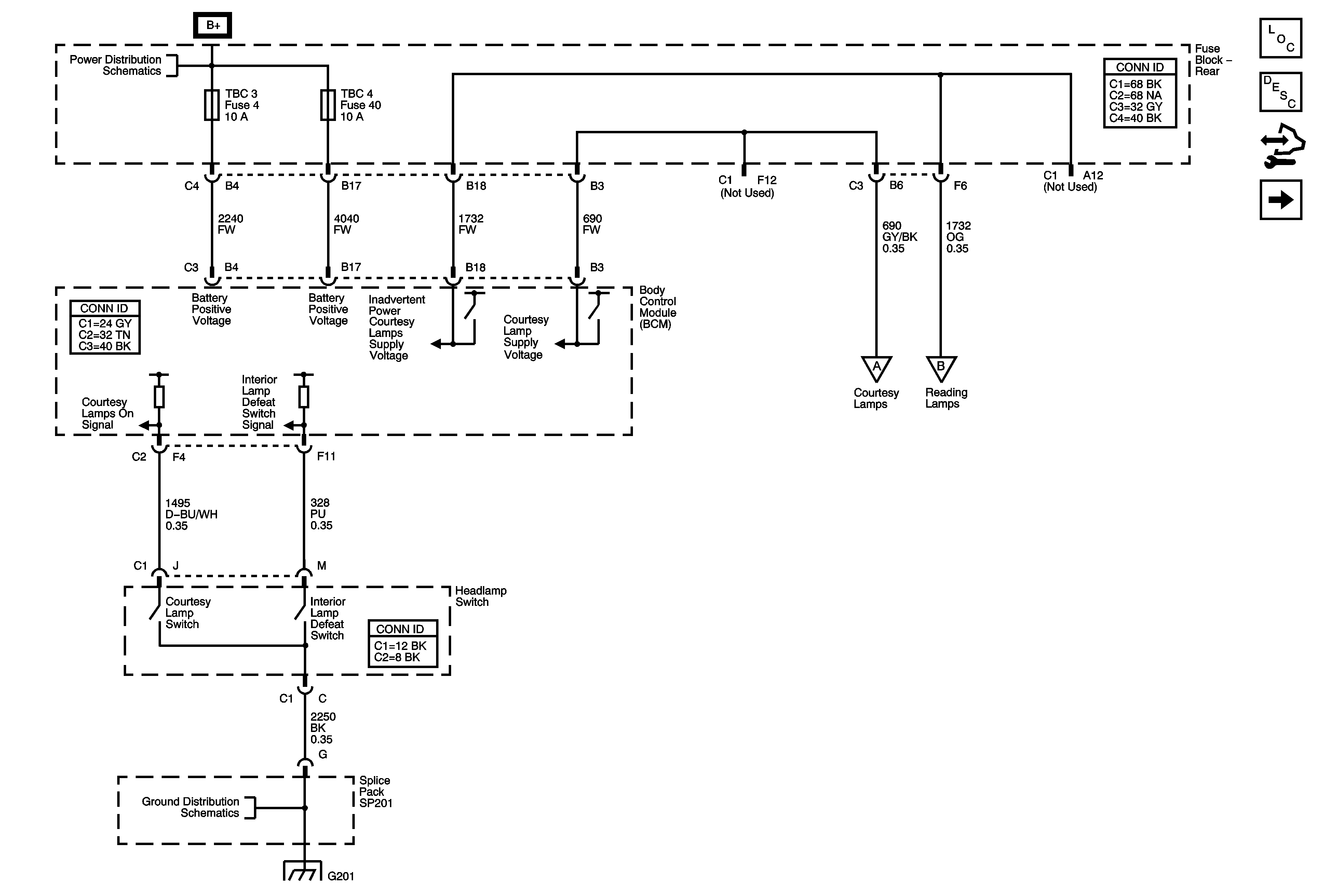
B+ Bus - Rear Fuse Block
Interior Lamps
G201 - 1 of 2
G201 - 1 of 2