GM Service Manual Online
For 1990-2009 cars only
Makes
🢒
Isuzu
🢒
2007
🢒
Ascender - 2WD
🢒 Power, Ground, and Subsystem References
Power, Ground, and Subsystem References
Power, Ground, and Subsystem References
Master Electrical Component List
Control Module References
Serial Data and Subsystem References
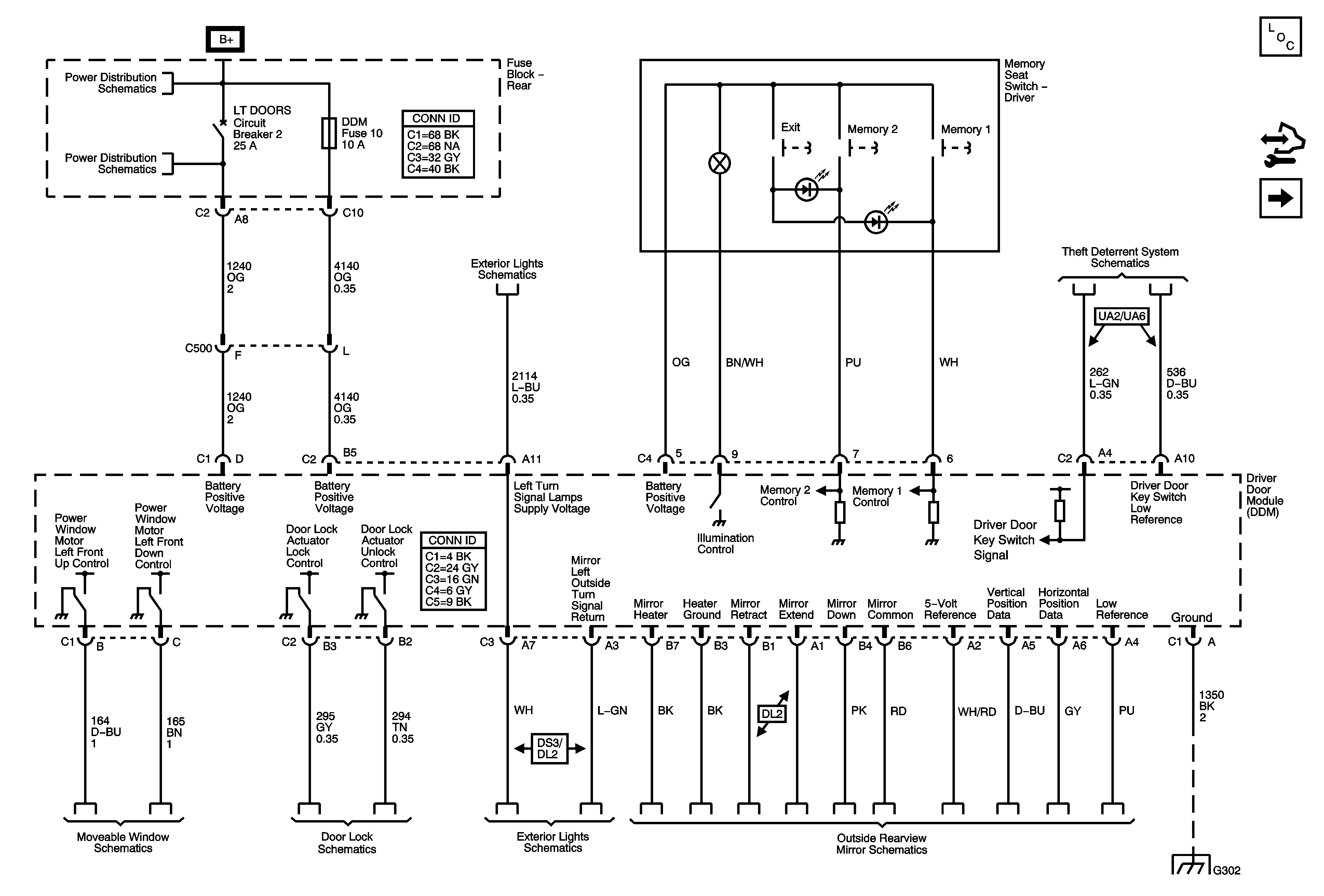
B+ Bus - Rear Fuse Block
AMP, DDM, PDM Fuses, LT DOORS, RT DOORS, and SEATS Circuit Breakers
Left Turn Signals
Theft Deterrent System Schematics
Power Windows - Left
Front Doors and Liftgate
Left Turn Signals
Outside Rearview Mirror Schematics
G302 - 1 of 2, G303, and G304