GM Service Manual Online
For 1990-2009 cars only
Makes
🢒
Isuzu
🢒
2007
🢒
Ascender - 2WD
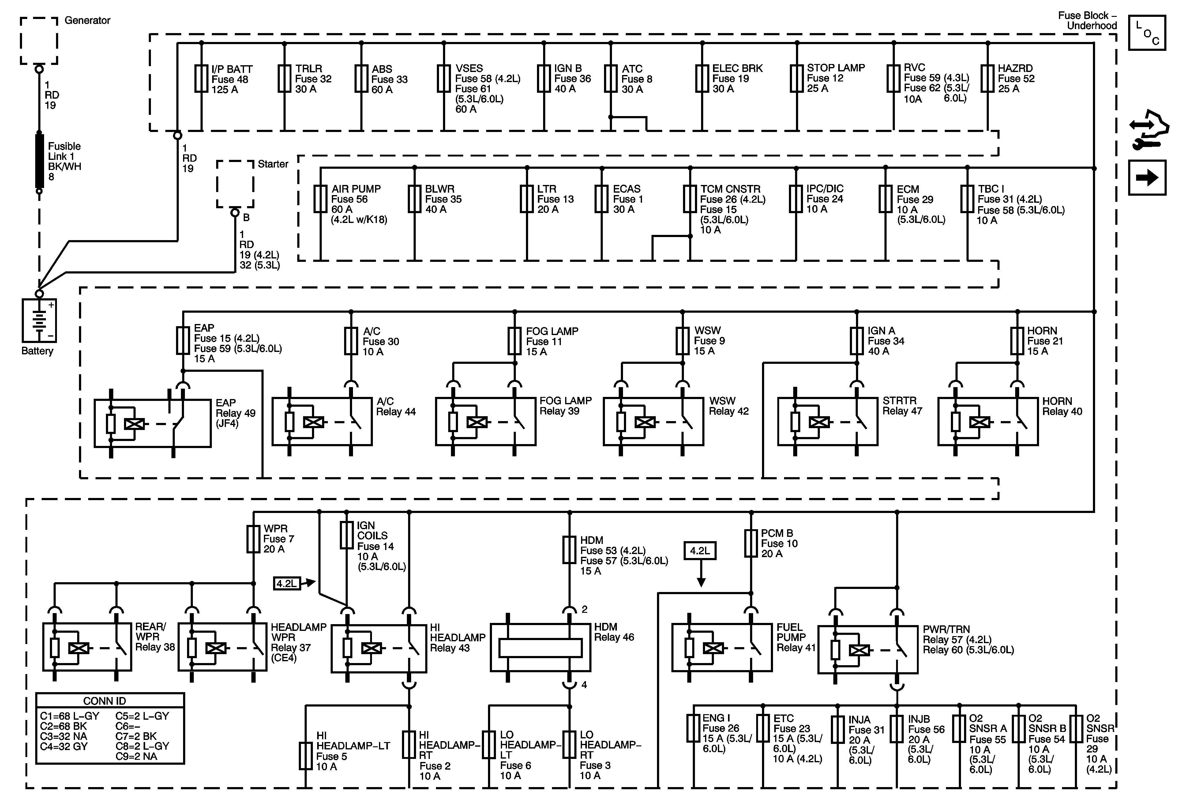
🢒 B+ Bus - Underhood Fuse Block
B+ Bus - Underhood Fuse Block
B+ Bus - Underhood Fuse Block
Master Electrical Component List
Control Module References
B+ Bus - Rear Fuse Block