GM Service Manual Online
For 1990-2009 cars only
Makes
🢒
Isuzu
🢒
2007
🢒
Ascender - 2WD
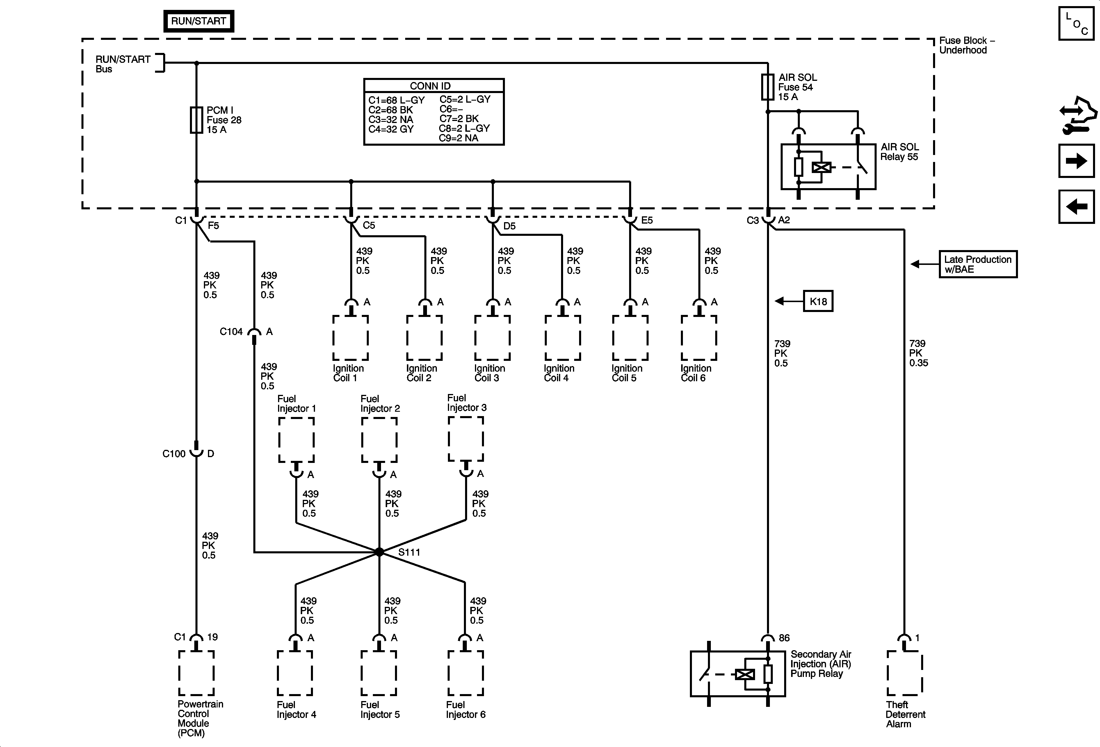
🢒 AIR SOL and PCMI Fuses - 4.2L
AIR SOL and PCMI Fuses - 4.2L
AIR SOL and PCMI Fuses - 4.2L
Master Electrical Component List
Control Module References
4WD, AIRBAG, ECMI, HVAC, and TRANS Fuses
BCK/UP, BTSI, IGN E, TBC IGN 1, and TRLR BCK/UP Fuses
Ignition Switch - ACCY/RUN, RUN/START Bus Bars and IGN B Fuse