GM Service Manual Online
For 1990-2009 cars only
Makes
🢒
Isuzu
🢒
2007
🢒
Ascender - 2WD
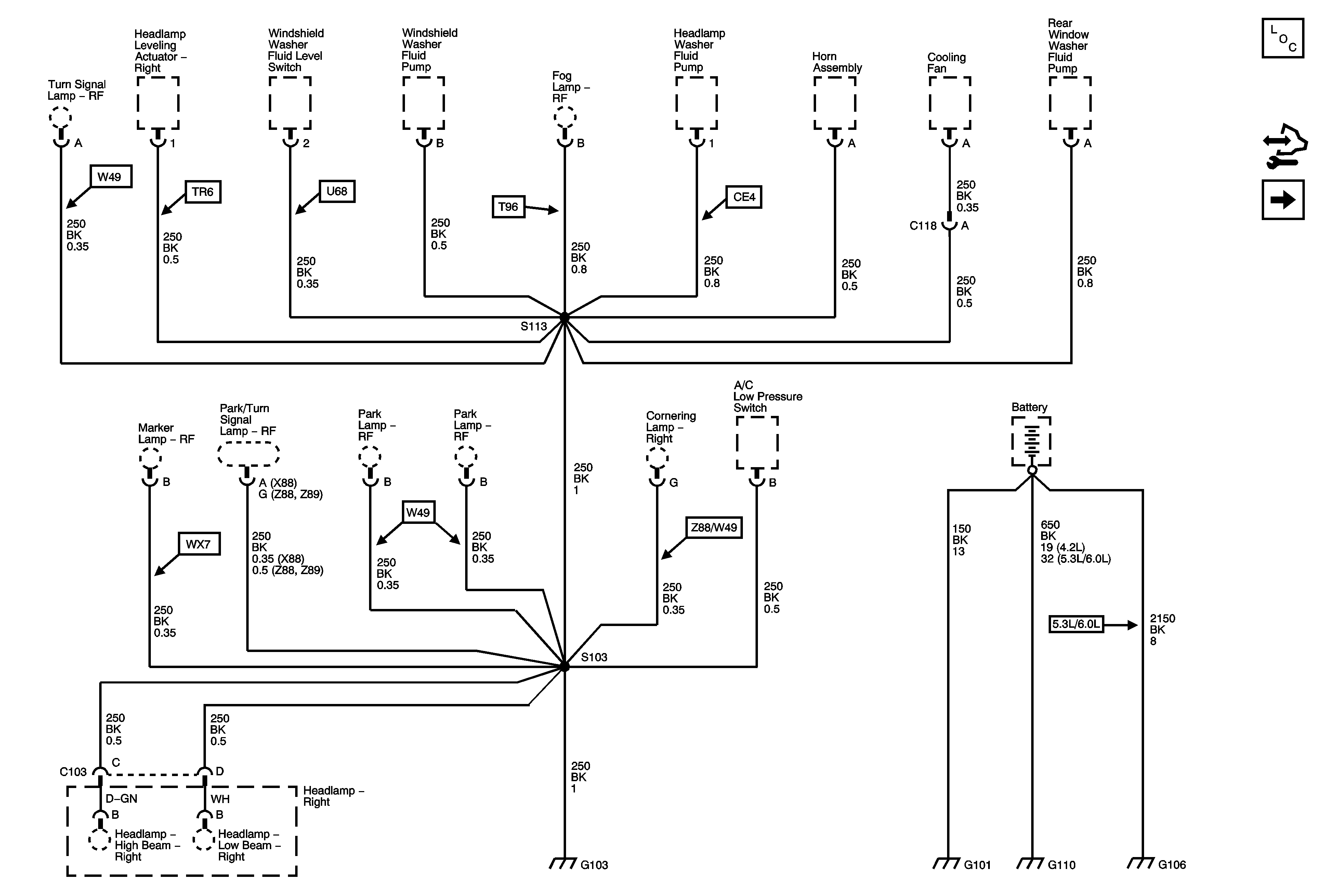
🢒 G101, G103, G106, and G110
G101, G103, G106, and G110
G101, G103, G106, and G110
Master Electrical Component List
Control Module References
G102