GM Service Manual Online
For 1990-2009 cars only
Makes
🢒
Isuzu
🢒
2008
🢒
Ascender - 2WD
🢒
Diagnostic Navigation
🢒
Vehicle Diagnostic Information
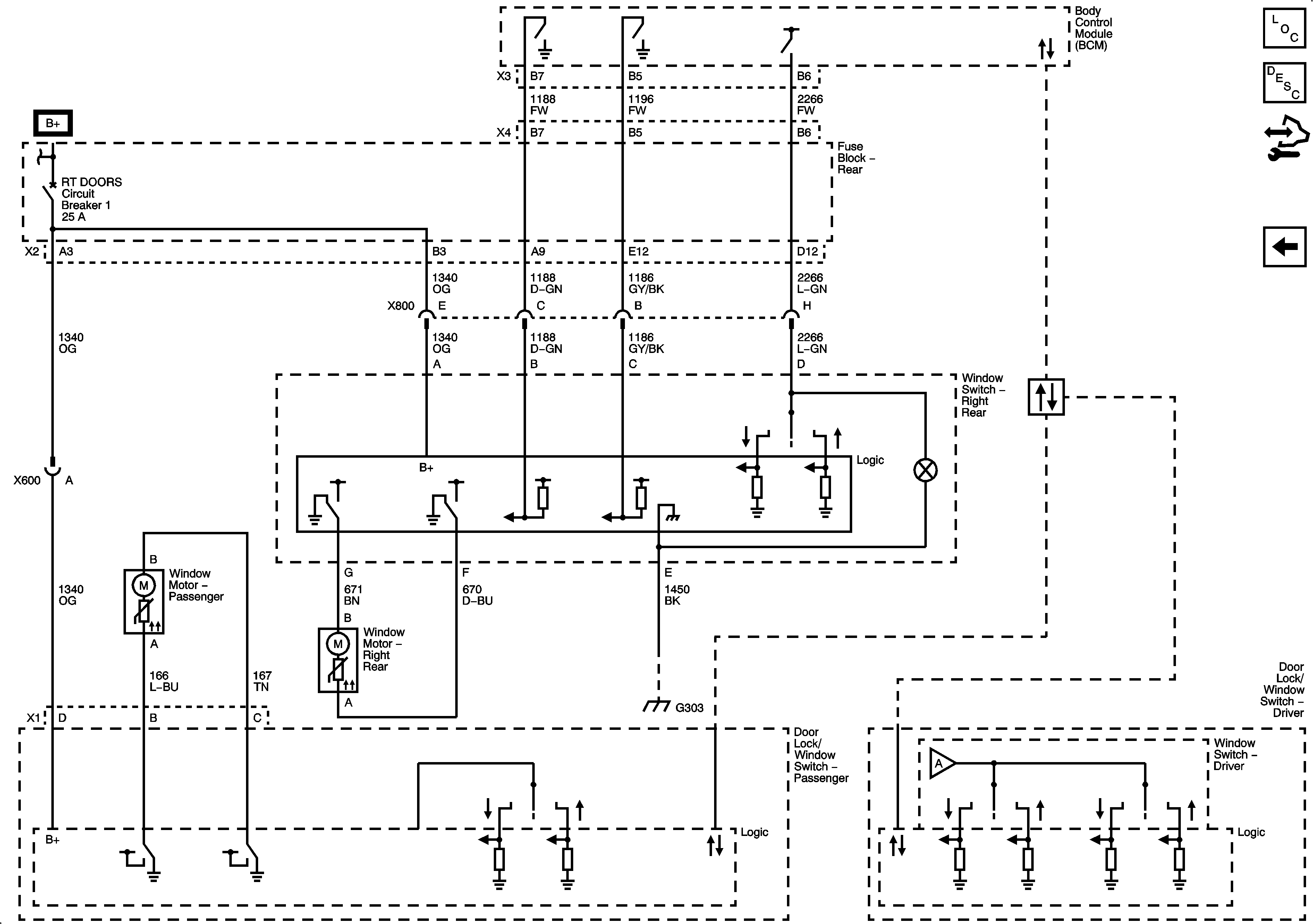
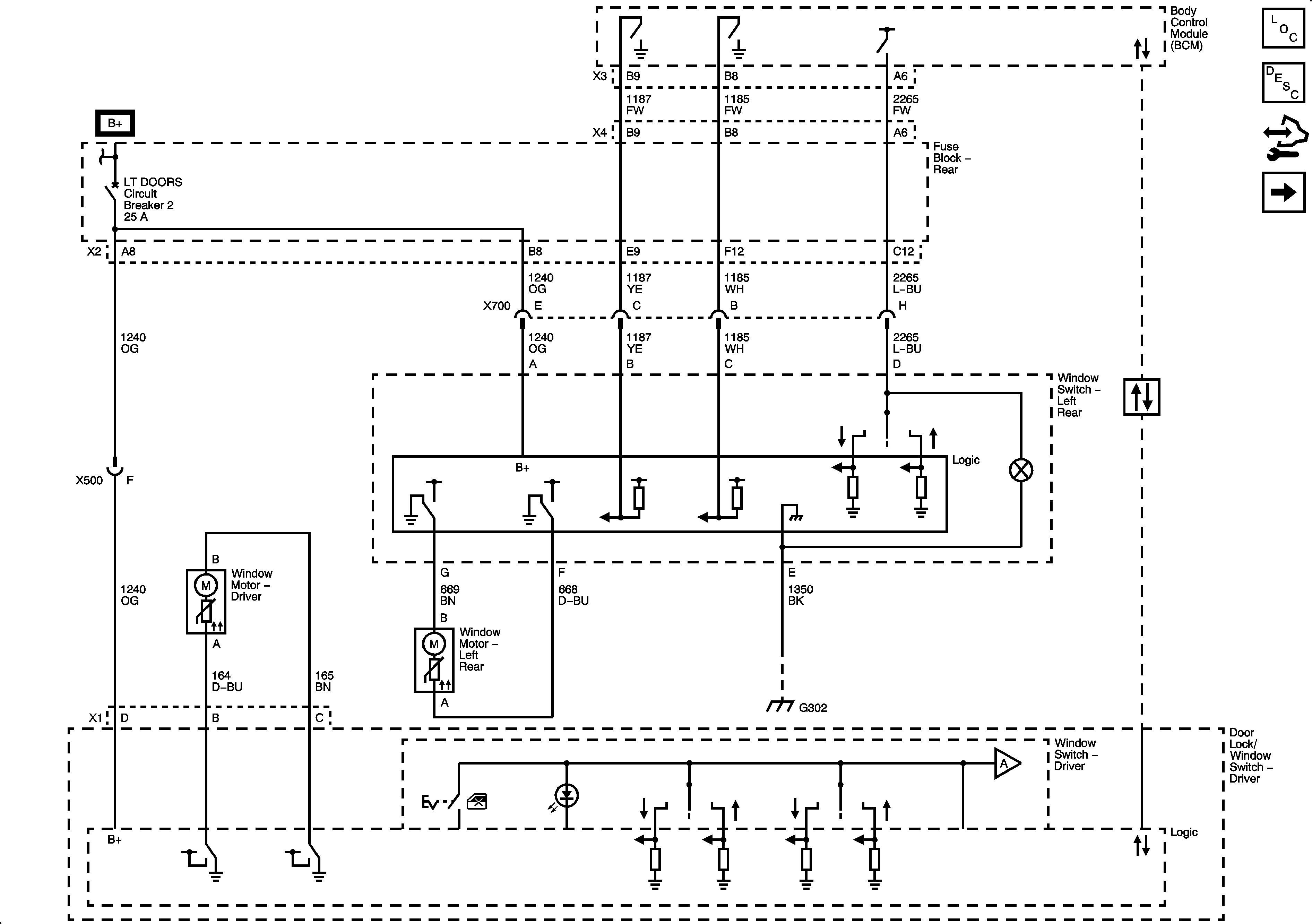
🢒 Moveable Window Schematics
Figure
1:
Power Windows - Left
Master Electrical Component List
Power Windows Description and Operation
Control Module References
Power Windows - Right
Figure
2:
Power Windows - Right
Master Electrical Component List
Power Windows Description and Operation
Control Module References
Power Windows - Left