GM Service Manual Online
For 1990-2009 cars only
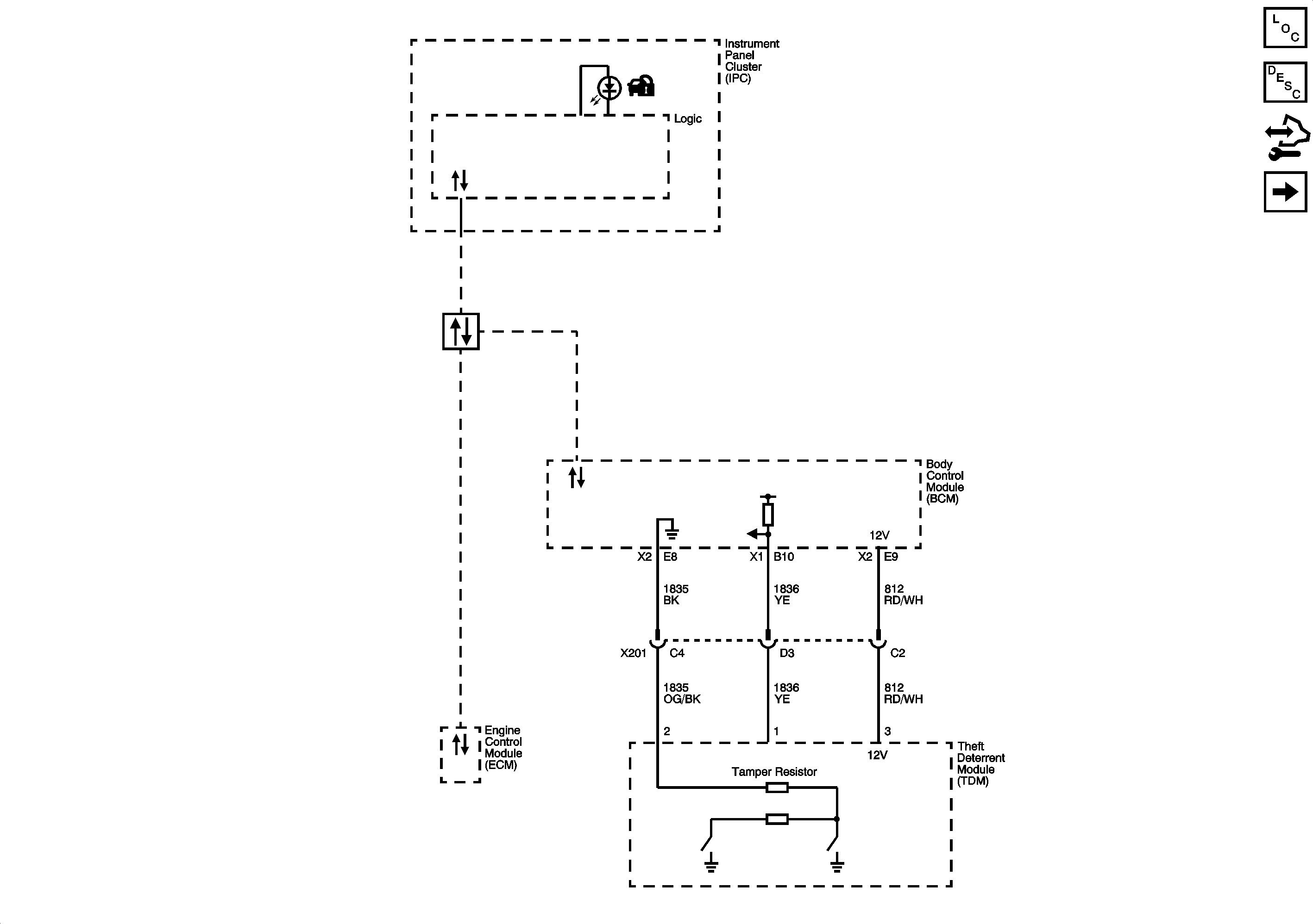
Figure 1:

Passlock Sensor - w/o BAE


Object Number: 1923798  Size: FS
Master Electrical Component List
Immobilizer Description and Operation North America, except Canada
Control Module References
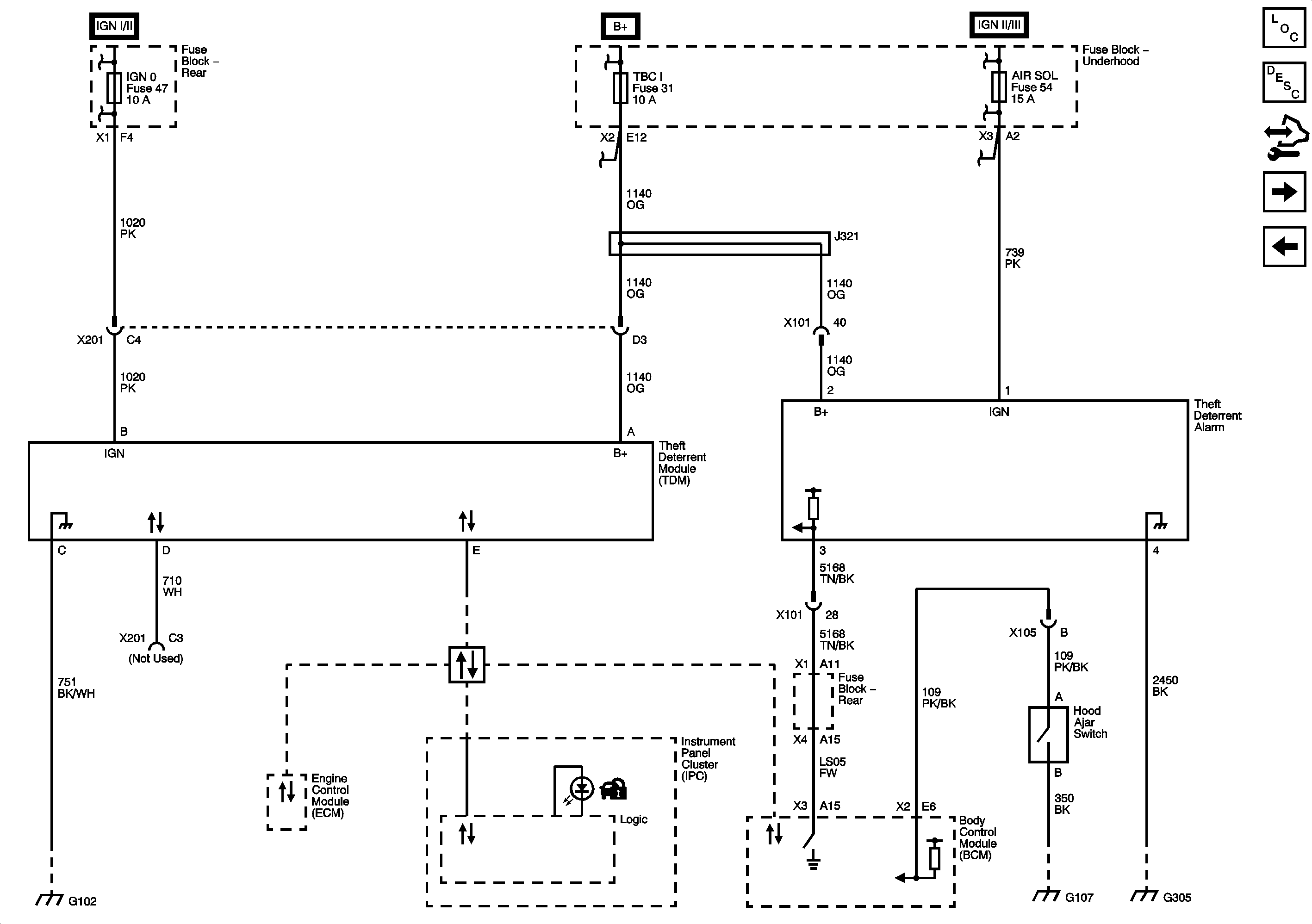
Theft Deterrent Control Module, Alarm, and Hood Ajar Switch - UA2/BAE
Figure 2:

Theft Deterrent Control Module, Alarm, and Hood Ajar Switch - UA2/BAE


Object Number: 1923791  Size: FS
Master Electrical Component List
Immobilizer Description and Operation Canada, Europe, Middle East, and Asia
Control Module References
Intrusion and Indication Sensor Signals - UA2/BAE
Passlock Sensor - w/o BAE
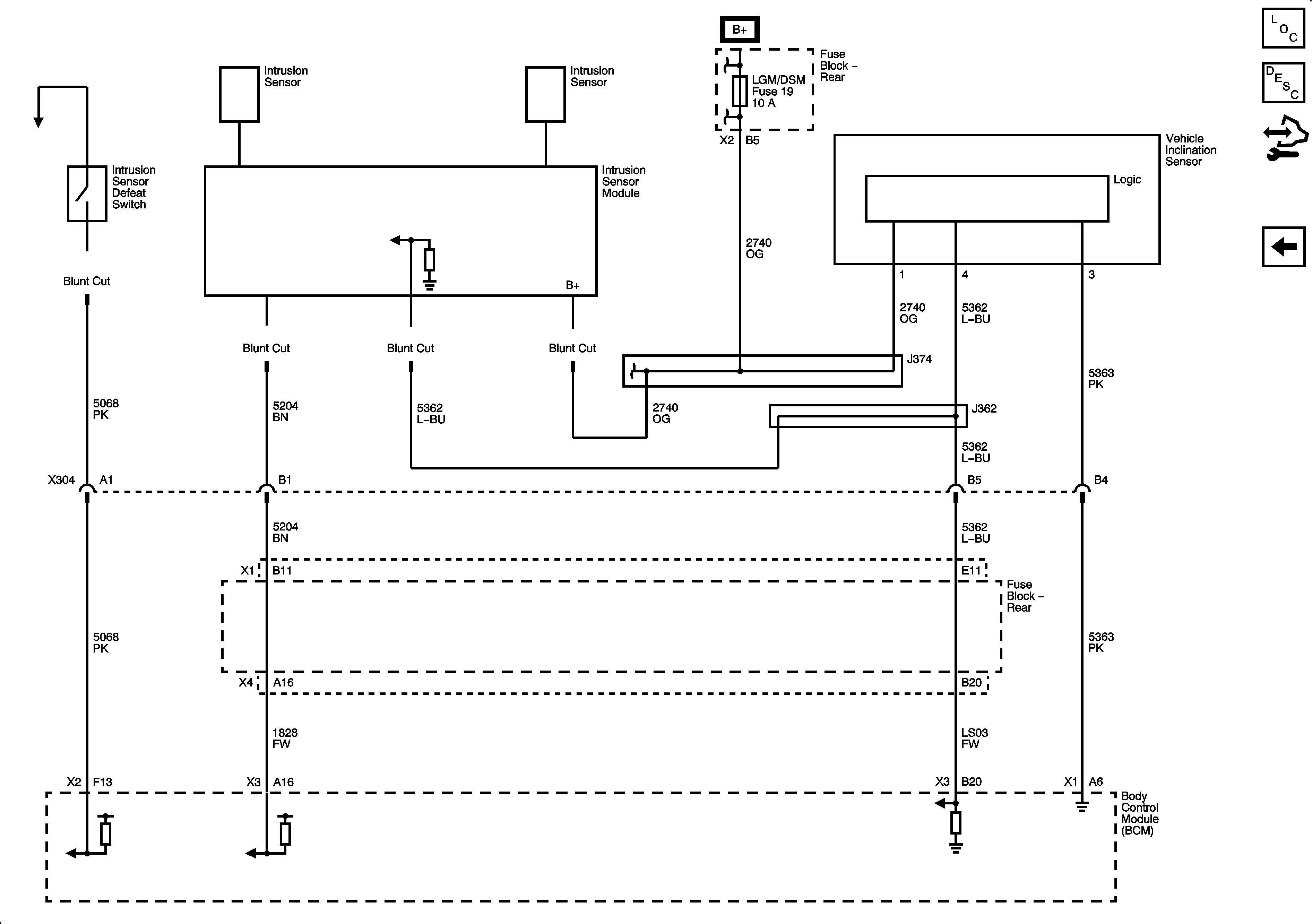
Figure 3:

Intrusion and Indication Sensor Signals - UA2/BAE


Object Number: 1923795  Size: FS
Master Electrical Component List
Immobilizer Description and Operation Canada, Europe, Middle East, and Asia
Control Module References
Theft Deterrent Control Module, Alarm, and Hood Ajar Switch - UA2/BAE