GM Service Manual Online
For 1990-2009 cars only
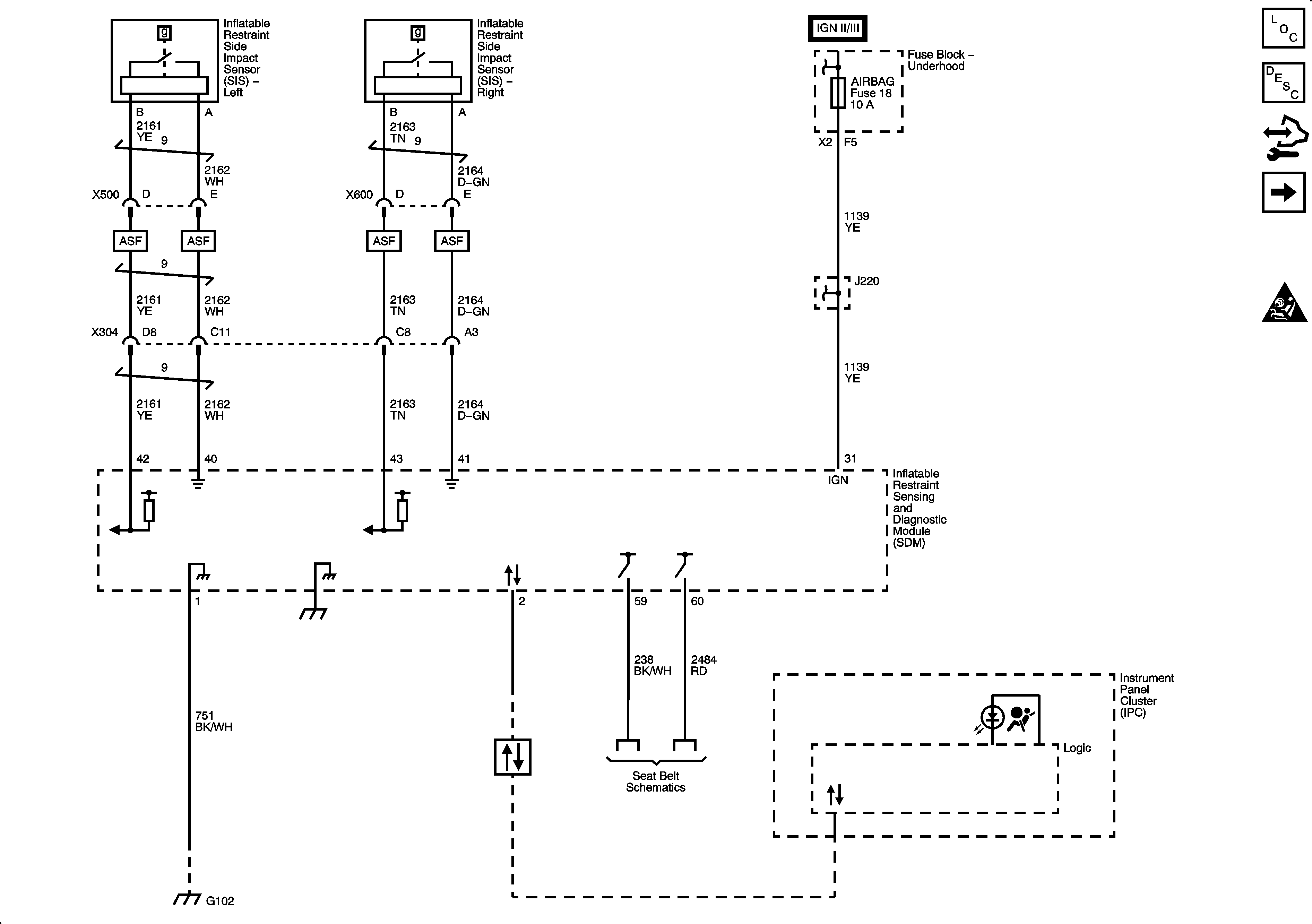
Figure 1:

Power, Ground, Serial Data, Indicator, and Side Impact Sensor


Object Number: 1923808  Size: FS
Master Electrical Component List
SIR System Description and Operation
Control Module References
Front Sensors and Modules
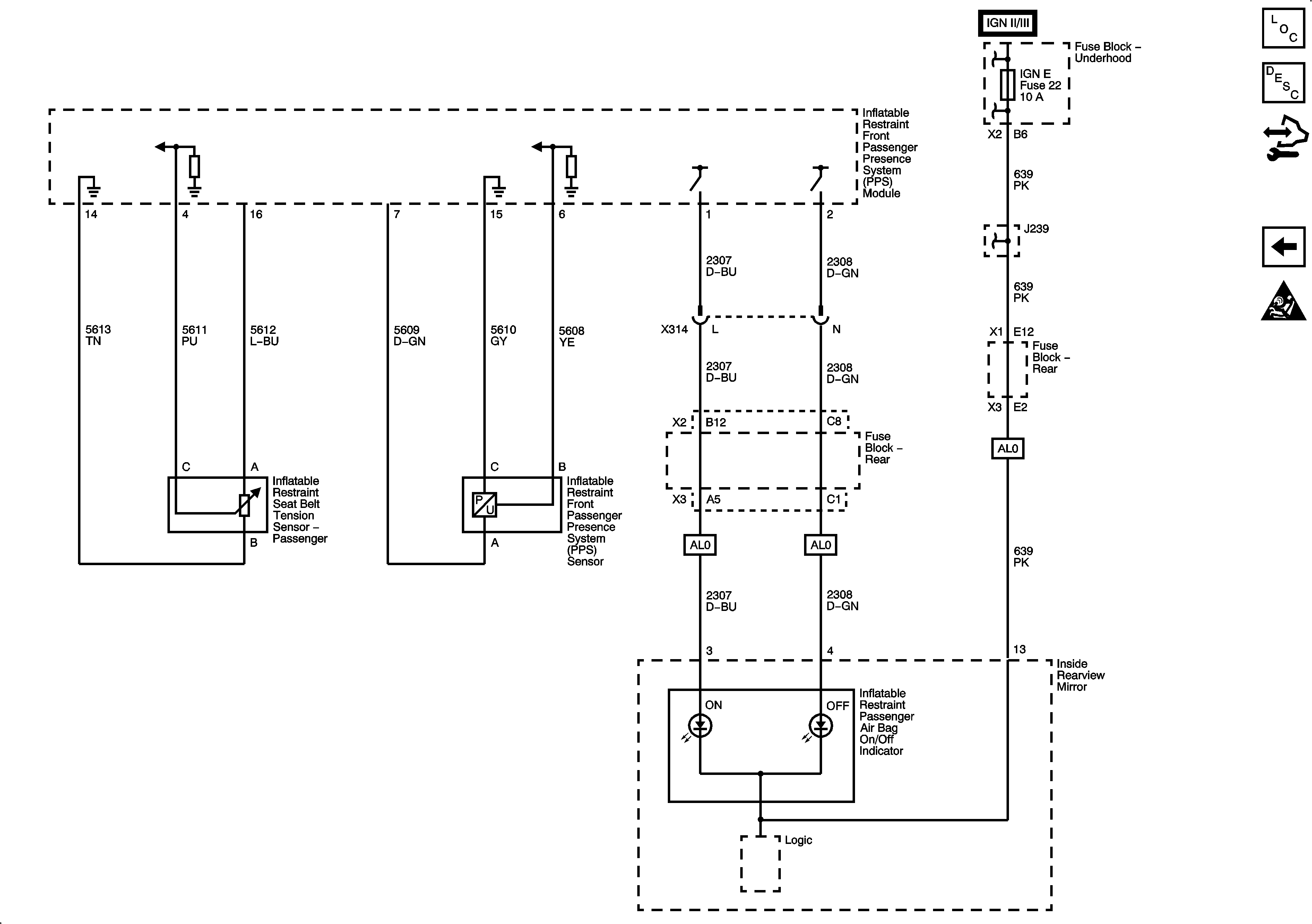
Figure 2:

Front Sensors and Modules


Object Number: 1923809  Size: FS
Master Electrical Component List
SIR System Description and Operation
Control Module References
Seat Position Sensors, Rollover Sensor, and PPS Module
Power, Ground, Serial Data, Indicator, and Side Impact Sensor
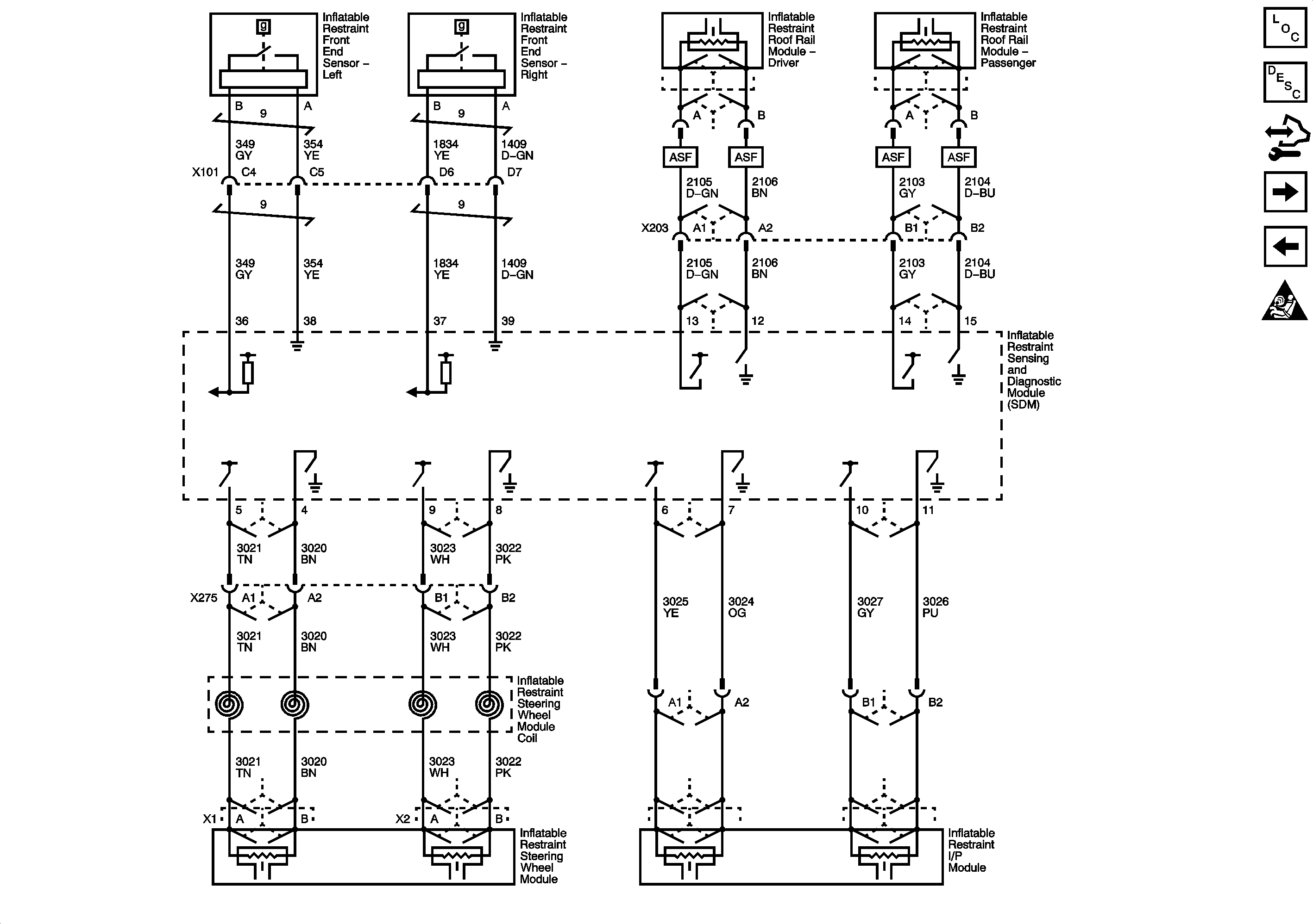
Figure 3:

Seat Position Sensors, Rollover Sensor, and PPS Module


Object Number: 1923812  Size: FS
Master Electrical Component List
SIR System Description and Operation
Control Module References
PPS Sensors and Indicators
Front Sensors and Modules
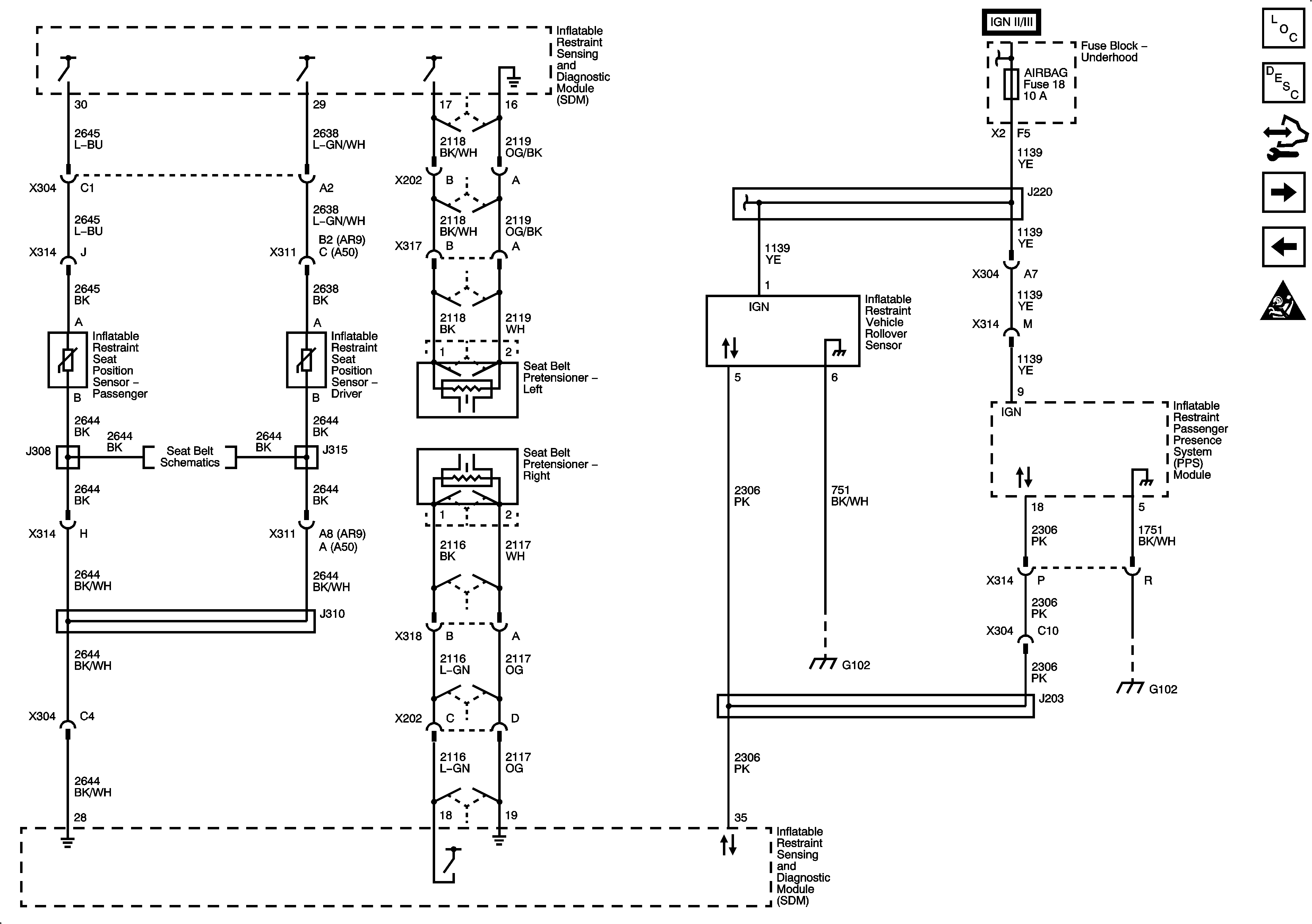
Figure 4:

PPS Sensors and Indicators


Object Number: 1923814  Size: FS
Master Electrical Component List
SIR System Description and Operation
Control Module References
Seat Position Sensors, Rollover Sensor, and PPS Module