GM Service Manual Online
For 1990-2009 cars only
Makes
🢒
Isuzu
🢒
2008
🢒
Ascender - 2WD
🢒 Rear Auxiliary Controls
Rear Auxiliary Controls
Rear Auxiliary Controls
Master Electrical Component List
Air Delivery Description and Operation
Control Module References
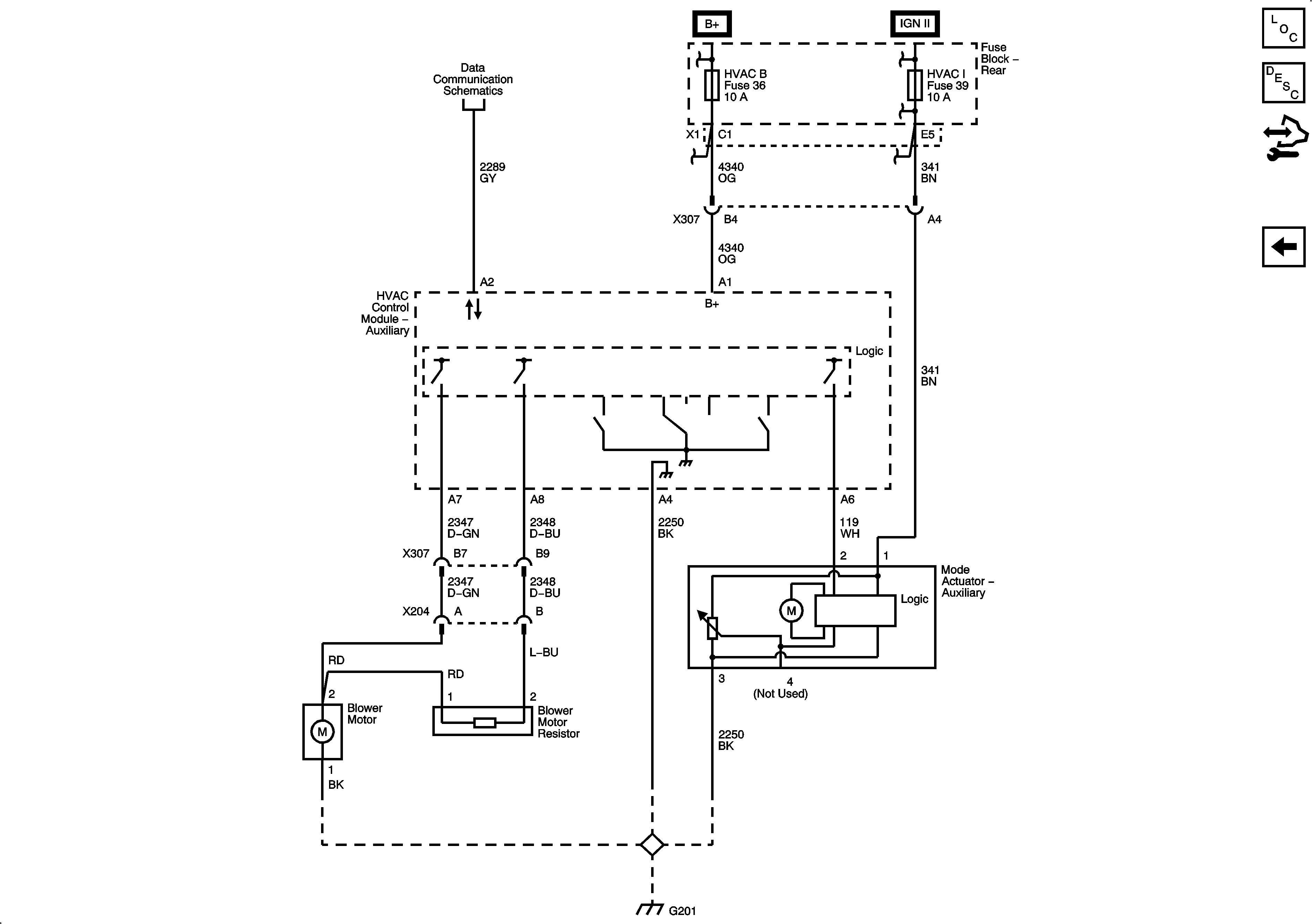
Module Power, Ground, Serial Data, and Blower Motor
Ambient Light/Sunload Sensors