GM Service Manual Online
For 1990-2009 cars only
Makes
🢒
Isuzu
🢒
2009
🢒
Ascender - 2WD
🢒
Body Systems
🢒
Lighting
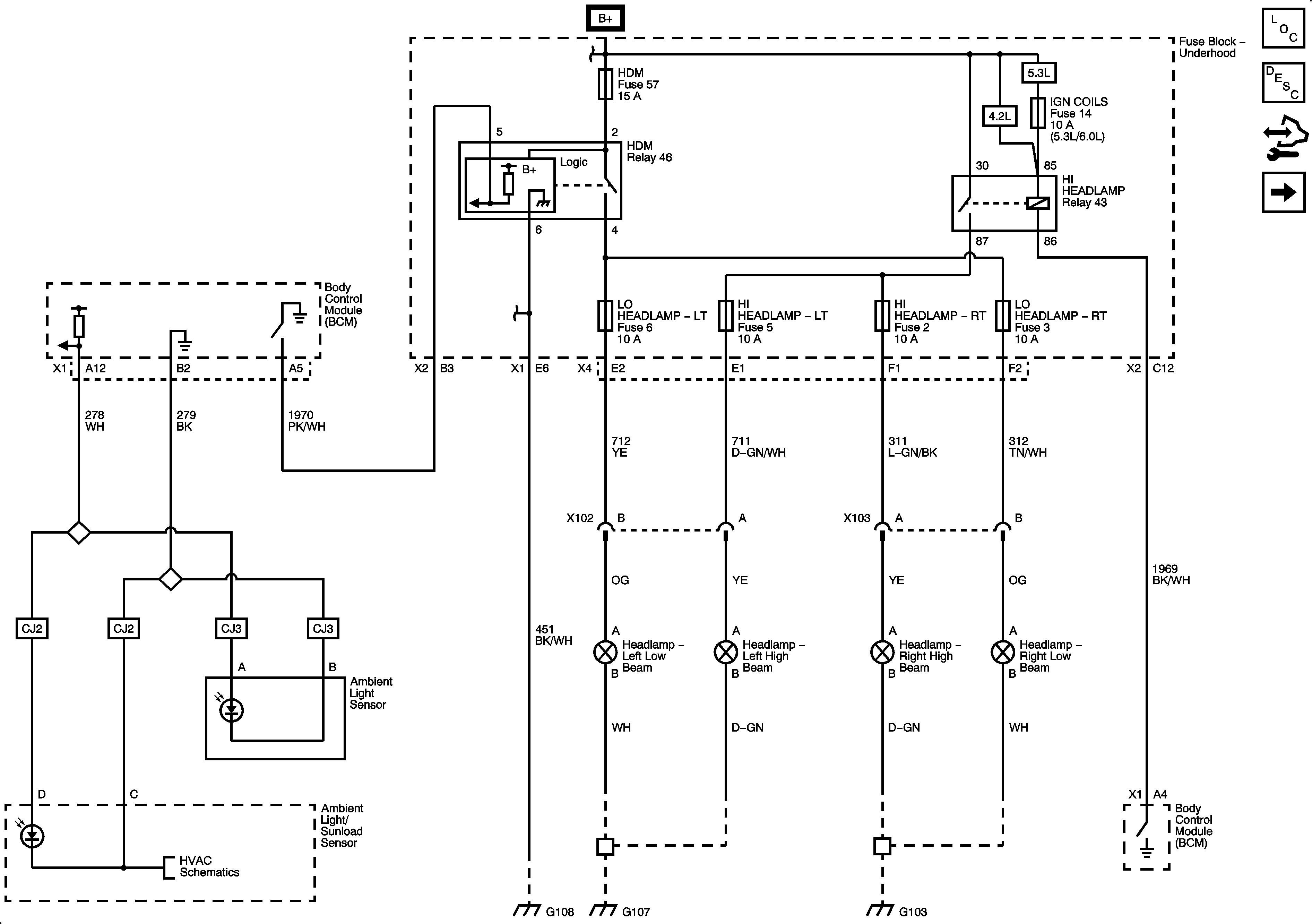
🢒 Headlights/Daytime Running Lights (DRL) Schematics
Figure
1:
Headlamps
Figure
2:
Headlamp Switch