GM Service Manual Online
For 1990-2009 cars only

Transfer Case Shift Control Switch Replacement Chevrolet

Removal Procedure


    Object Number: 712814  Size: SH
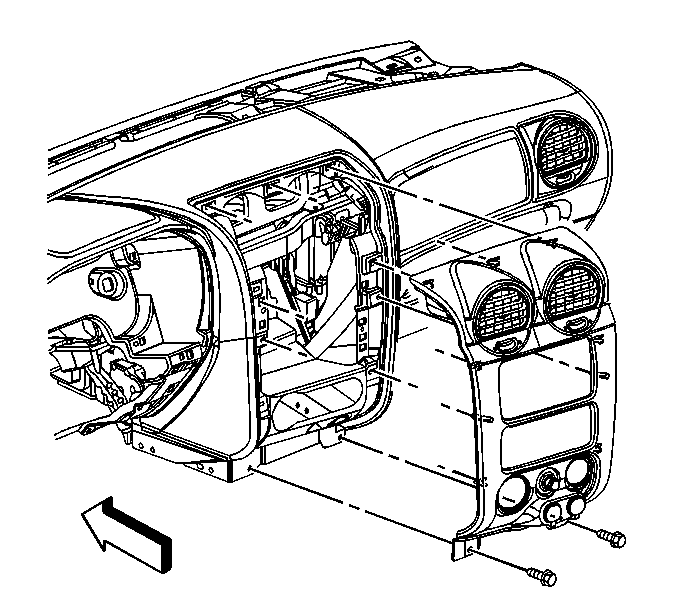
  1. Remove the bezel cover. Refer to Instrument Panel Cluster Trim Plate Bezel Replacement in Instrument Panel, Gages, and Console

  2. Object Number: 756019  Size: SH
  3. Push in on the two tabs on the side of the control switch.
  4. Move the control switch toward the front of the trim plate.
  5. Disconnect the electrical connector.
  6. Remove the control switch.

Installation Procedure


    Object Number: 756019  Size: SH
  1. Install the electrical connector to the control switch.
  2. Important: When installing control switch in the trim bezel, a snap should be felt or heard.

  3. Install the control switch in the bezel cover.

  4. Object Number: 712814  Size: SH

    Important: Ensure that the bezel cover is properly seated before installing the trim screws.

  5. Install the bezel cover. Refer to Instrument Panel Cluster Trim Plate Bezel Replacement in Instrument Panel, Gages, and Console

Transfer Case Shift Control Switch Replacement Isuzu

Removal Procedure


    Object Number: 741613  Size: SH
  1. Remove the floor console. Refer to Console Replacement in Instrument Panel, Gages, and Console.

  2. Object Number: 712822  Size: SH
  3. Remove the trim plate. Refer to Instrument Panel Accessory Trim Plate Replacement in Instrument Panel, Gages, and Console.
  4. Push in on the two tabs securing the control switch to the trim plate.
  5. Move the control switch toward the front of the trim plate.
  6. Remove the control switch.

  7. Object Number: 651279  Size: SH
  8. Disconnect the electrical connector from the control switch.

Installation Procedure


    Object Number: 651279  Size: SH
  1. Install the electrical connector to the control switch.

  2. Object Number: 756018  Size: SH

    Important: When installing the control switch in the trim plate, a snap should be felt or heard.

  3. Install the control switch in the trim plate.

  4. Object Number: 712822  Size: SH
  5. Install the trim plate. Refer to Instrument Panel Accessory Trim Plate Replacement in Instrument Panel, Gages, and Console.

  6. Object Number: 741613  Size: SH
  7. Install the floor console. Refer to Console Replacement in Instrument Panel, Gages, and Console.