GM Service Manual Online
For 1990-2009 cars only
Makes
🢒
Isuzu
🢒
2003
🢒
Ascender - 4WD
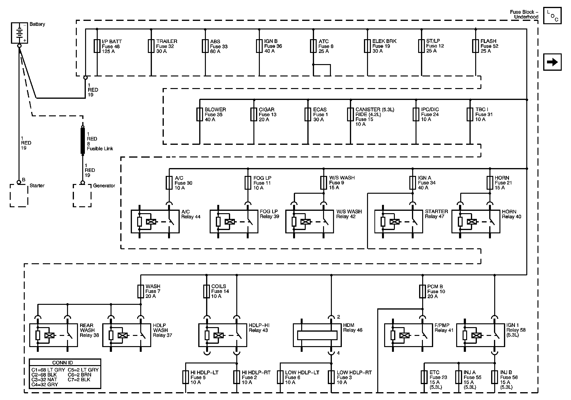
🢒 I/P BATT, TRAILER ABS, HORN IGN A, IGN B, ATC Fuses
I/P BATT, TRAILER ABS, HORN IGN A, IGN B, ATC Fuses
B+ Bus, Underhood Fuse Block
Master Electrical Component List
TRLR-E BRK,STOP, BLOWER, CIGAR, W/S WASH, A/C, FOG LAMP, PCM B Buses) Fuses