GM Service Manual Online
For 1990-2009 cars only
Makes
🢒
Isuzu
🢒
2003
🢒
Ascender - 4WD
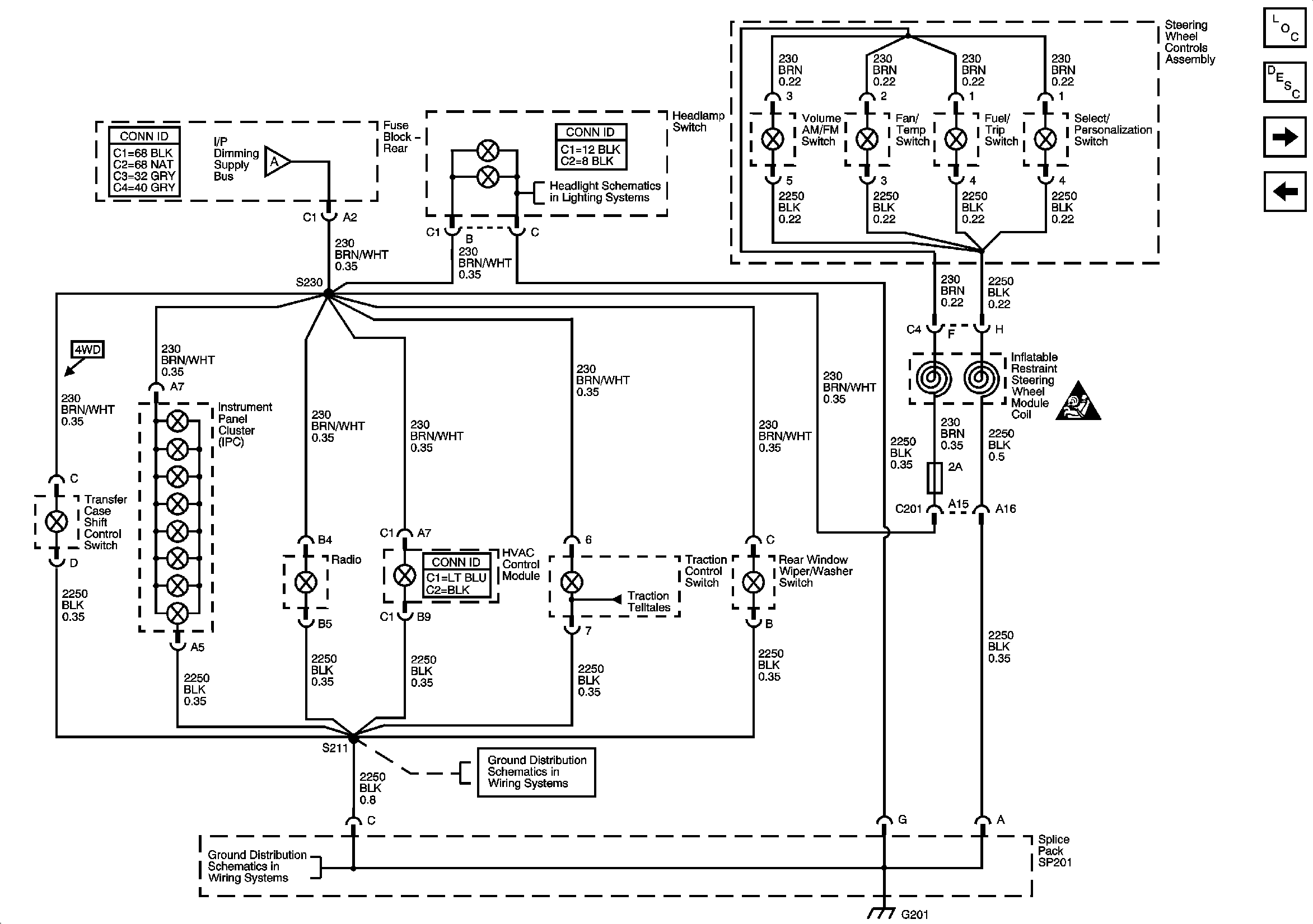
🢒 I/P Backlighting
I/P Backlighting
I/P Backlighting
Master Electrical Component List
Interior Lighting Systems Description and Operation
I/P Indicators
Dimming Supply Voltage
SIR Caution for Zoning
G201, 1 of 2
G201-2 of 2, G305, G306
I/P Indicators
Dimming Supply Voltage
Headlamp Switch