GM Service Manual Online
For 1990-2009 cars only
Makes
🢒
Isuzu
🢒
2003
🢒
Ascender - 4WD
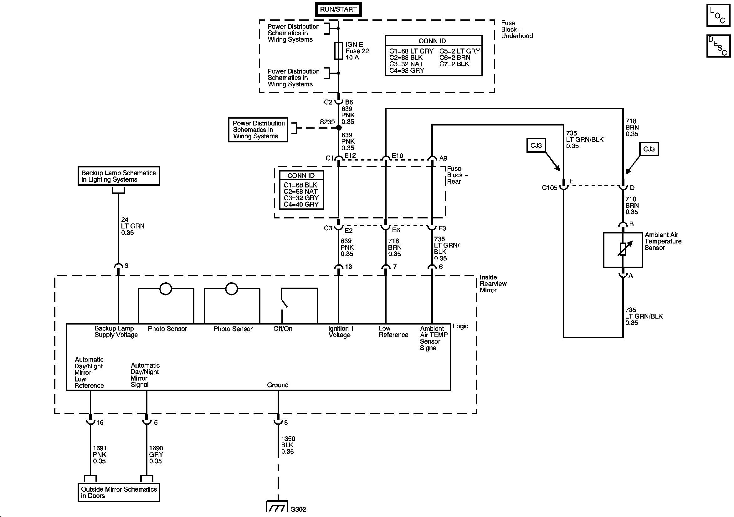
🢒 Inside Rear View Mirror
Inside Rear View Mirror