GM Service Manual Online
For 1990-2009 cars only
Makes
🢒
Isuzu
🢒
2003
🢒
Ascender - 4WD
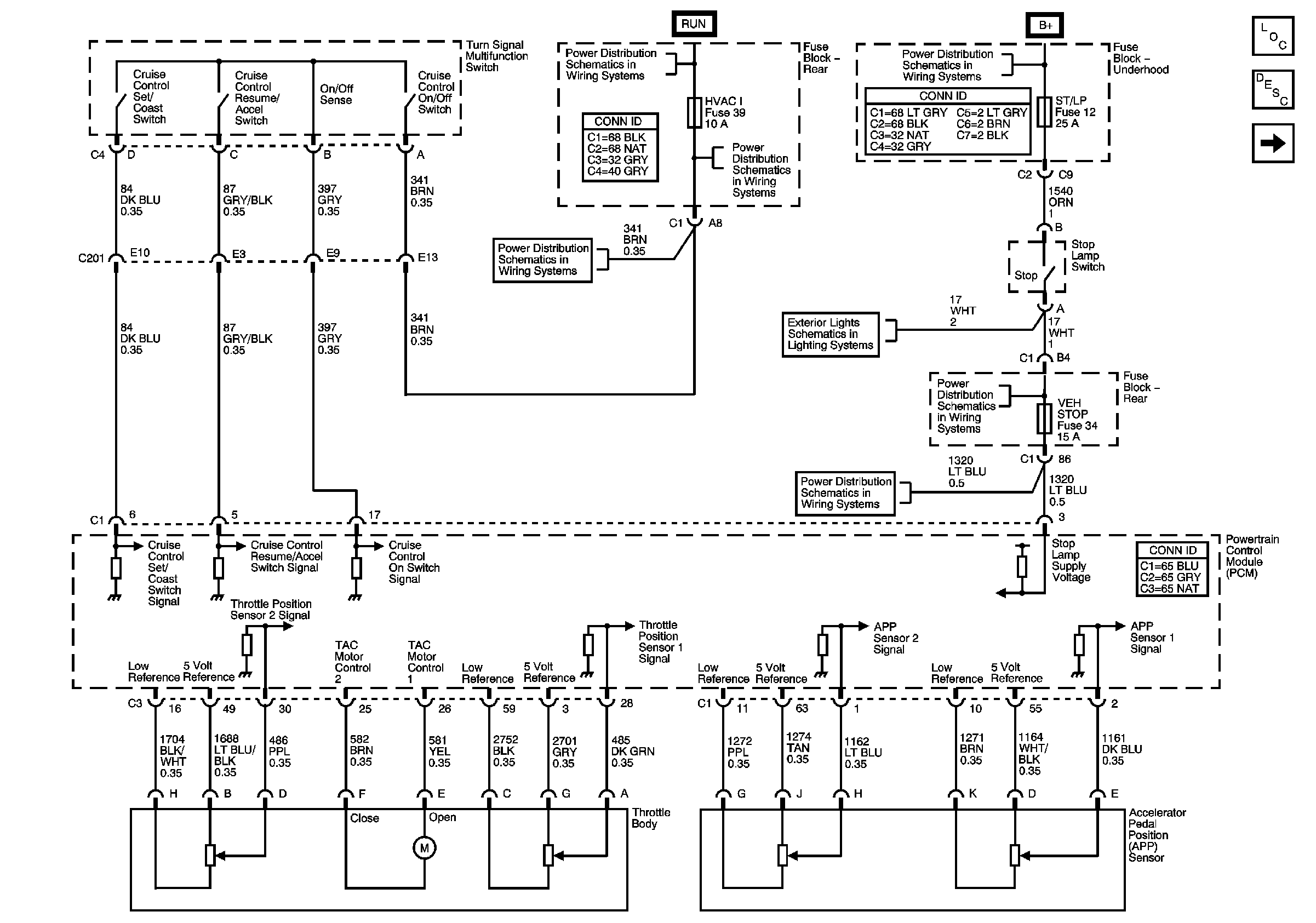
🢒 TAC Motor, APP Sensoor, On/OffSwitch and Stop Lamp Switch (4.2L only)
TAC Motor, APP Sensoor, On/OffSwitch and Stop Lamp Switch (4.2L only)
TAC Motor, APP Sensor, On/Off Switch and Stop Lamp Switch - 4.2L Only