GM Service Manual Online
For 1990-2009 cars only
Makes
🢒
Isuzu
🢒
2003
🢒
Ascender - 4WD
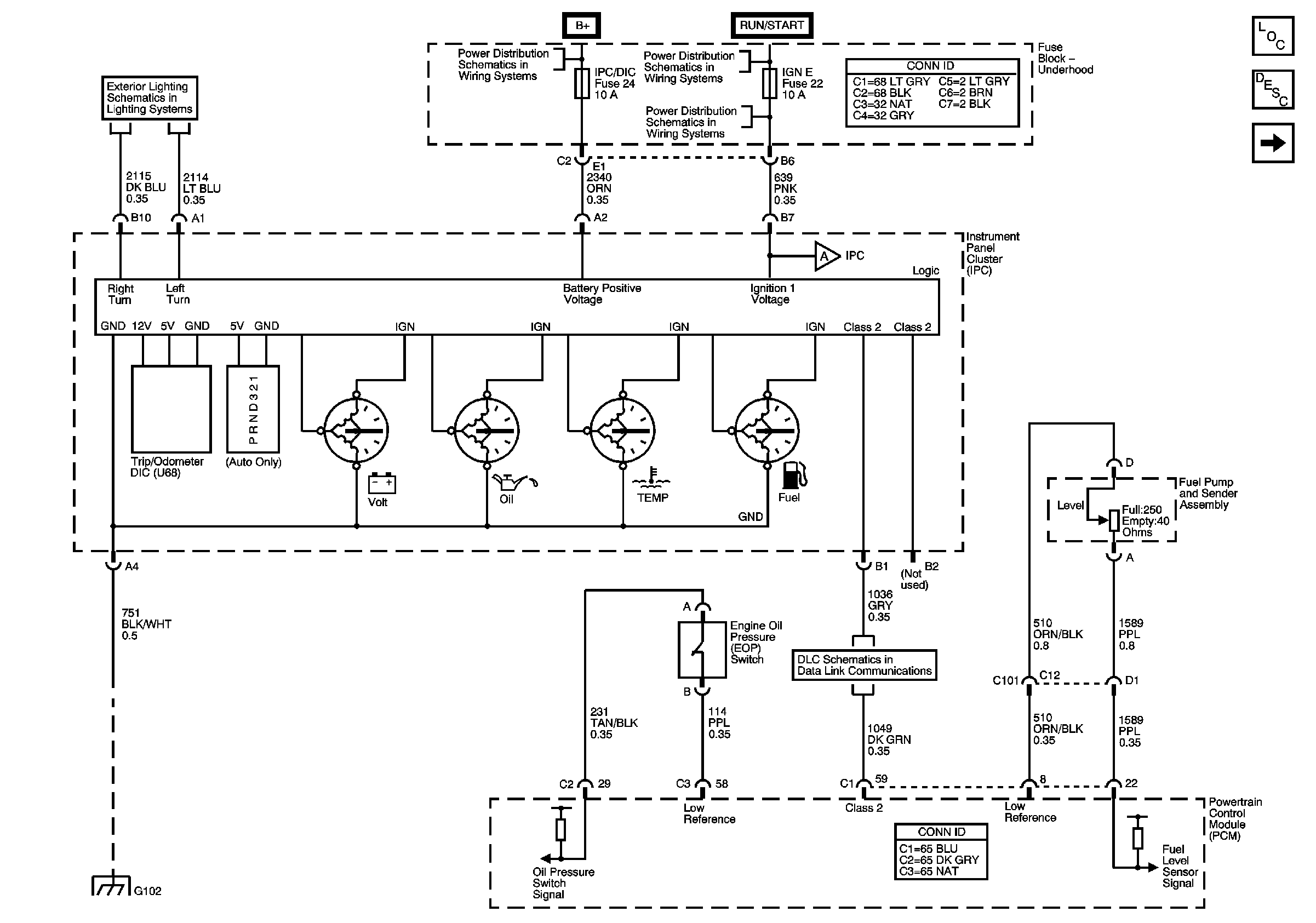
🢒 Gages, Six Cylinder Engine (LL8)
Gages, Six Cylinder Engine (LL8)
Gages-Six Cylinder Engine (LL8)