GM Service Manual Online
For 1990-2009 cars only
Makes
🢒
Isuzu
🢒
2003
🢒
Ascender - 4WD
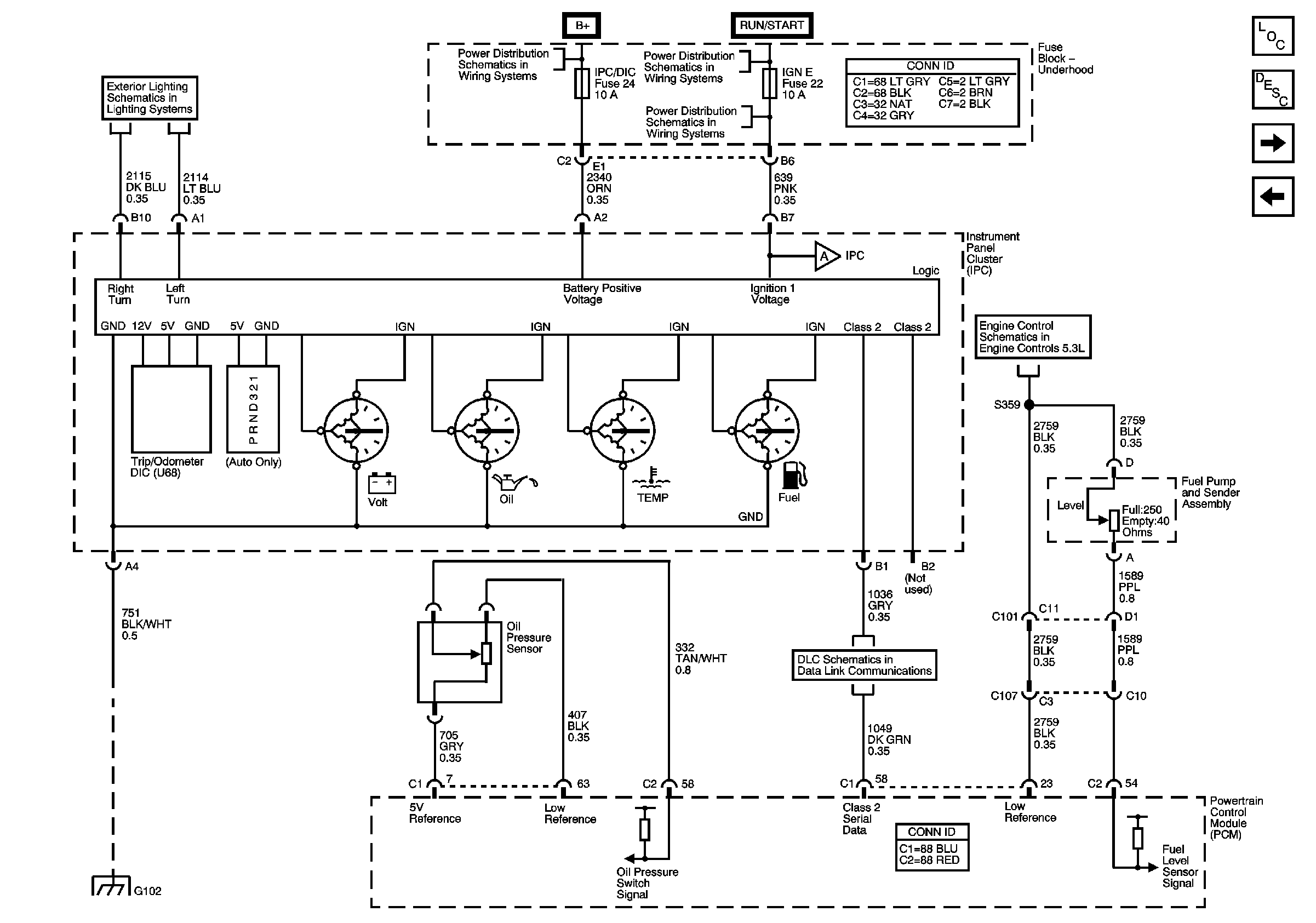
🢒 Gages, Eight Cylinder Engine (LM4)
Gages, Eight Cylinder Engine (LM4)
Gages-Eight Cylinder Engine (LM4)