GM Service Manual Online
For 1990-2009 cars only
Makes
🢒
Isuzu
🢒
2003
🢒
Ascender - 4WD
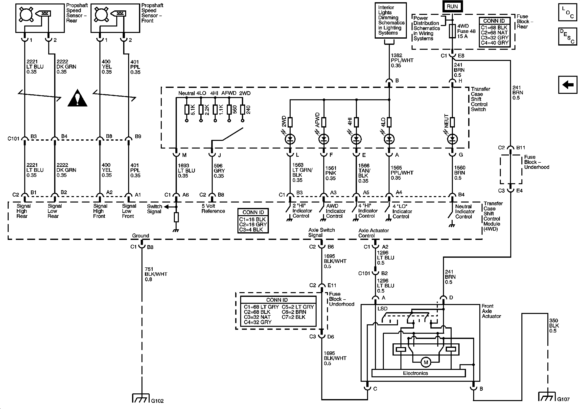
🢒 Indicators, Speed Sensors, and Front Axle Actuator
Indicators, Speed Sensors, and Front Axle Actuator
Indicators, Speed Sensors, and Front Axle Actuator
Master Electrical Component List
Transfer Case Circuit Description
Transfer Case Shift Control Module, Encoder Motor
G102, G104, G105, and G107
G102, G104, G105, and G107
AMP, SUNROOF, VENT WDO, REAR WIPER, LGM 2, SEATS, LR/RR LOCKS Fuses Fuses