GM Service Manual Online
For 1990-2009 cars only

Removal Procedure

Caution: Refer to Fuel and Evaporative Emission Pipe Caution in the Preface section.

Caution: Refer to Gasoline/Gasoline Vapors Caution in the Preface section.

  1. Relieve the fuel pressure. Refer to Fuel Pressure Relief .

  2. Object Number: 1284769  Size: SH
  3. Remove the powertrain control module (PCM) retaining bolts (3) and nuts (6).
  4. Slide the PCM off of the studs (5) and position the PCM out of the way.

  5. Object Number: 1288027  Size: SH
  6. Disconnect the engine coolant temperature sensor electrical connector (1).
  7. Notice: Refer to Fuel and Evaporative Emission Hose/Pipe Connection Cleaning Notice in the Preface section.


    Object Number: 730718  Size: SH
  8. Disconnect the fuel feed (1) and fuel return (2) pipes from the fuel rail. Refer to Metal Collar Quick Connect Fitting Service .
  9. Disconnect the evaporative emission (EVAP) purge pipe (5) from the EVAP canister purge valve.
  10. Disconnect the integral clip (3) from the wire harness bracket.

  11. Object Number: 1287309  Size: SH
  12. Position the fuel feed and return pipes (1) above the PCM studs
  13. Raise the vehicle. Refer to Lifting and Jacking the Vehicle in General Information.
  14. Use the following procedure with two wheel drive (2WD):
  15. 10.1. Remove the transmission support. Refer to Transmission Support Replacement in Frame and Underbody.
    10.2. Lower the transmission slightly.

    Object Number: 730721  Size: SH
    10.3. Remove the EVAP/fuel hose/pipe assembly retaining bolt (3) from the transmission.
    10.4. Disengage the EVAP/fuel hose/pipe assembly from the clip at the rear of the transmission.
  16. Use the following procedure with four wheel drive (4WD):
  17. 11.1. Remove the transfer case. Refer to Transfer Case Assembly Replacement in Transfer Case - NVG 226-NP8.
    11.2. Remove the transmission support. Refer to Transmission Support Replacement in Frame and Underbody.
    11.3. Lower the transmission slightly.

    Object Number: 730723  Size: SH
    11.4. Remove the EVAP/fuel hose/pipe assembly retaining bolt (3) from the transmission.
    11.5. Remove the EVAP/fuel hose/pipe assembly from the clip at the rear of the transmission.

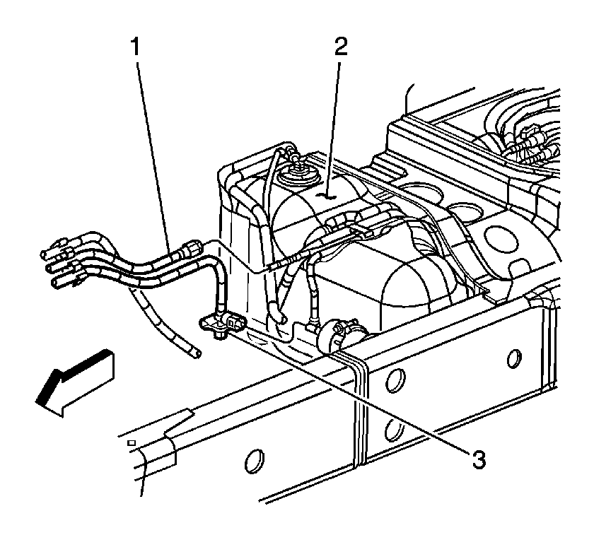
    Object Number: 730718  Size: SH
  18. Remove the EVAP/fuel hose/pipe assembly (4) from the fuel pipe clip at the rear of the engine.
  19. Disconnect the EVAP purge pipe at the fuel tank. Refer to Plastic Collar Quick Connect Fitting Service .

  20. Object Number: 730737  Size: SH
  21. Disconnect the chassis fuel return pipe (1) from the fuel tank fuel return pipe. Refer to Plastic Collar Quick Connect Fitting Service .
  22. Disconnect the chassis fuel feed pipe (3) from the fuel filter. Refer to Plastic Collar Quick Connect Fitting Service .
  23. Remove the EVAP/fuel hose/pipe assembly.

  24. Object Number: 731899  Size: SH

    Important: Note the position of the EVAP/fuel hose/pipe assembly clips before disassembly.

  25. Remove the EVAP/fuel hose/pipe assembly retaining clips.
  26. Remove the fuel feed (1), fuel return (2), or EVAP purge (3) pipe to be replaced.

Installation Procedure


    Object Number: 731899  Size: SH
  1. Place the new fuel feed (1), fuel return (2), or EVAP purge (3) pipe with the remaining pipes in the EVAP/fuel hose/pipe assembly.
  2. Install the EVAP/fuel hose/pipe assembly clips as noted during disassembly.
  3. Position the EVAP/fuel hose/pipe assembly along the engine and transmission.

  4. Object Number: 730737  Size: SH
  5. Connect the chassis fuel feed pipe (3) to the fuel filter.
  6. Connect the engine chassis fuel return pipe (1) to the fuel tank fuel return pipe.
  7. Connect the EVAP purge pipe at the fuel tank. Refer to Plastic Collar Quick Connect Fitting Service .

  8. Object Number: 730718  Size: SH
  9. Install the EVAP/fuel hose/pipe assembly (4) to the fuel pipe clip at the rear of the engine.
  10. Use the following procedure with two wheel drive (2WD):

  11. Object Number: 730721  Size: SH
    8.1. Install the EVAP/fuel hose/pipe assembly into the clip at the rear of the transmission.

    Notice: Refer to Fastener Notice in the Preface section.

    8.2. Position the EVAP/fuel hose/pipe assembly against the transmission and install the retaining bolt (3) through the EVAP/fuel hose/pipe assembly strap into the transmission.

    Tighten
    Tighten the bolt to 3.75 N·m (33 lb in).

    8.3. Raise the transmission to the normal installed position.
    8.4. Install the transmission support. Refer to Transmission Support Replacement in Frame and Underbody.
  12. Use the following procedure with four wheel drive (4WD):

  13. Object Number: 730723  Size: SH
    9.1. Install the EVAP/fuel hose/pipe assembly into the clip at the rear of the transmission.
    9.2. Position the fuel EVAP/fuel hose/pipe assembly against the transmission and install the retaining bolt (3) through the EVAP/fuel hose/pipe assembly strap into the transmission.

    Tighten
    Tighten the bolt to 3.75 N·m (33 lb in).

    9.3. Raise the transmission to the normal installed position.
    9.4. Install the transmission support. Refer to Transmission Support Replacement in Frame and Underbody.
    9.5. Install the transfer case. Refer to Transfer Case Assembly Replacement in Transfer Case - NVG 226-NP8.
  14. Lower the vehicle.

  15. Object Number: 730718  Size: SH
  16. Connect the EVAP purge pipe (5) to the EVAP canister purge valve.
  17. Connect the integral clip (3) to the wire harness bracket.
  18. Connect the fuel feed (1) and fuel return (2) pipes to the fuel rail. Refer to Metal Collar Quick Connect Fitting Service .

  19. Object Number: 1288027  Size: SH
  20. Connect the engine coolant temperature sensor electrical connector (1).

  21. Object Number: 1284769  Size: SH
  22. Install the PCM onto the studs (5).
  23. Install the PCM retaining bolts (3).
  24. Tighten
    Tighten the bolts to 8 N·m (71 lb in).

  25. Install the PCM retaining nuts (6).
  26. Tighten
    Tighten the nuts to 8 N·m (71 lb in).

  27. Connect the negative battery cable. Refer to Battery Negative Cable Disconnection and Connection in Engine Electrical.
  28. Inspect for leaks using the following procedure:
  29. 19.1. Turn ON the ignition, with the engine OFF for 2 seconds.
    19.2. Turn OFF the ignition, for 10 seconds.
    19.3. Turn ON the ignition, with the engine OFF.
    19.4. Inspect for fuel leaks.
  30. Install the fuel tank shield, if equipped. Refer to Fuel Tank Shield Replacement in Frame and Underbody.