GM Service Manual Online
For 1990-2009 cars only
Makes
🢒
Isuzu
🢒
2005
🢒
Ascender - 4WD
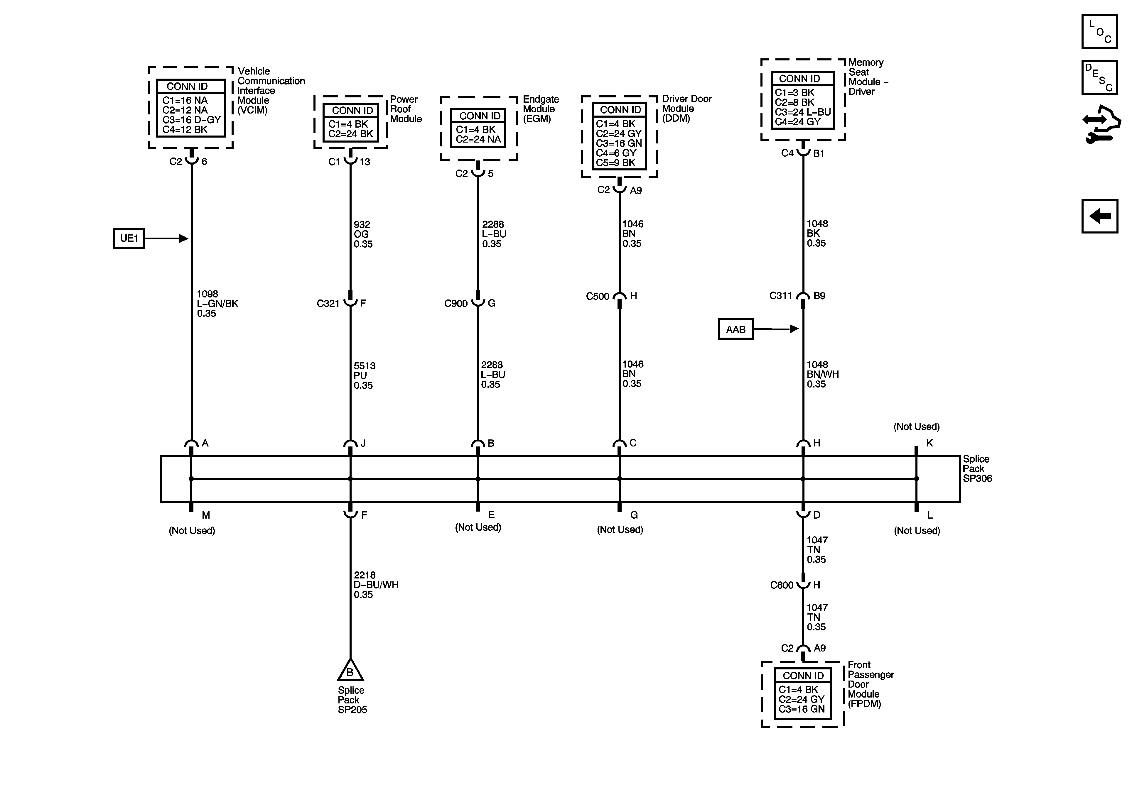
🢒 SP306 -XUV
SP306 -XUV
SP306 - XUV
Master Electrical Component List
Data Link Communications Description and Operation
Control Module References
SP306 - except XUV
SP205