GM Service Manual Online
For 1990-2009 cars only
Makes
🢒
Isuzu
🢒
2006
🢒
Ascender - 4WD
🢒
Body
🢒
Wiring Systems
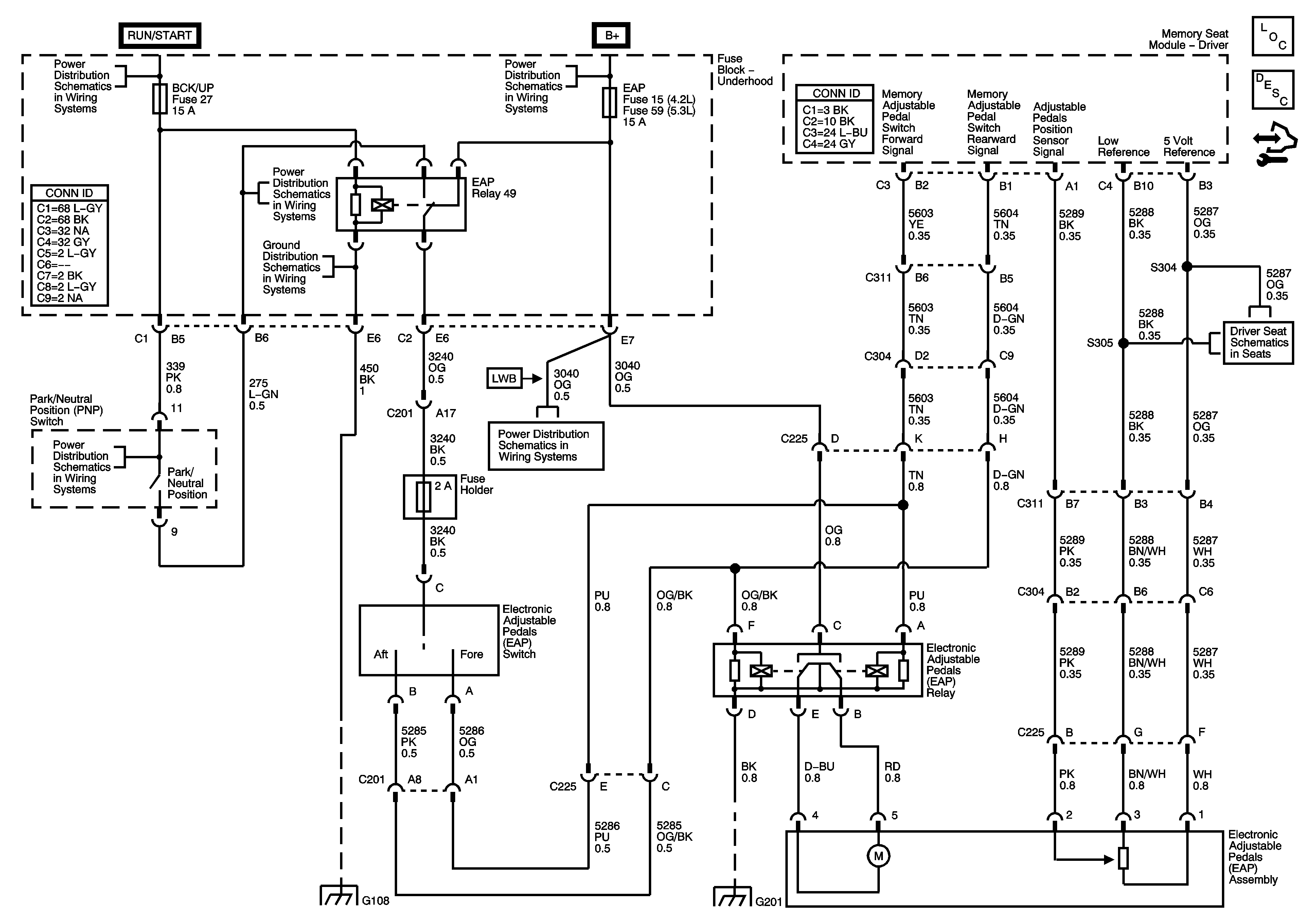
🢒 Adjustable Pedal Schematics
Master Electrical Component List
Adjustable Pedals Description and Operation
Control Module References
ACCY/RUN, RUN/START, Bus Bars, and IGN B Fuse
BCK/UP, BTSI, IGN E, TBC IGN1, and TRLR BCK/UP Fuses
Underhood Fuse Block
BCK/UP, BTSI, IGN E, TBC IGN1, and TRLR BCK/UP Fuses
AIR PUMP, EAP, ECM, HDM, HI HEADLAMP-LT, HI HEADLAMP-RT, IGN COILS, LO HEADLAMP-LT, LO HEADLAMP-RT, PCM B and TBC I Fuses
Lumbar Controls w/Memory
G108
G201 - 1 of 2