GM Service Manual Online
For 1990-2009 cars only
Makes
🢒
Isuzu
🢒
2006
🢒
Ascender - 4WD
🢒
Body
🢒
Wiring Systems
🢒 Data Link Connector Schematics
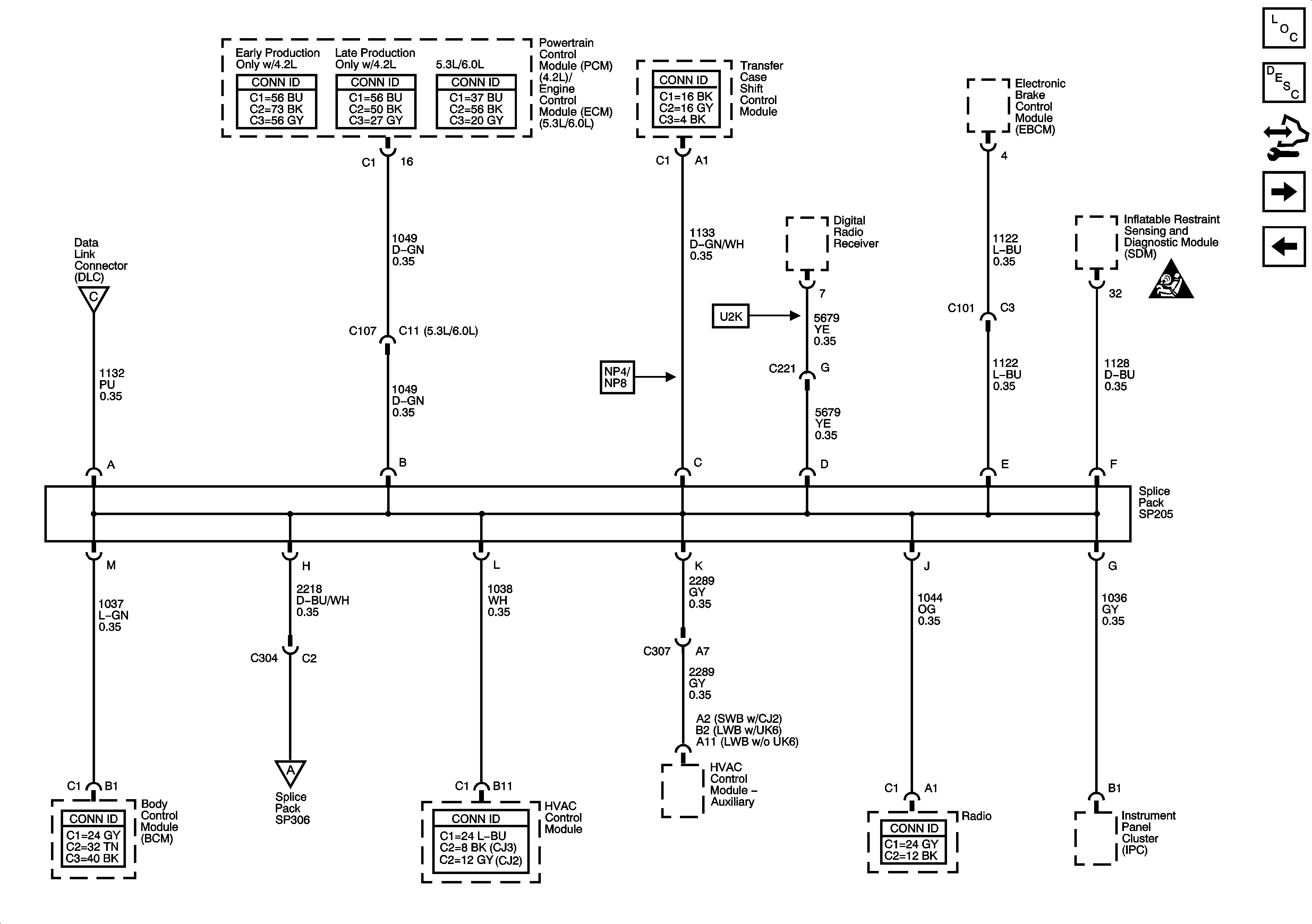
Figure
1:
Power, Ground, Data Link Connector
Master Electrical Component List
Data Link Communications Description and Operation
Control Module References
SP205
Underhood Fuse Block
ABS, ATC, BLWR, ECAS, ELEC BRK, HAZRD, IPC/DIC, LTR, STOP LAMP, TRLR, VEH CHMSL, VEH STOP, and VSES Fuses
Computer/Integrating Systems Schematic Icons
Computer/Integrating Systems Schematic Icons
Computer/Integrating Systems Schematic Icons
G102
G102
SP205
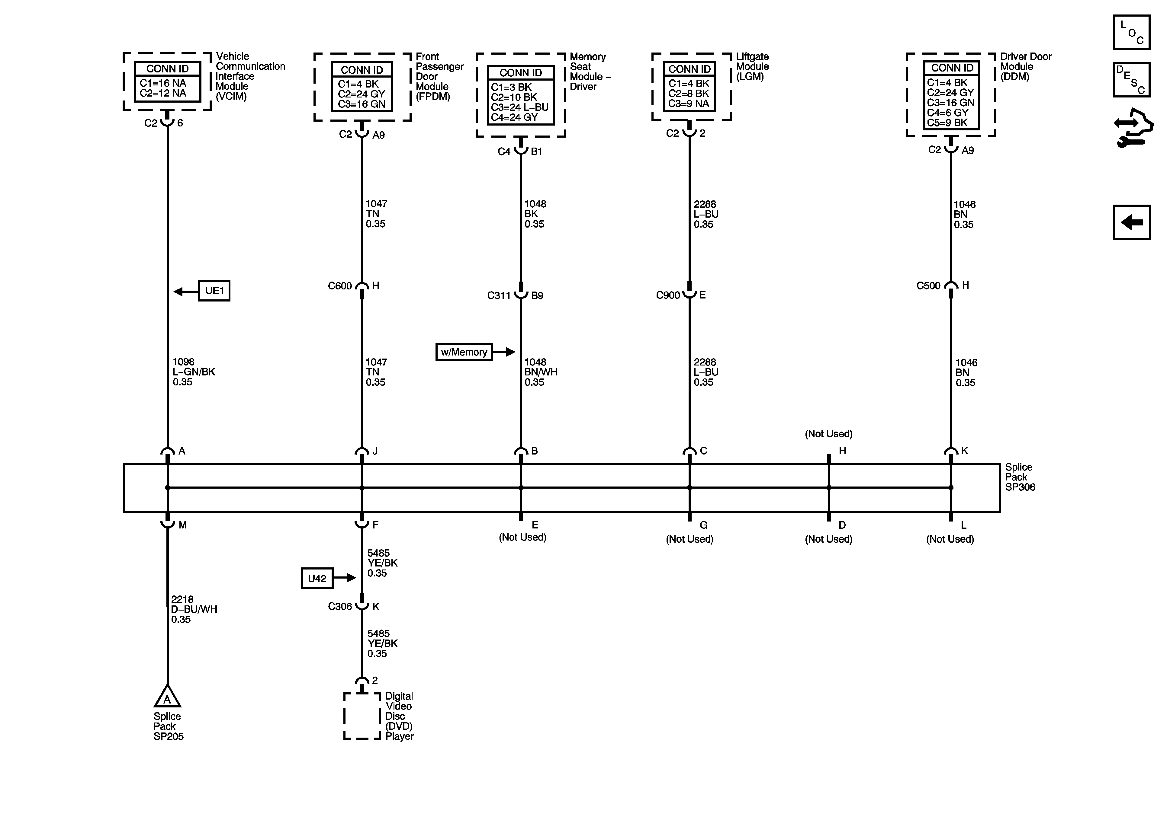
Figure
2:
SP205
Master Electrical Component List
Data Link Communications Description and Operation
Control Module References
SP306
Power, Ground, Data Link Connector
Power, Ground, Data Link Connector
Computer/Integrating Systems Schematic Icons
SP306
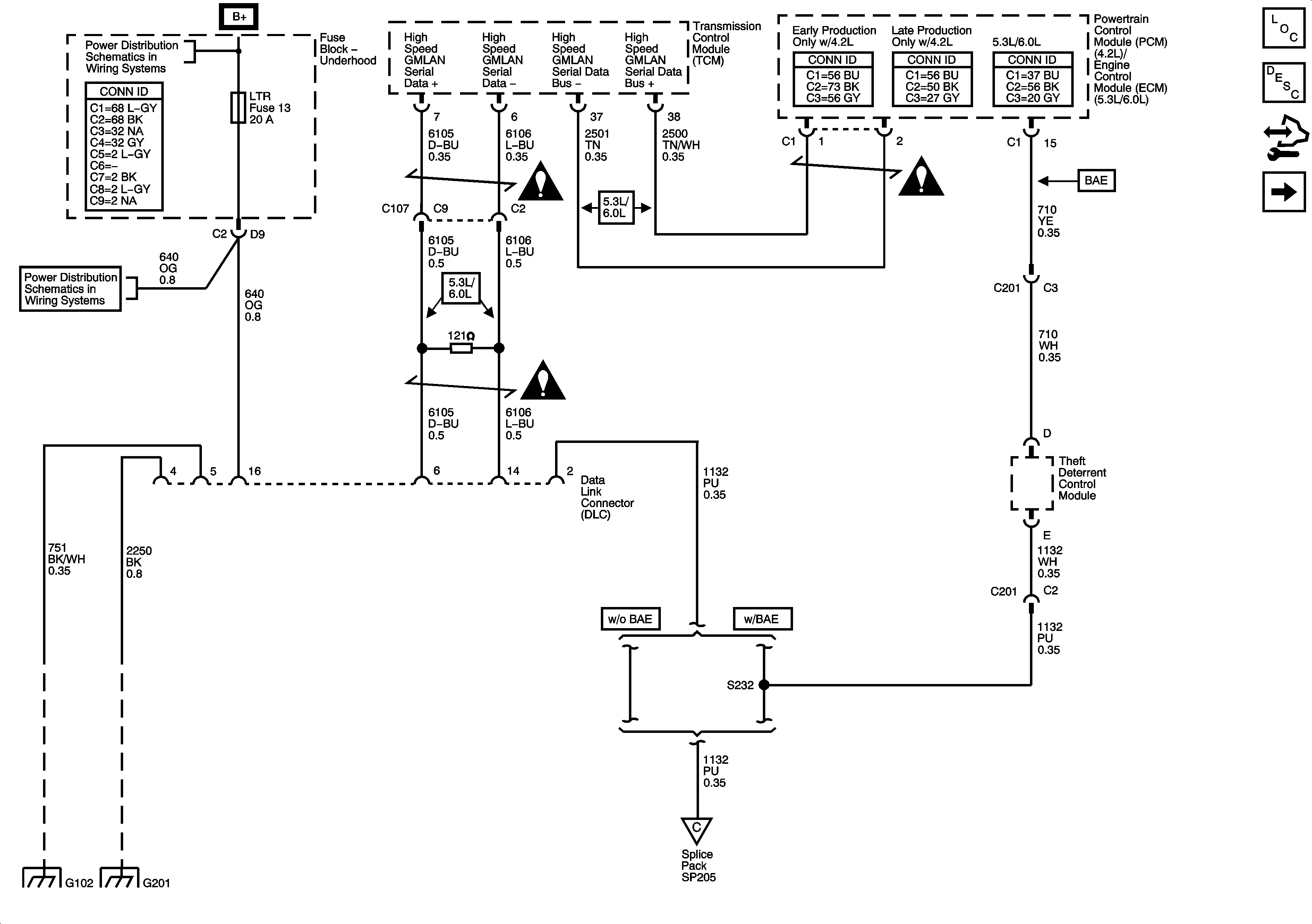
Figure
3:
SP306
Master Electrical Component List
Data Link Communications Description and Operation
Control Module References
SP205
SP205