GM Service Manual Online
For 1990-2009 cars only
Makes
🢒
Isuzu
🢒
2007
🢒
Ascender - 4WD
🢒
Diagnostic Navigation
🢒
Vehicle Diagnostic Information
🢒 Immobilizer Schematics
Figure
1:
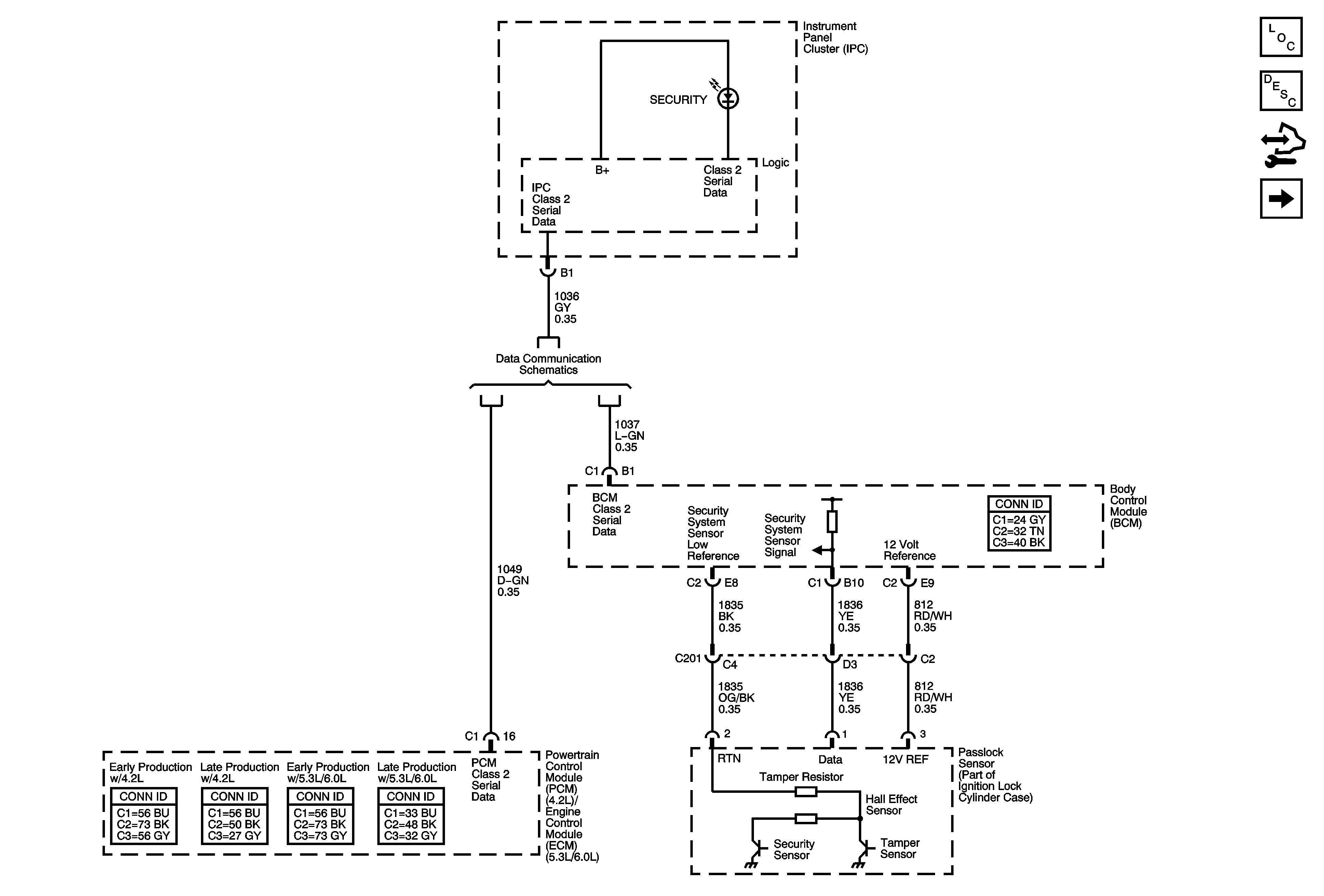
Passlock Sensor - w/o BAE
Master Electrical Component List
Immobilizer Description and Operation
Control Module References
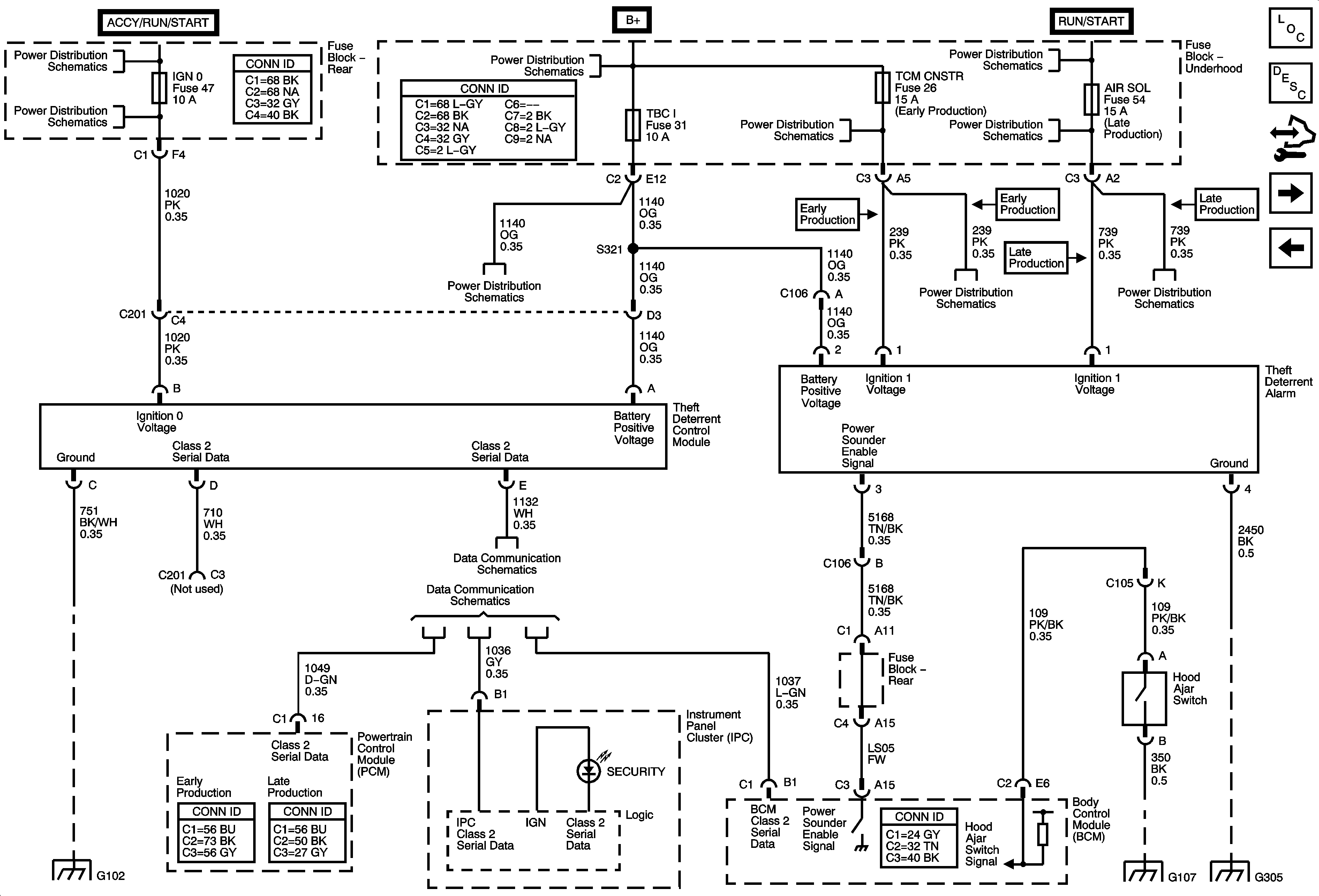
Theft Deterrent Control Module, Alarm, and Hood Ajar Switch - UA2/BAE
SP205
Figure
2:
Theft Deterrent Control Module, Alarm, and Hood Ajar Switch - UA2/BAE
Master Electrical Component List
Immobilizer Description and Operation
Control Module References
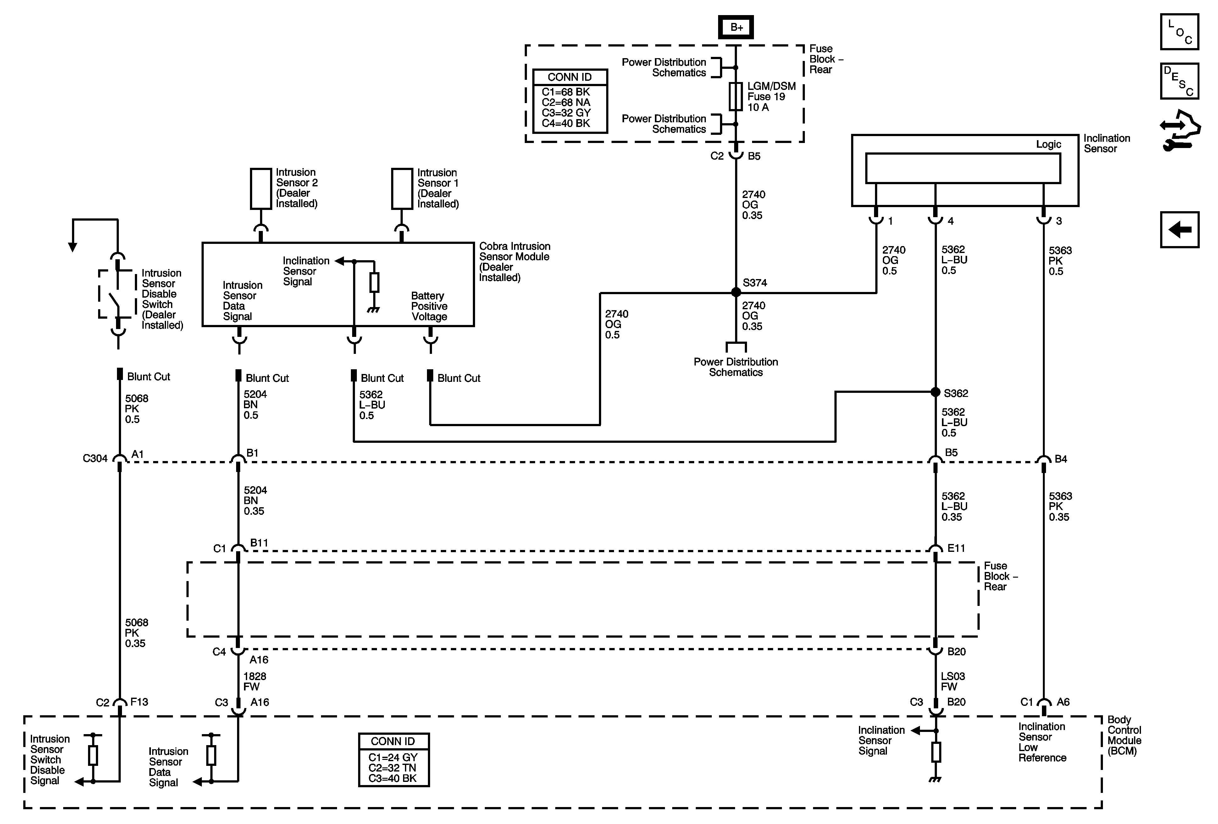
Intrusion and Indication Sensor Signals - UA2/BAE
Passlock Sensor - w/o BAE
Ignition Switch - ACCY/RUN/START, RUN, and START Bus Bars, IGN A and CRNK Fuses
FRT WPR, IGN 0, RAIN, TBC ACC, TBC IG, and TCM Fuses
B+ Bus - Underhood Fuse Block
`AIR PUMP, EAP, ECM, HDM, HI HEADLAMP - LT, HI HEADLAMP - RT, IGN COILS, LO HEADLAMP - LT, LO HEADLAMP - RT, PCM B AND TBC I Fuses
Power, Ground, and Data Link Connector
G102
G104, G105, and G107
G201 - 2 of 2, and G305
SP205
AUX PWR 1, RR HVAC, SUNROOF, TBC 2, TBC 3, TBC 4, TBC 5, and TCM CNSTR Fuses
Ignition Switch - ACCY/RUN, RUN/START Bus Bars and IGN B Fuse
AIR SOL and PCMI Fuses - 4.2L
AUX PWR 1, RR HVAC, SUNROOF, TBC 2, TBC 3, TBC 4, TBC 5, and TCM CNSTR Fuses
AIR SOL and PCMI Fuses - 4.2L
Figure
3:
Intrusion and Indication Sensor Signals - UA2/BAE
Master Electrical Component List
Immobilizer Description and Operation
Control Module References
Theft Deterrent Control Module, Alarm, and Hood Ajar Switch - UA2/BAE
B+ Bus - Rear Fuse Block
HVAC B, LGM/DSM, OH BATT/ONSTAR, and RADIO Fuses
HVAC B, LGM/DSM, OH BATT/ONSTAR, and RADIO Fuses