GM Service Manual Online
For 1990-2009 cars only
Makes
🢒
Isuzu
🢒
2007
🢒
Ascender - 4WD
🢒
Body Systems
🢒
Fixed and Moveable Windows
🢒 Moveable Window Schematics
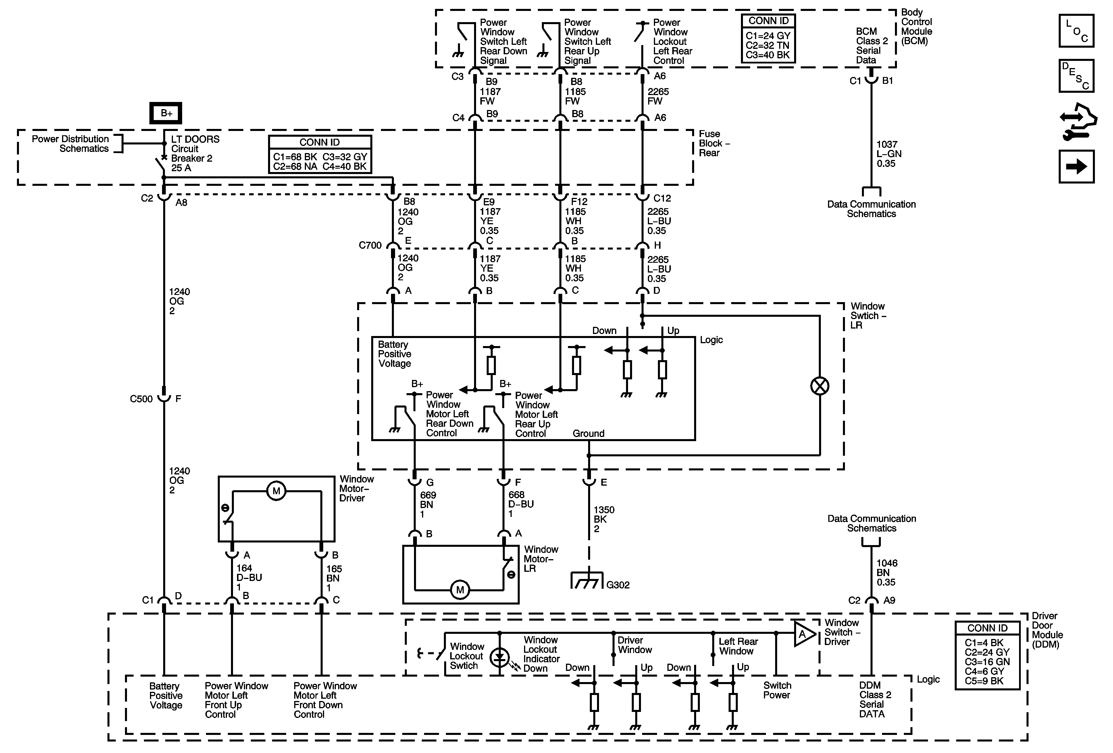
Figure
1:
Power Windows - Left
Master Electrical Component List
Power Windows Description and Operation
Control Module References
Power Windows - Right
B+ Bus - Rear Fuse Block
SP205
SP306
G302 - 1 of 2, G303, and G304
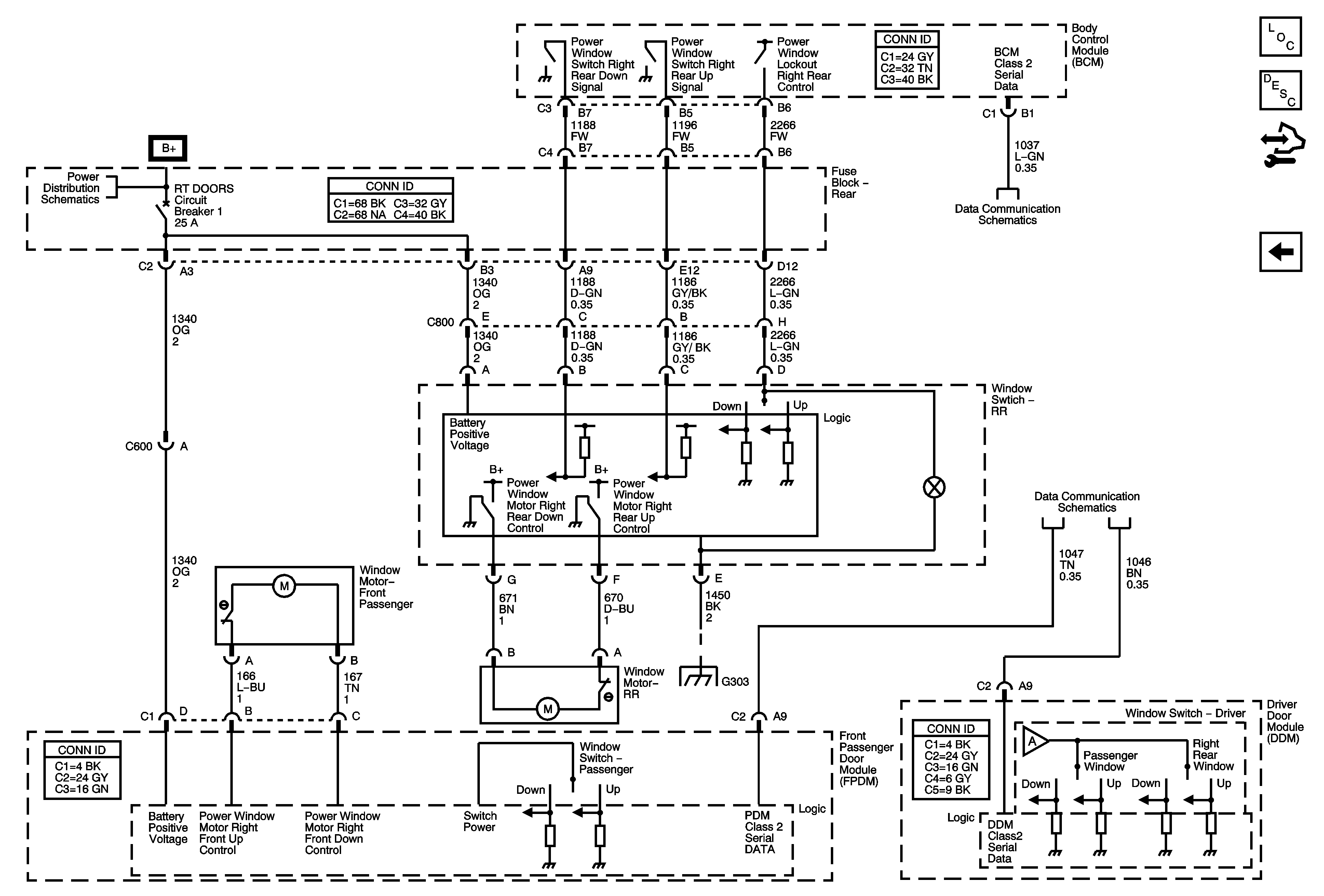
Power Windows - Right
Figure
2:
Power Windows - Right
Master Electrical Component List
Power Windows Description and Operation
Control Module References
Power Windows - Left
B+ Bus - Rear Fuse Block
SP205
SP306
G302 - 1 of 2, G303, and G304
Power Windows - Left