GM Service Manual Online
For 1990-2009 cars only
Makes
🢒
Isuzu
🢒
2007
🢒
Ascender - 4WD
🢒
Transmission/Transaxle
🢒
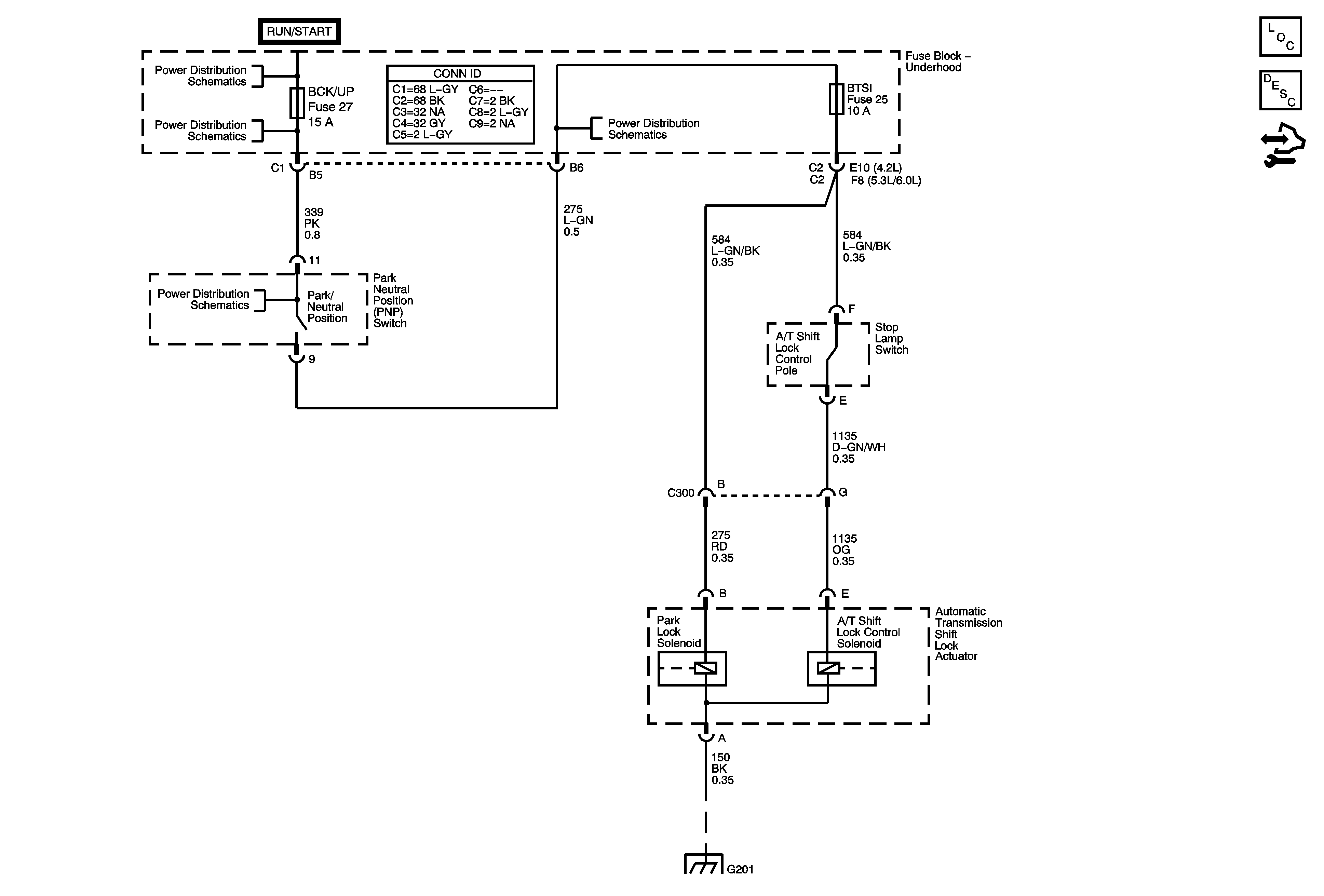
Shift Lock Control
🢒 Shift Lock Control Schematics
Master Electrical Component List
Automatic Transmission Shift Lock Control Description and Operation
Control Module References
Ignition Switch - ACCY/RUN, RUN/START Bus Bars and IGN B Fuse
BCK/UP, BTSI, IGN E, TBC IGN 1, and TRLR BCK/UP Fuses
BCK/UP, BTSI, IGN E, TBC IGN 1, and TRLR BCK/UP Fuses
BCK/UP, BTSI, IGN E, TBC IGN 1, and TRLR BCK/UP Fuses
G201 - 1 of 2