GM Service Manual Online
For 1990-2009 cars only
Makes
🢒
Isuzu
🢒
2007
🢒
Ascender - 4WD
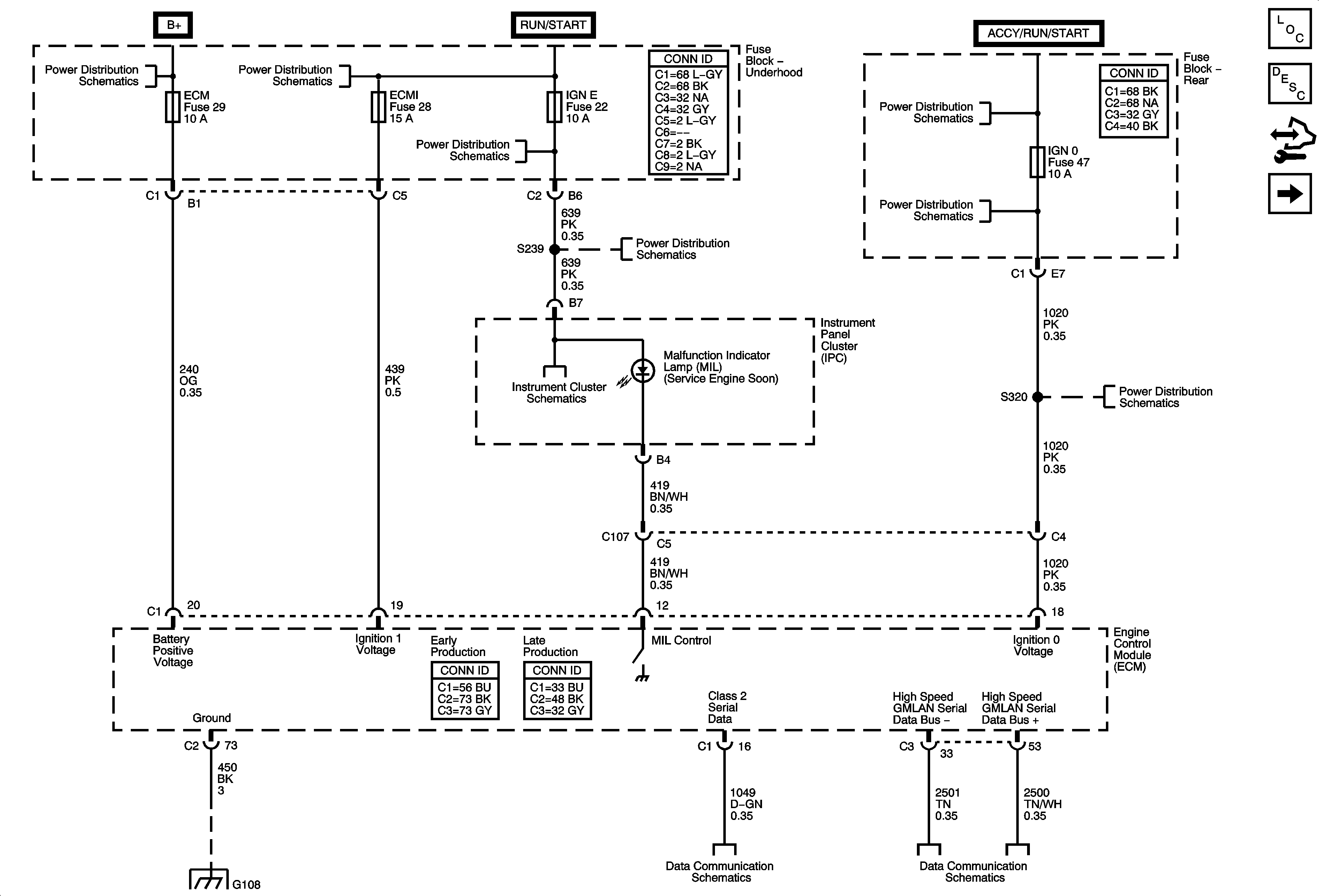
🢒 Module Power, Ground, Serial Data, and MIL
Module Power, Ground, Serial Data, and MIL
Module Power, Ground, Serial Data, and MIL
Master Electrical Component List
Engine Control Module Description
Control Module References
Underhood Fuse Block - PWR/TRN Relay - 1 of 2
B+ Bus - Underhood Fuse Block
Ignition Switch - ACCY/RUN, RUN/START Bus Bars and IGN B Fuse
BCK/UP, BTSI, IGN E, TBC IGN 1, and TRLR BCK/UP Fuses
BCK/UP, BTSI, IGN E, TBC IGN 1, and TRLR BCK/UP Fuses
Power, Ground, Serial Data, and MIL
Ignition Switch - ACCY/RUN/START, RUN, and START Bus Bars, IGN A and CRNK Fuses
FRT WPR, IGN 0, RAIN, TBC ACC, TBC IG, and TCM Fuses
FRT WPR, IGN 0, RAIN, TBC ACC, TBC IG, and TCM Fuses
G108
SP205
Power, Ground, and Data Link Connector