GM Service Manual Online
For 1990-2009 cars only
Makes
🢒
Isuzu
🢒
2007
🢒
Ascender - 4WD
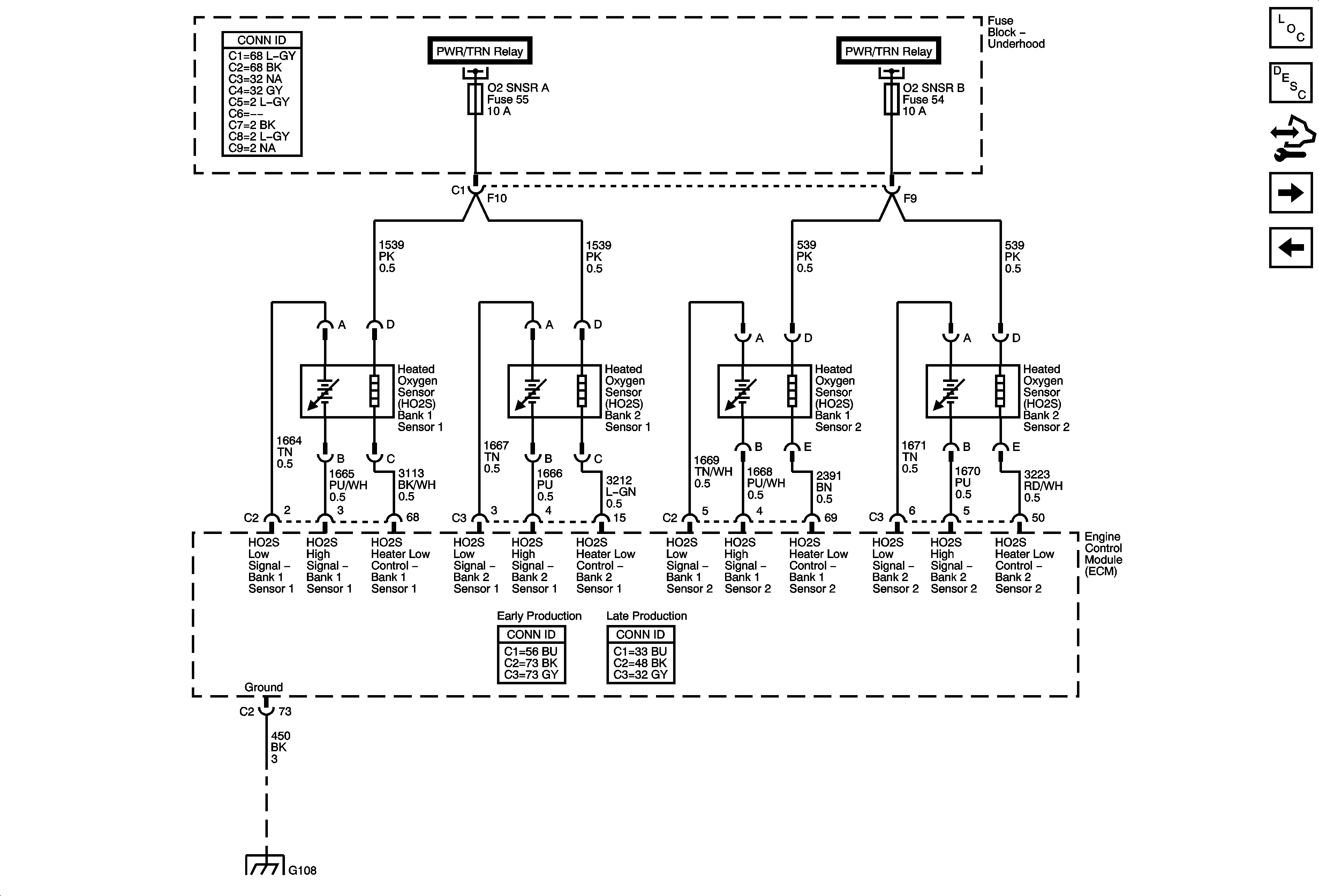
🢒 Engine Data Sensors - Oxygen Sensors
Engine Data Sensors - Oxygen Sensors
Engine Data Sensors - Oxygen Sensors
Master Electrical Component List
Fuel System Description
Control Module References
Engine Data Sensors - Throttle Actuator Controls
MAF, Pressure, Temperature, and VSS
Underhood Fuse Block - PWR/TRN Relay - 2 of 2
G108