GM Service Manual Online
For 1990-2009 cars only
Makes
🢒
Isuzu
🢒
2007
🢒
Ascender - 4WD
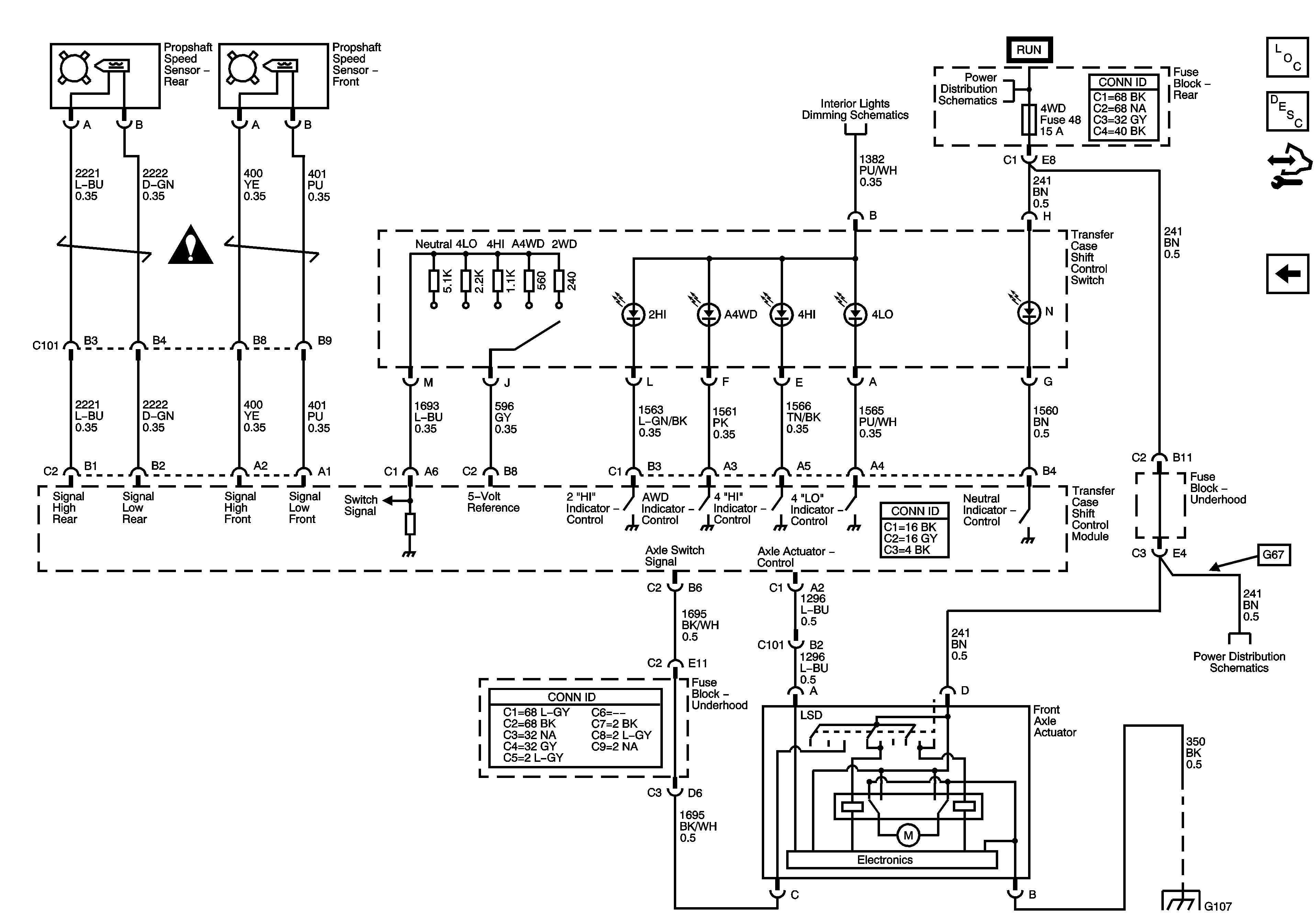
🢒 Speed Signal, Front Axle Actuator and Indicators
Speed Signal, Front Axle Actuator and Indicators
Speed Signal, Front Axle Actuator and Indicators
Master Electrical Component List
Control Module References
Power, Ground, Serial Data, and Transfer Case Encoder Motor
Transfer Case Control Schematic Icons
Courtesy Lamp Supply
Ignition Switch - ACCY/RUN/START, RUN, and START Bus Bars, IGN A and CRNK Fuses
4WD, AIRBAG, ECMI, HVAC, and TRANS Fuses
G104, G105, and G107