GM Service Manual Online
For 1990-2009 cars only
Makes
🢒
Isuzu
🢒
2008
🢒
Ascender - 4WD
🢒
Engine
🢒
Engine Mechanical - 4.2L
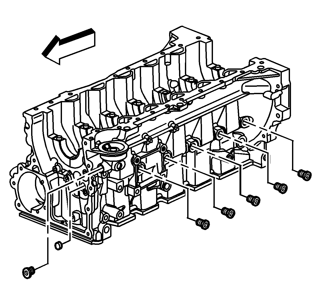
🢒 Engine Block Plug Removal
Remove the engine block oil gallery plugs.
Remove the engine block oil gallery plug from rear of block.
Remove the crankshaft position sensor.
Remove the knock sensors.
Remove the EVAP solenoid.
Remove the coolant temperature sensor.