GM Service Manual Online
For 1990-2009 cars only
Makes
🢒
Isuzu
🢒
2008
🢒
Ascender - 4WD
🢒
Suspension
🢒
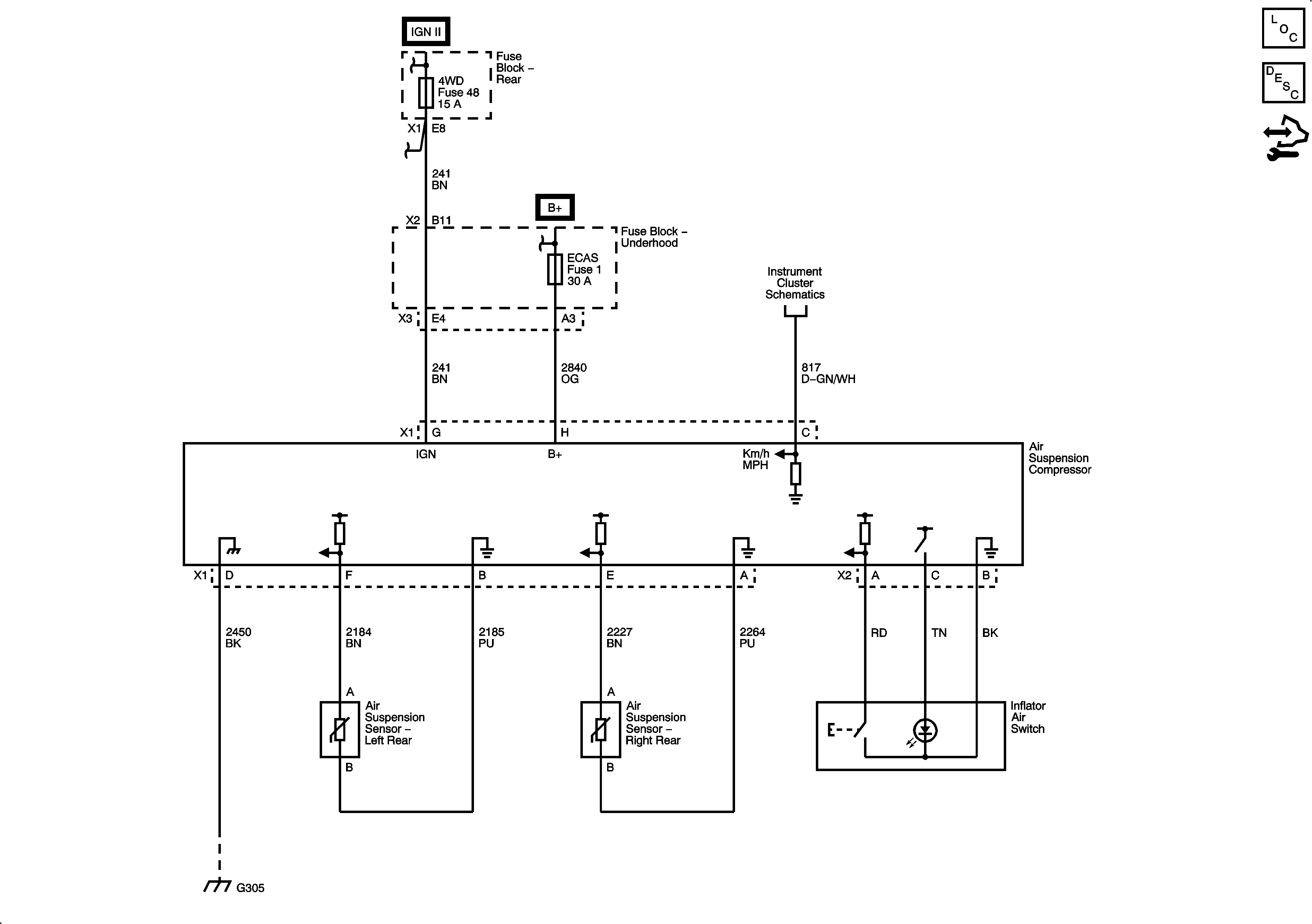
Air Suspension
🢒 Air Suspension Schematics
Master Electrical Component List
Air Suspension Description and Operation
Control Module References