GM Service Manual Online
For 1990-2009 cars only
Figure 1:

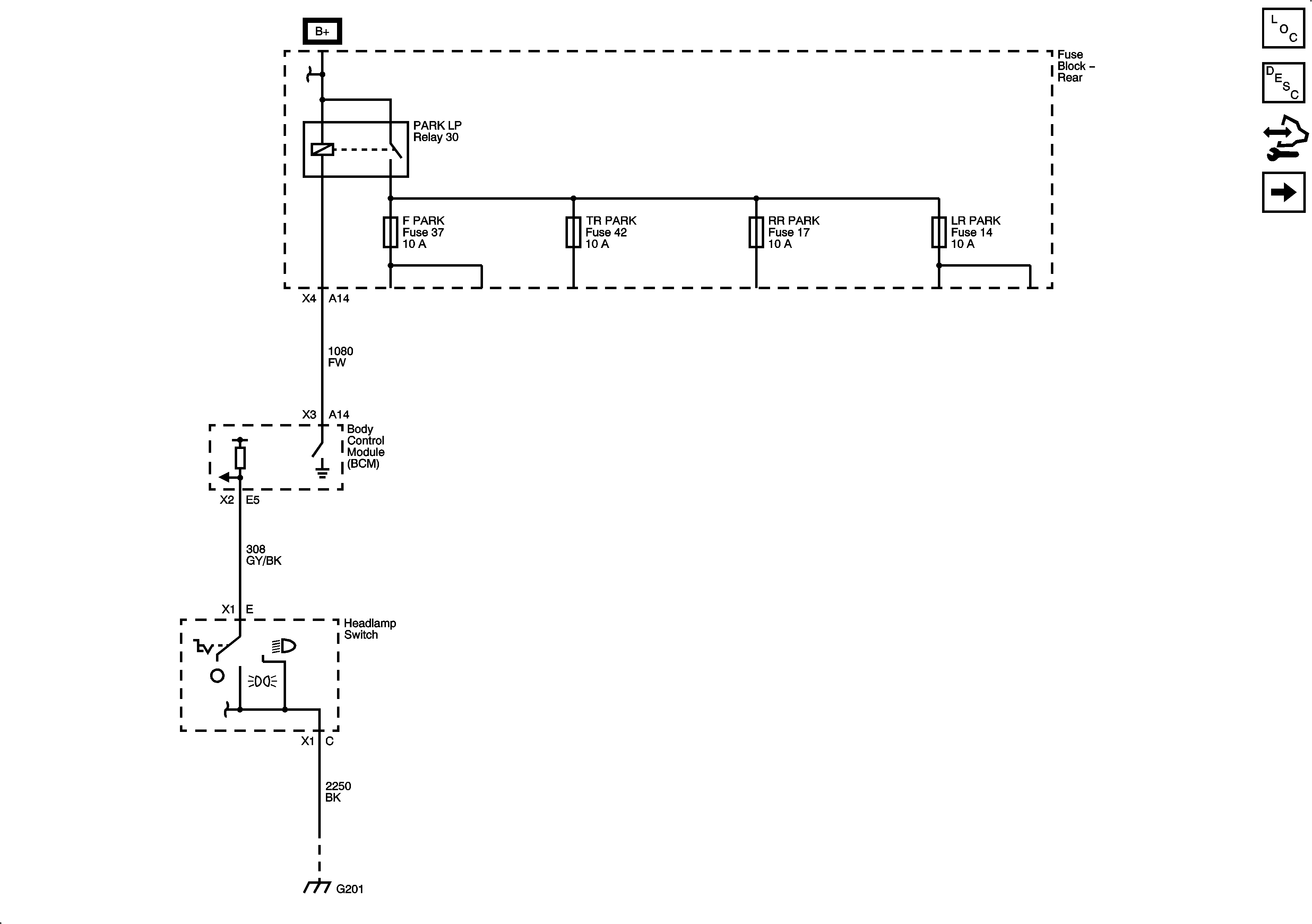
Park Lamp Relay


Object Number: 1923676  Size: FS
Master Electrical Component List
Exterior Lighting Systems Description and Operation
Control Module References
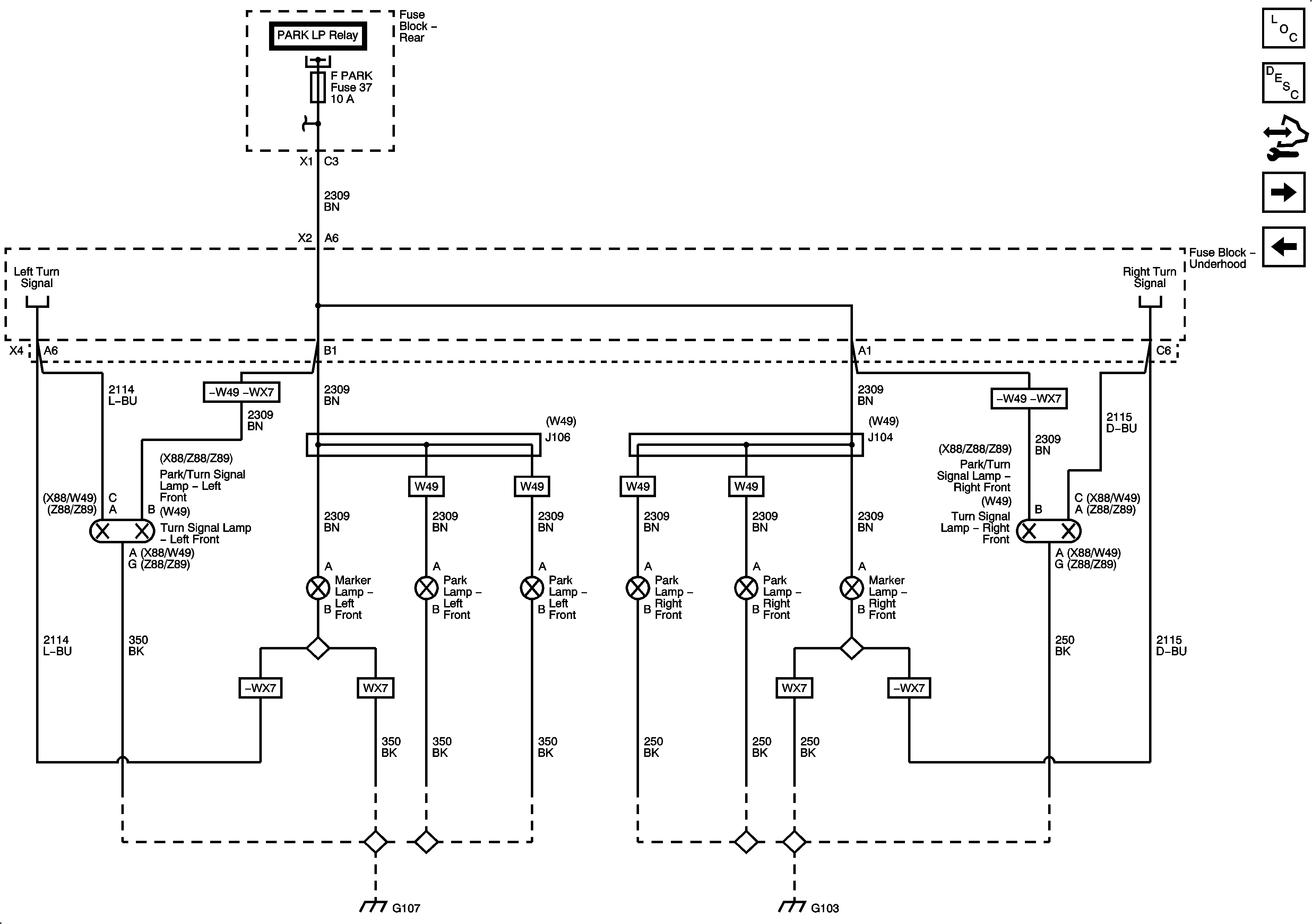
Marker and Front Park Lamps
Figure 2:

Marker and Front Park Lamps


Object Number: 1923678  Size: FS
Master Electrical Component List
Exterior Lighting Systems Description and Operation
Control Module References
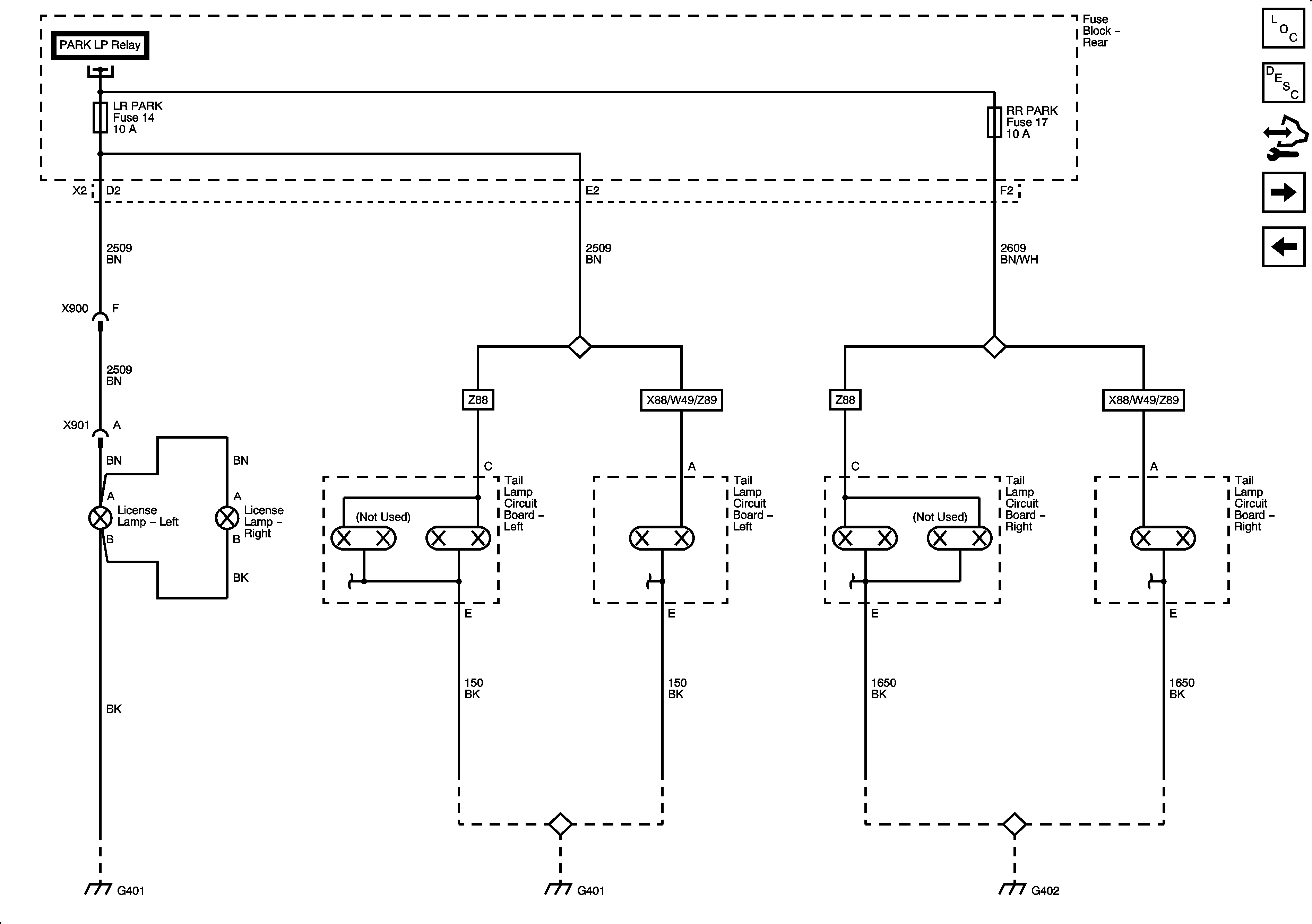
License and Rear Park Lamps
Park Lamp Relay
Figure 3:

License and Rear Park Lamps


Object Number: 1923679  Size: FS
Master Electrical Component List
Exterior Lighting Systems Description and Operation
Control Module References
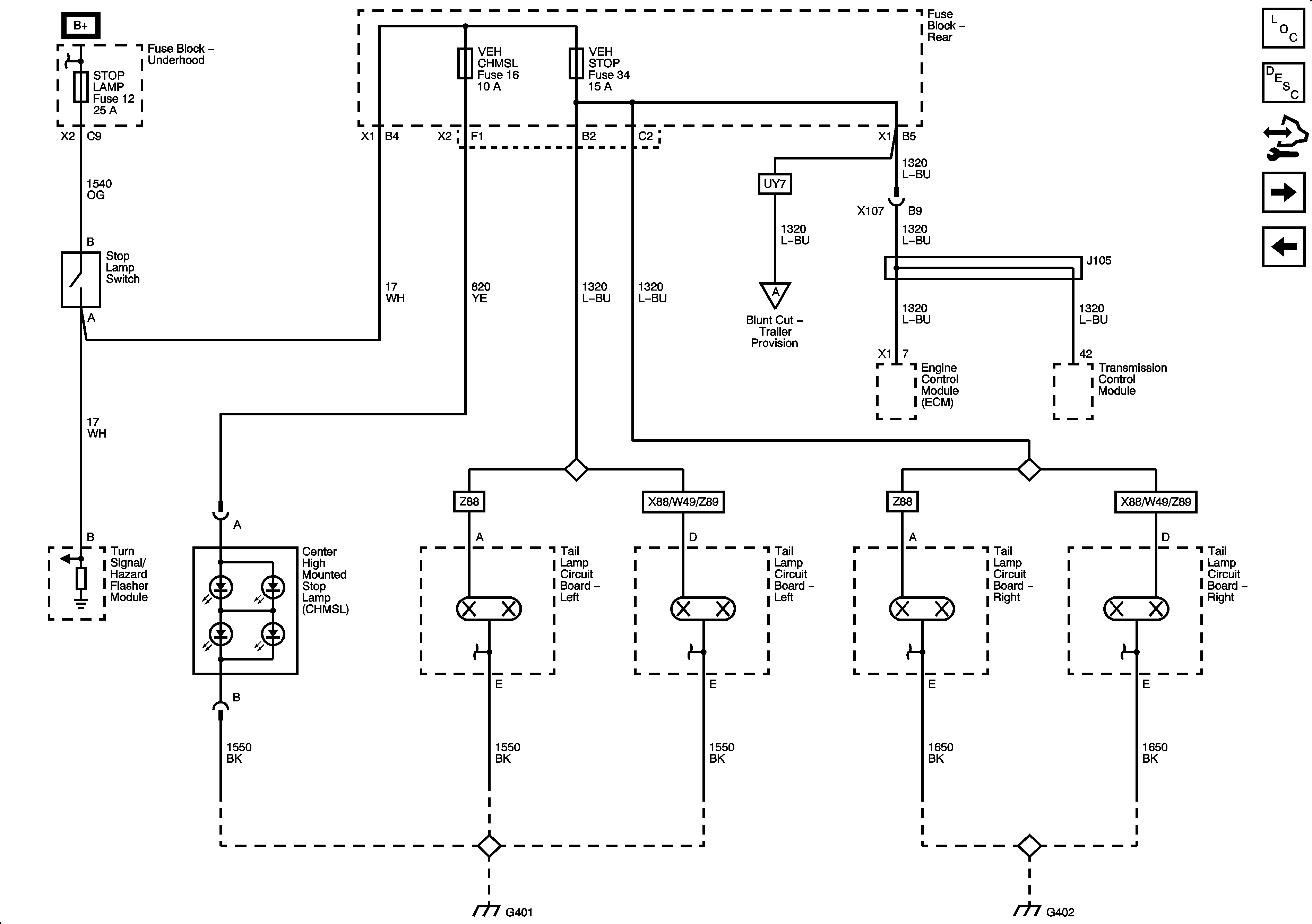
Stop Lamps
Marker and Front Park Lamps
Figure 4:

Stop Lamps


Object Number: 1923681  Size: FS
Master Electrical Component List
Exterior Lighting Systems Description and Operation
Control Module References
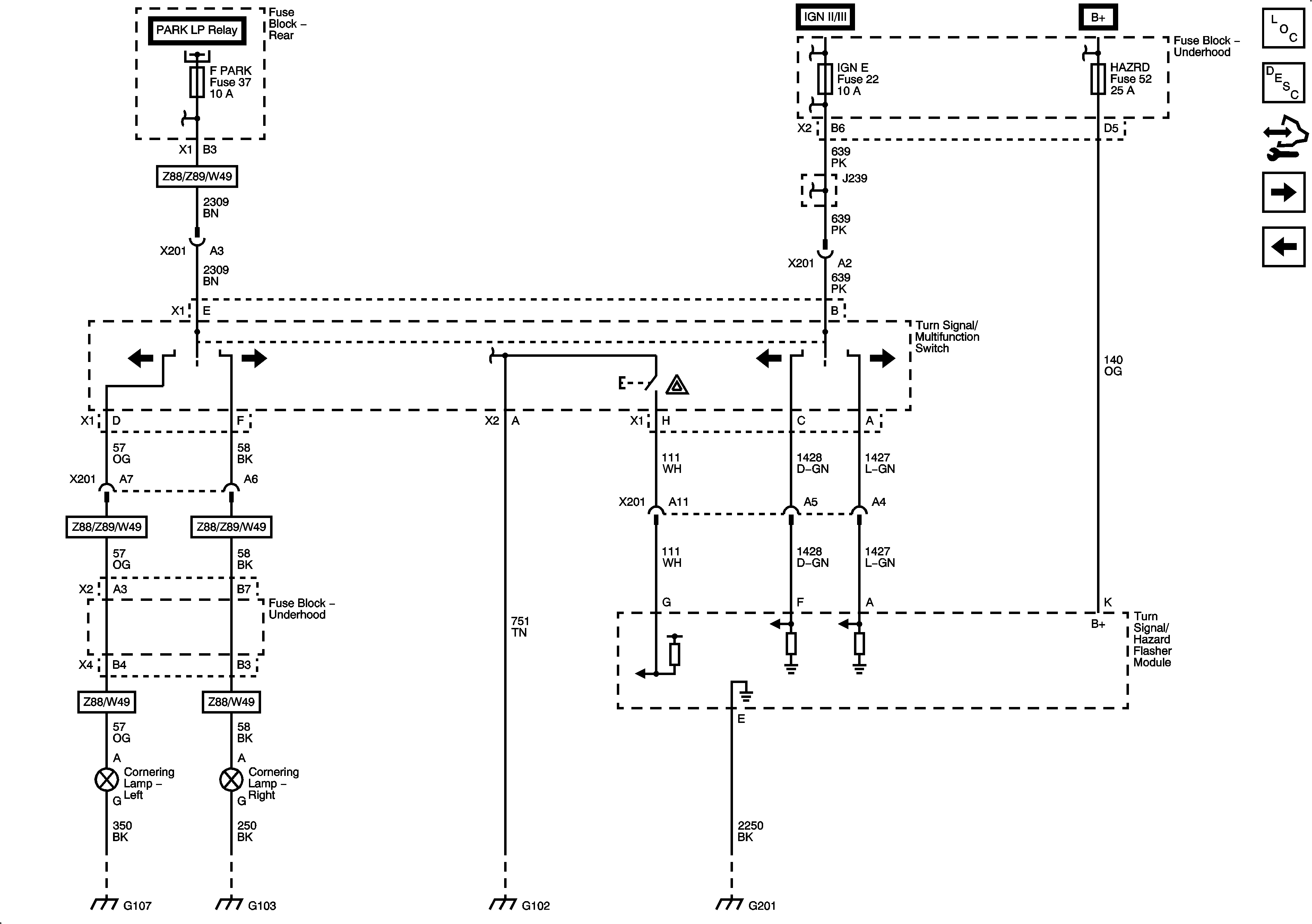
Turn Signal/Multifunction Switch and Cornering Lamps
License and Rear Park Lamps
Figure 5:

Turn Signal/Multifunction Switch and Cornering Lamps


Object Number: 1923682  Size: FS
Master Electrical Component List
Exterior Lighting Systems Description and Operation
Control Module References
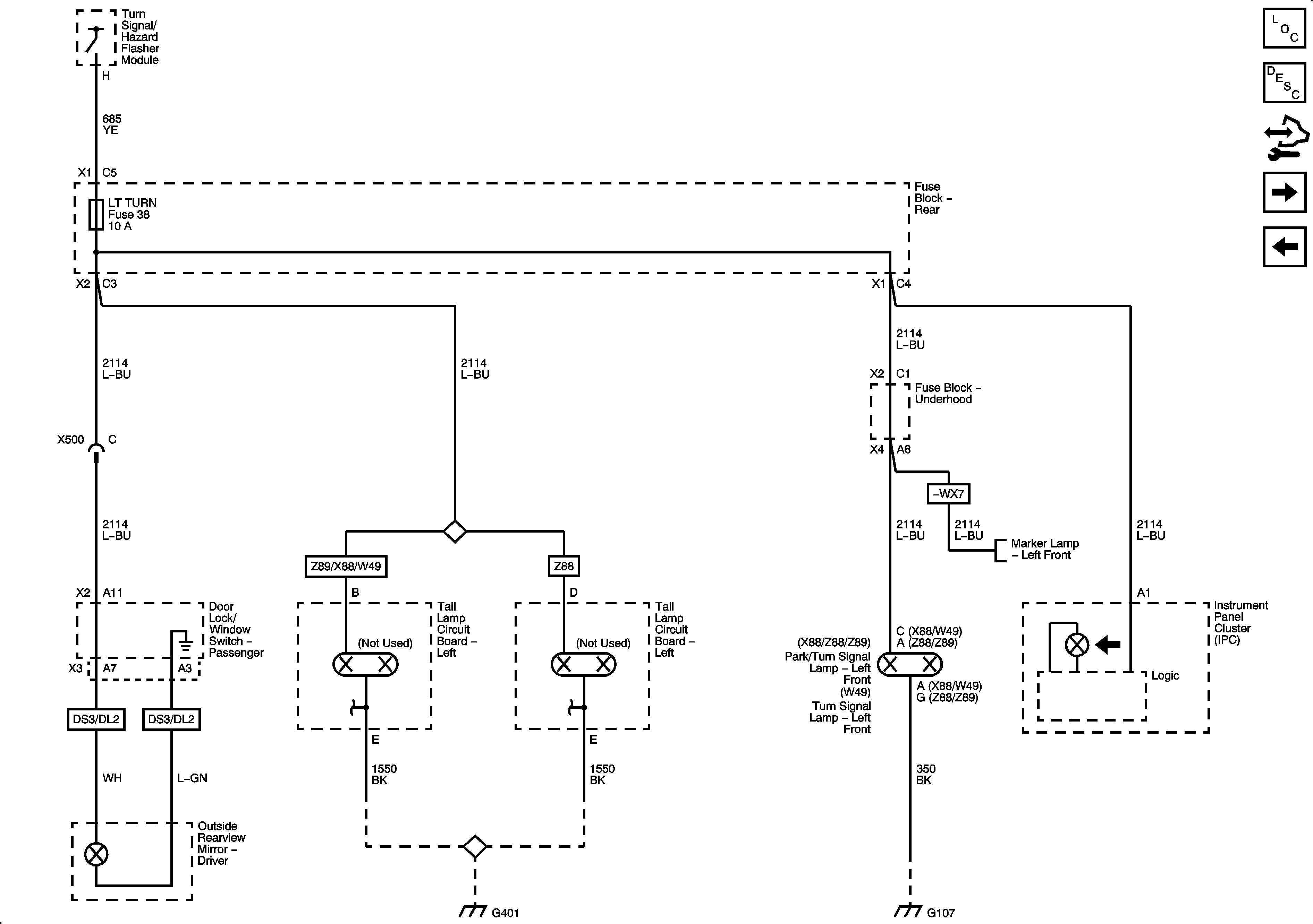
Left Turn Signals
Stop Lamps
Figure 6:

Left Turn Signals


Object Number: 1923683  Size: FS
Master Electrical Component List
Exterior Lighting Systems Description and Operation
Control Module References
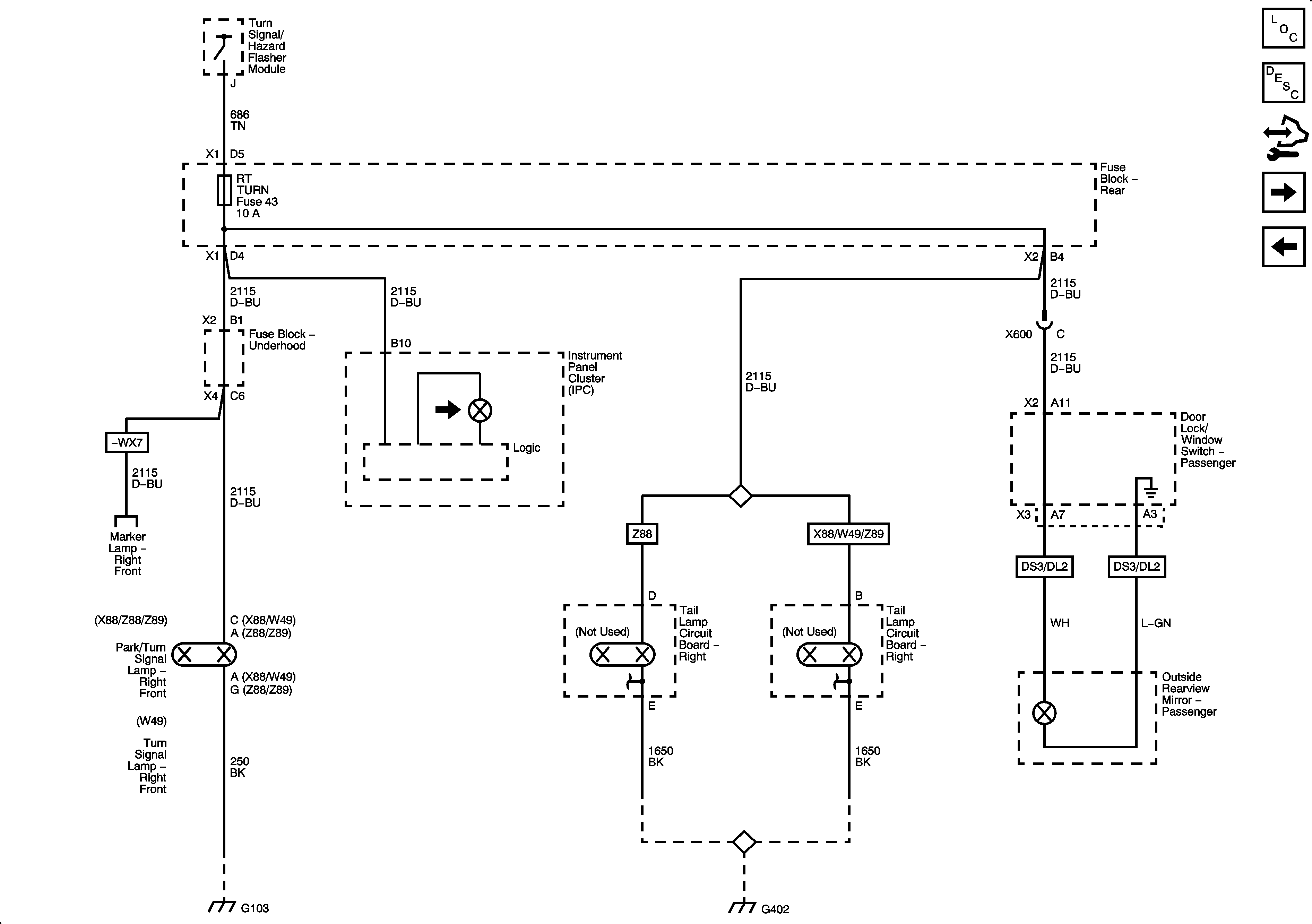
Right Turn Signals
Turn Signal/Multifunction Switch and Cornering Lamps
Figure 7:

Right Turn Signals


Object Number: 1923684  Size: FS
Master Electrical Component List
Exterior Lighting Systems Description and Operation
Control Module References
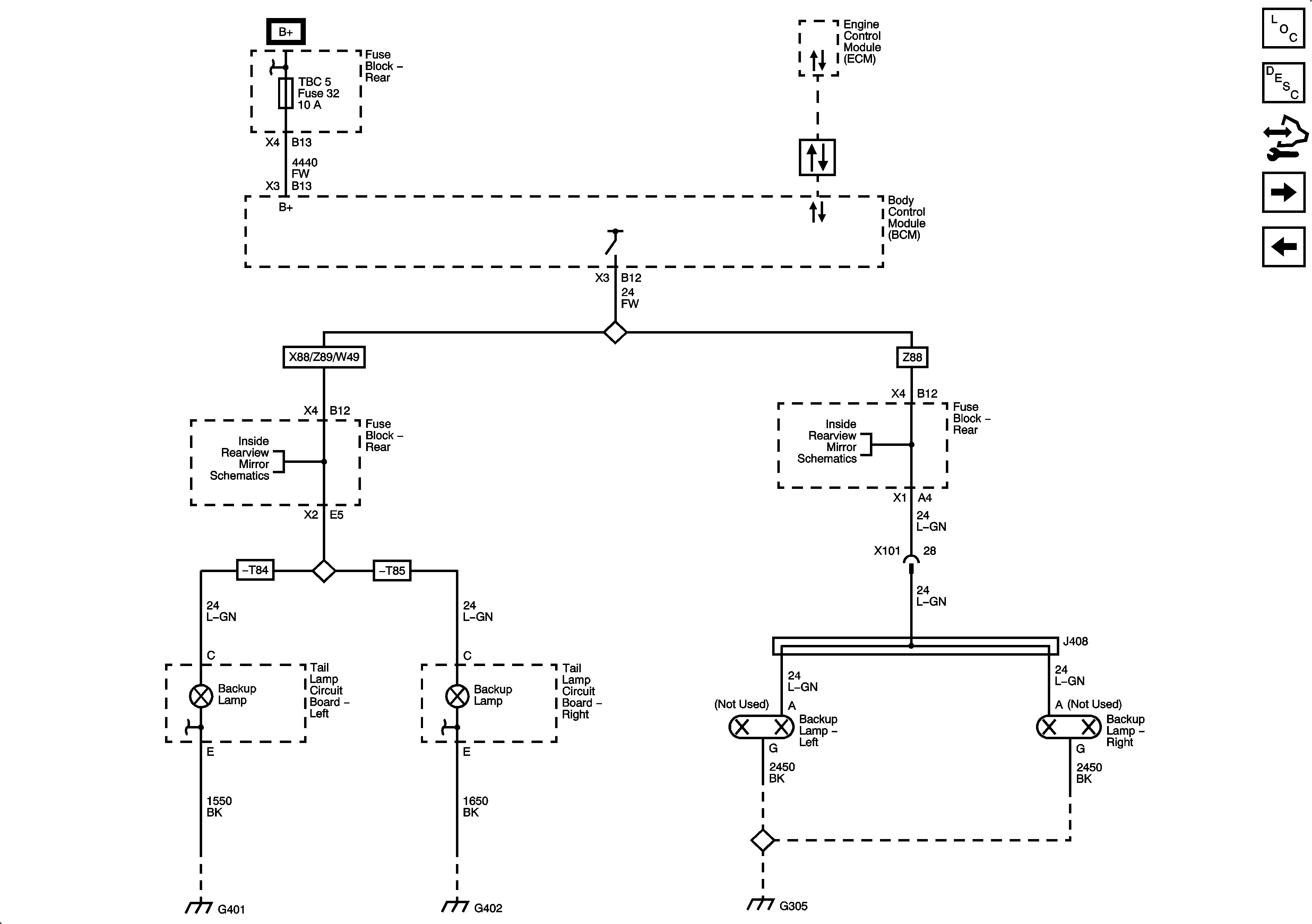
Backup Lamps
Left Turn Signals
Figure 8:

Backup Lamps


Object Number: 1923685  Size: FS
Master Electrical Component List
Exterior Lighting Systems Description and Operation
Control Module References
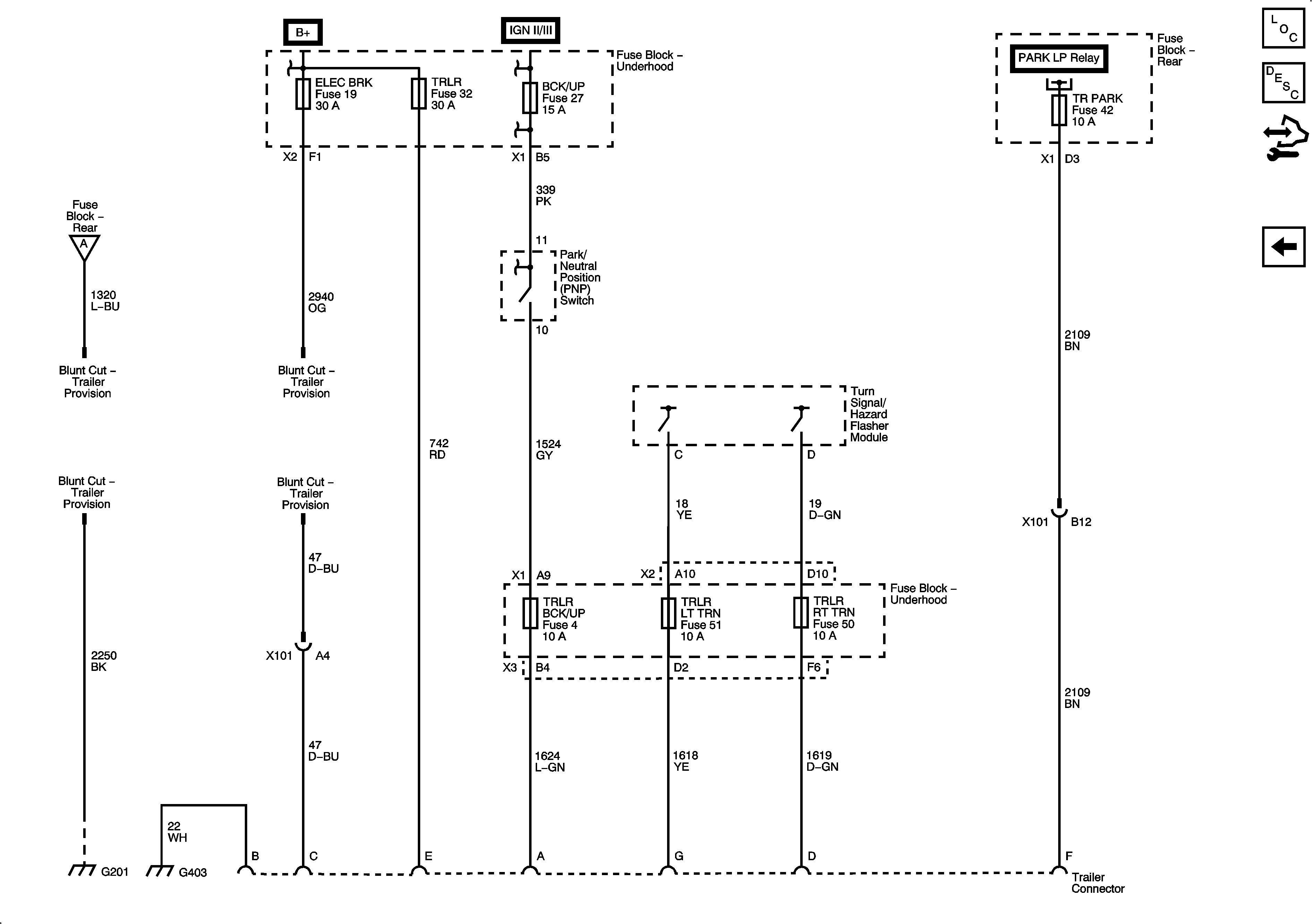
Trailer Wiring - UY7
Right Turn Signals
Figure 9:

Trailer Wiring - UY7


Object Number: 1923688  Size: FS
Master Electrical Component List
Exterior Lighting Systems Description and Operation
Control Module References
Backup Lamps