GM Service Manual Online
For 1990-2009 cars only
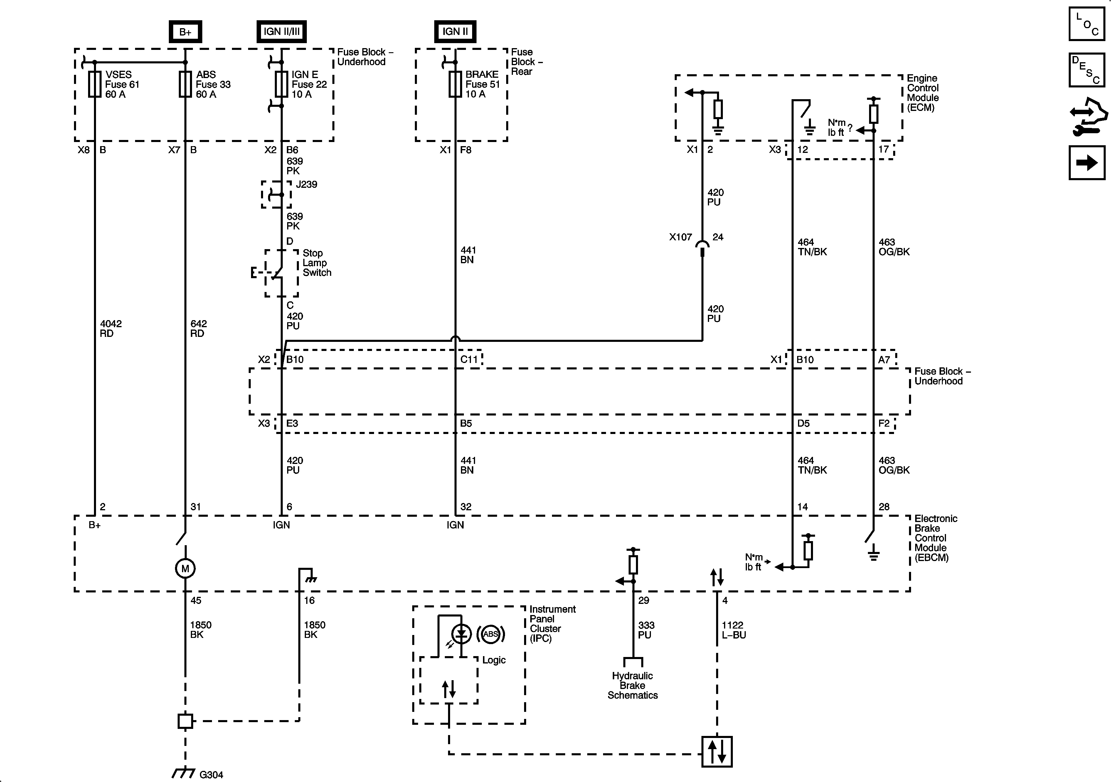
Figure 1:

EBCM Power, Ground, Serial Data, Indicator, and Signal Circuits


Object Number: 2081502  Size: FS
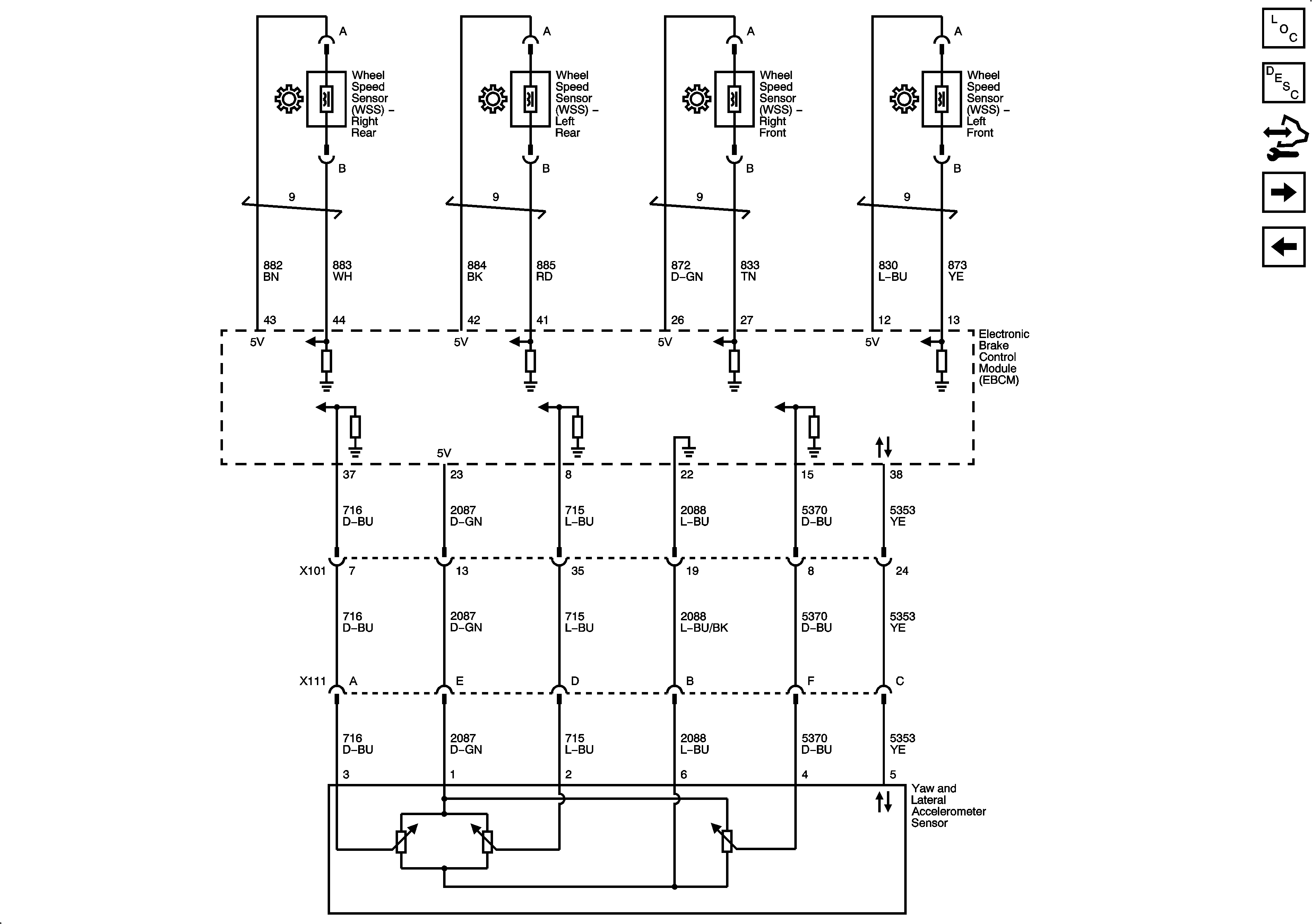
Figure 2:

Wheel Speed Sensors and Yaw Rate/Lateral Acceleration Sensor


Object Number: 2081504  Size: FS
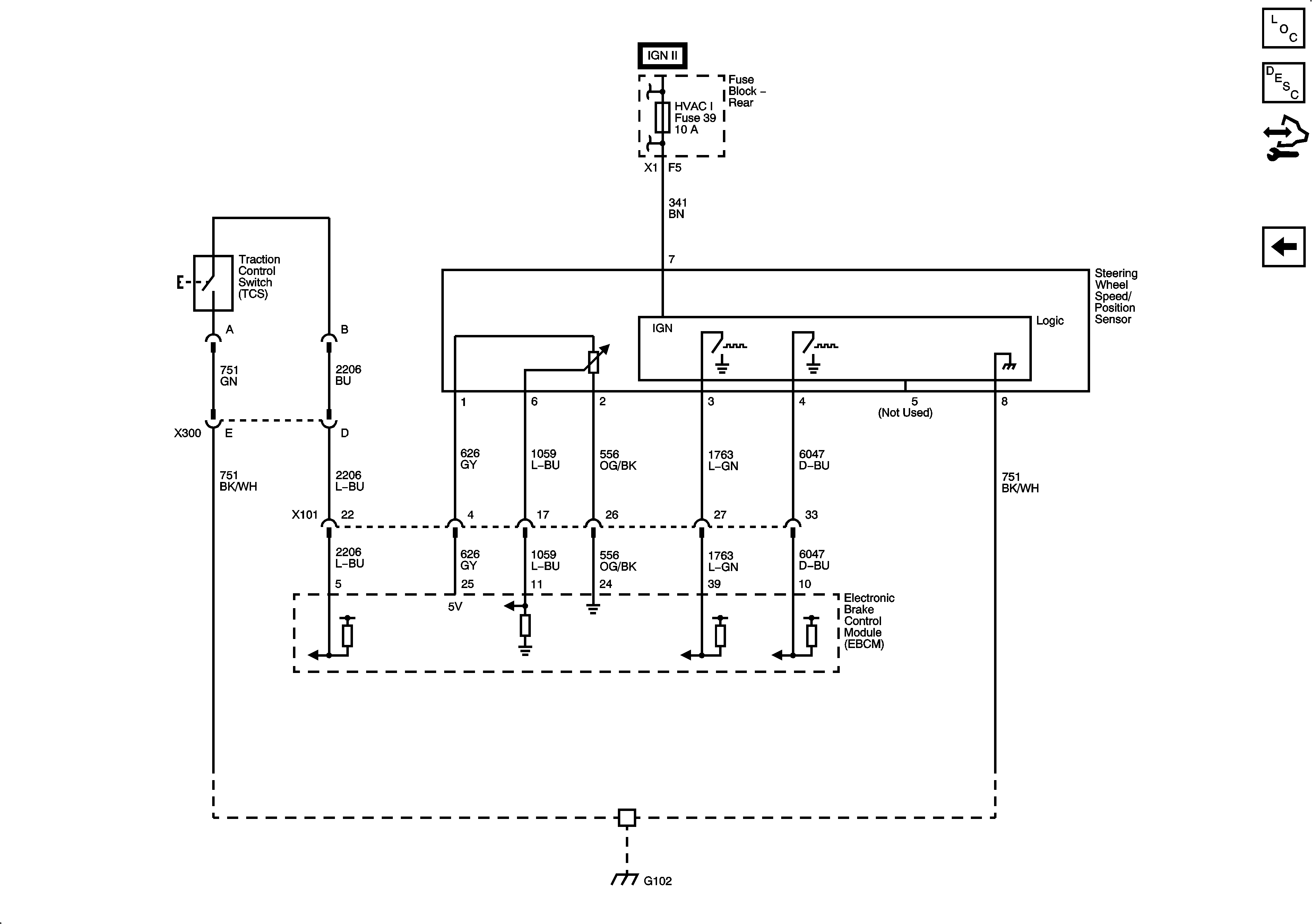
Figure 3:

Steering Wheel Speed/Position Sensor and Traction Control Switch


Object Number: 2081508  Size: FS