GM Service Manual Online
For 1990-2009 cars only
Makes
🢒
Isuzu
🢒
2009
🢒
Ascender - 4WD
🢒
Power and Signal Distribution
🢒
Data Communications
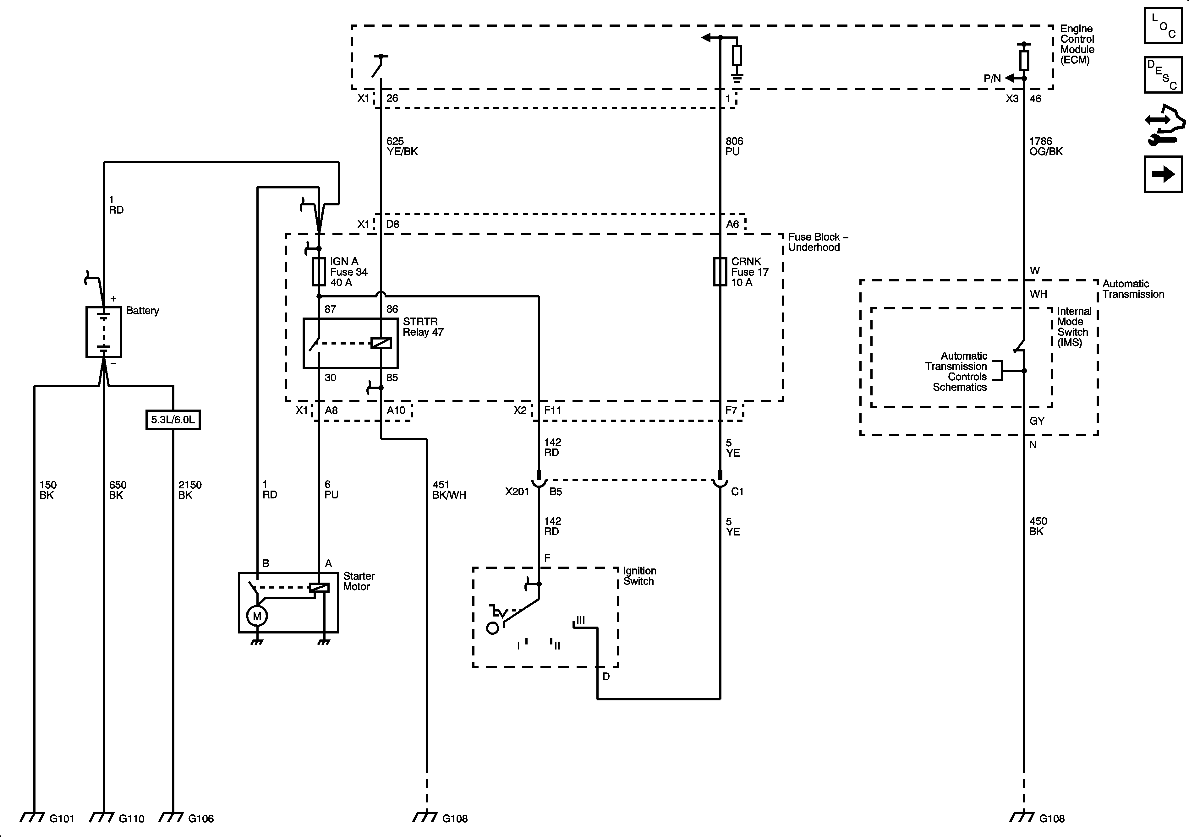
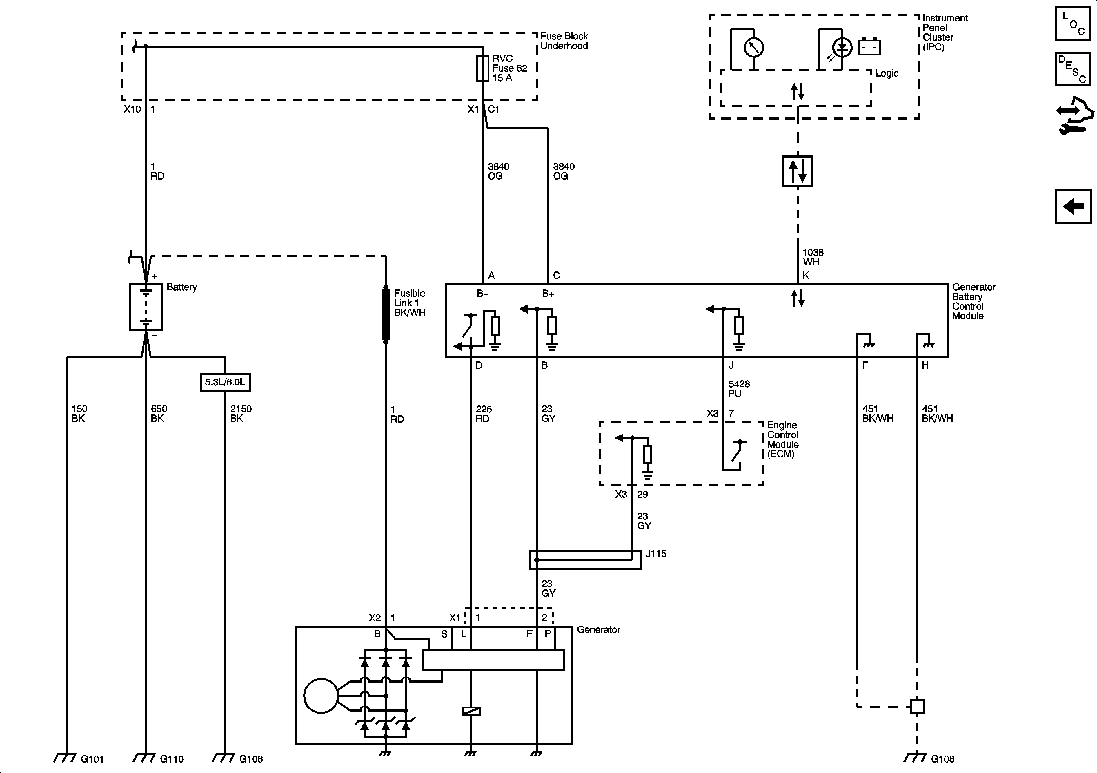
🢒 Starting and Charging Schematics
Figure
1:
Starting System
Figure
2:
Charging System