GM Service Manual Online
For 1990-2009 cars only
Makes
🢒
Isuzu
🢒
2007
🢒
I-290
🢒
Diagnostic Navigation
🢒
Vehicle Diagnostic Information
🢒 Radio/Navigation System Schematics
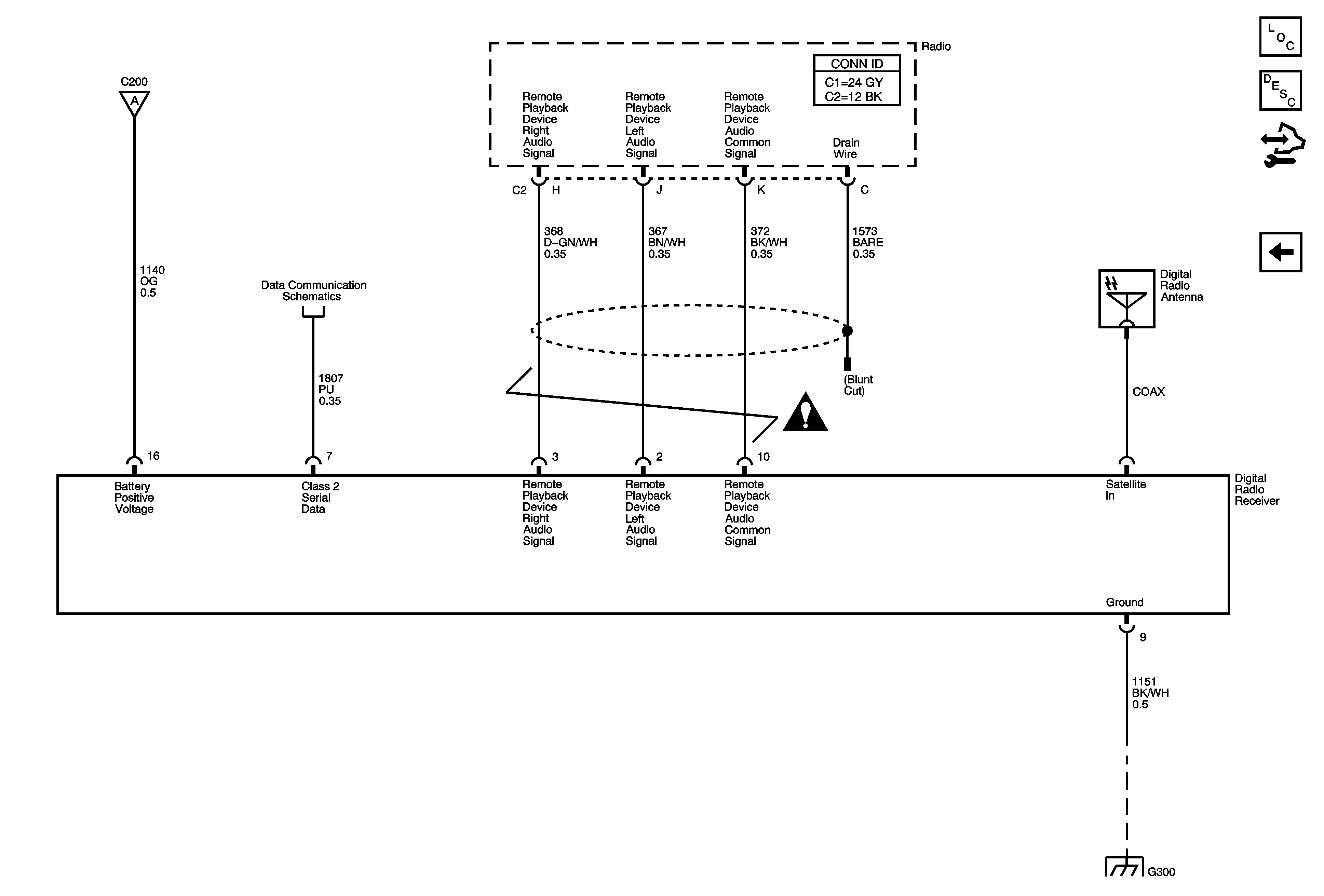
Figure
1:
Power, Ground, and DLC
Master Electrical Component List
Radio/Audio System Description and Operation
Body Control Module Programming and Setup
Speakers
B+ Bus - Underhood Fuse Block
Digital Radio
Data Communication Schematics
OnStar Schematics
G300, G301, and G302
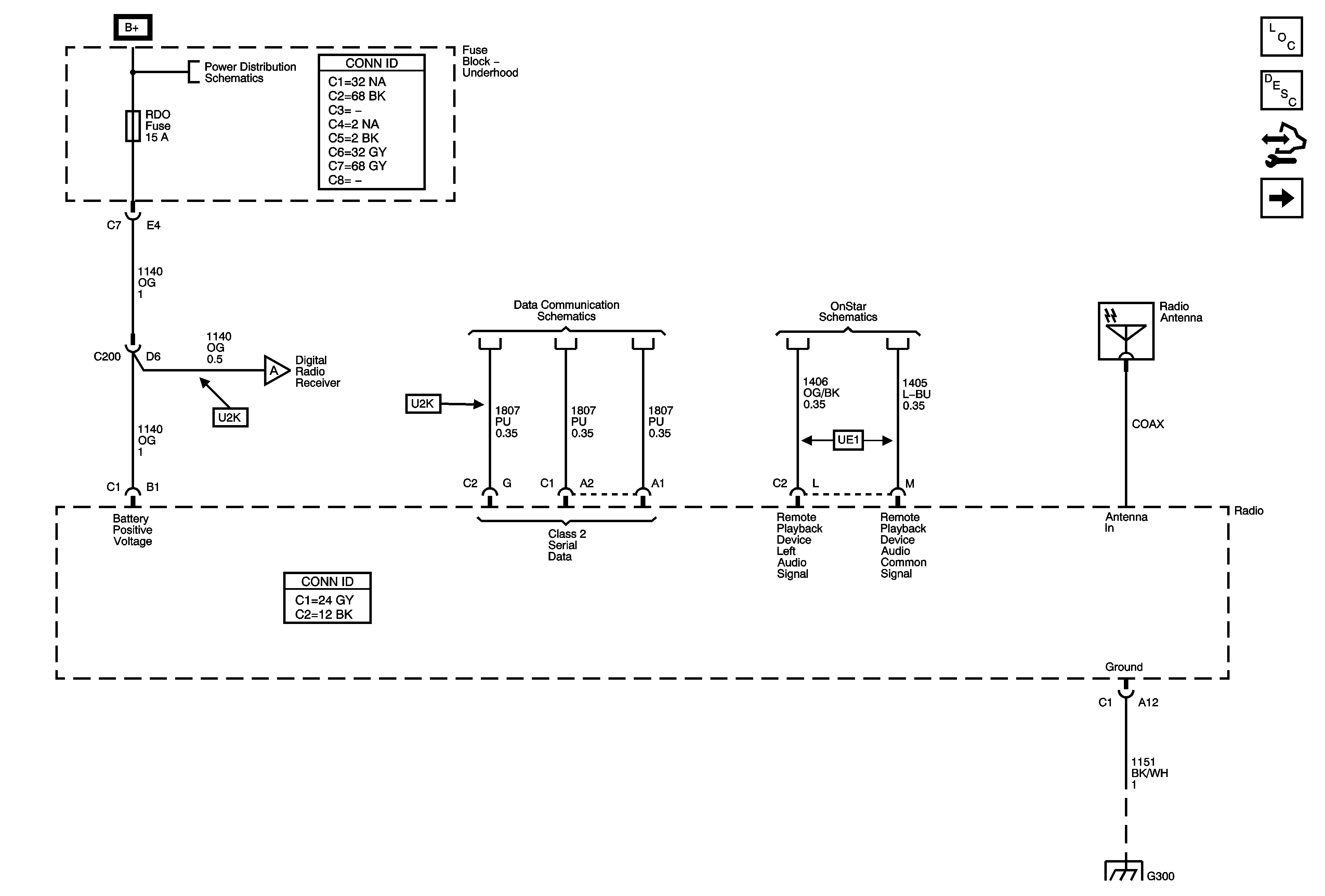
Figure
2:
Speakers
Master Electrical Component List
Radio/Audio System Description and Operation
Body Control Module Programming and Setup
Digital Radio
Power, Ground, and DLC
Entertainment Schematic Icons
Entertainment Schematic Icons
Entertainment Schematic Icons
Entertainment Schematic Icons
Entertainment Schematic Icons
Entertainment Schematic Icons
Entertainment Schematic Icons
Entertainment Schematic Icons
Figure
3:
Digital Radio - U2K
Master Electrical Component List
Radio/Audio System Description and Operation
Body Control Module Programming and Setup
Speakers
Power, Ground, and DLC
Data Communication Schematics
Entertainment Schematic Icons
G300, G301, and G302