GM Service Manual Online
For 1990-2009 cars only

    Object Number: 1876717  Size: SH
  1. Remove the camshaft cap bolts.
  2. Important: Place the camshaft caps in a rack to ensure the caps are installed in the same location from which they were removed.

  3. Remove the camshaft caps.

  4. Object Number: 1876718  Size: SH
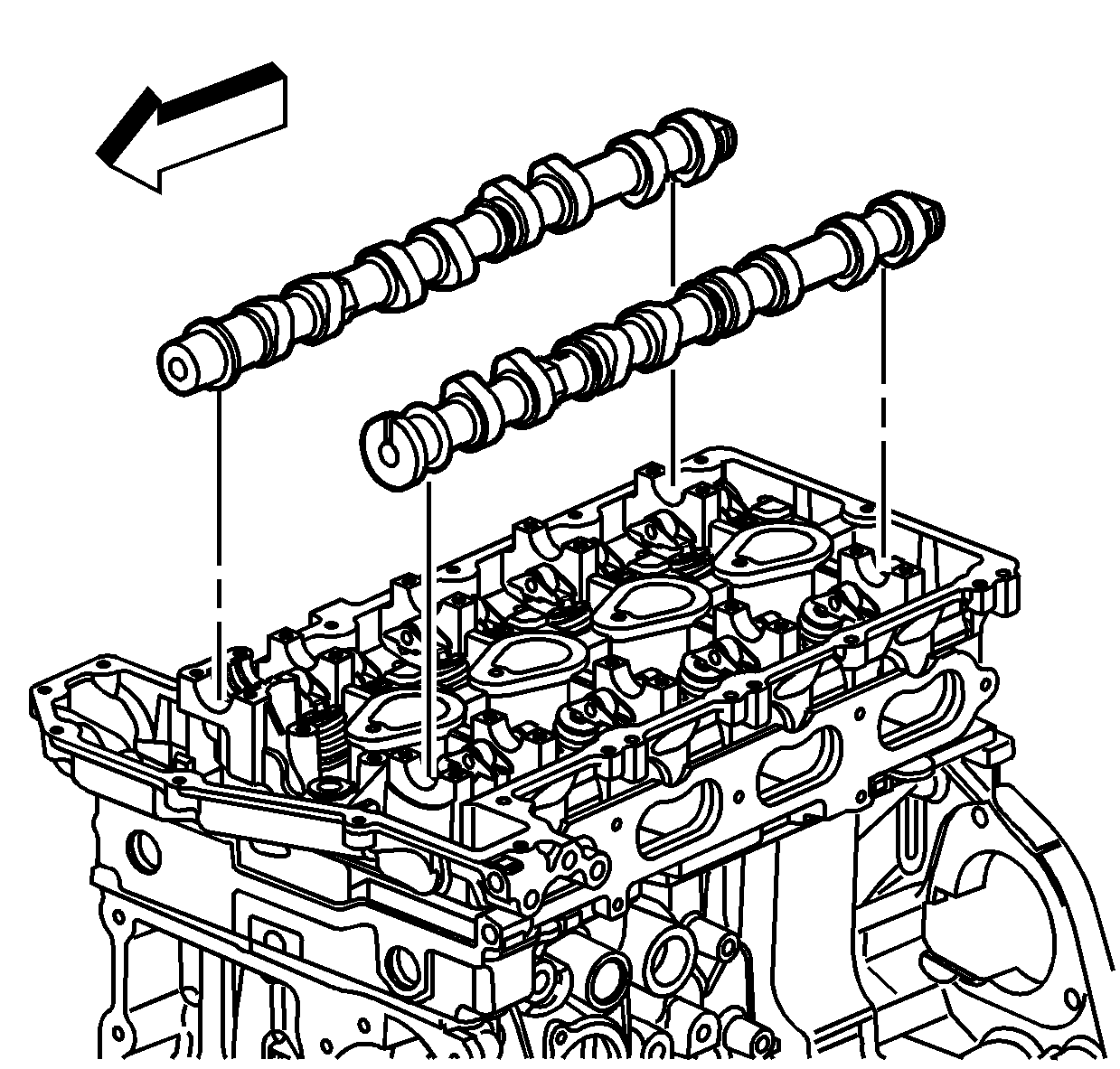
  5. Remove the camshafts.