GM Service Manual Online
For 1990-2009 cars only

    Object Number: 953937  Size: SH
  1. Install a new exhaust manifold gasket.

  2. Object Number: 1876714  Size: SH
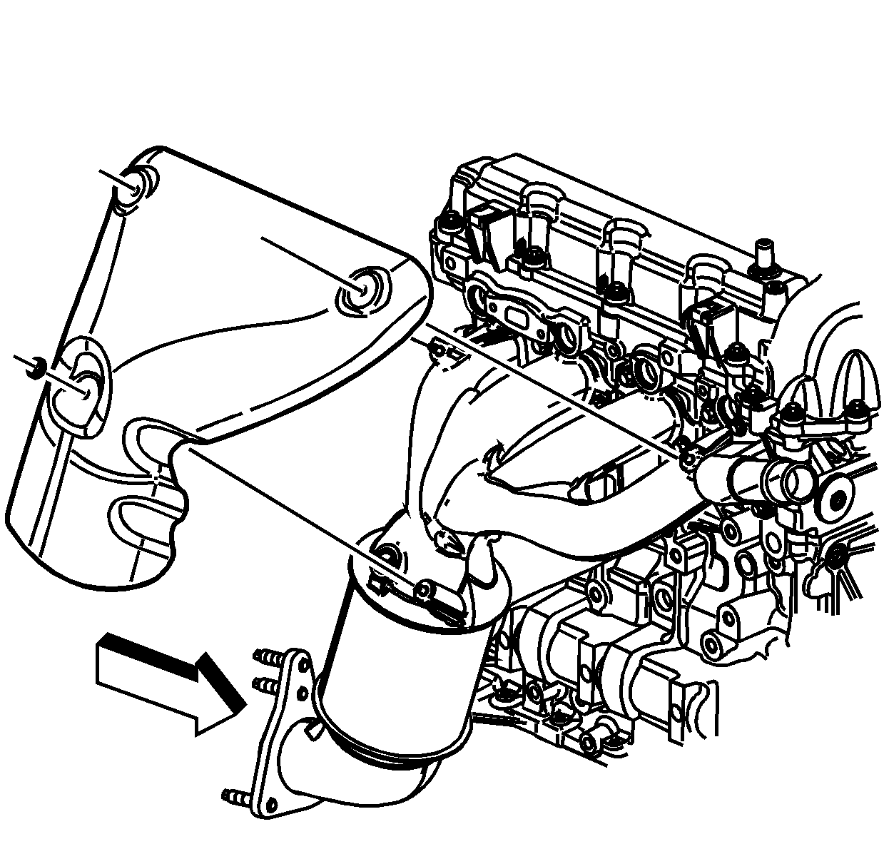
  3. Install the exhaust manifold.
  4. Add threadlock GM P/N 12345493 (Canadian P/N 10953488) to the exhaust manifold bolt threads.
  5. Install the exhaust manifold bolts.

  6. Object Number: 1876728  Size: SH

    Notice: Use the correct fastener in the correct location. Replacement fasteners must be the correct part number for that application. Fasteners requiring replacement or fasteners requiring the use of thread locking compound or sealant are identified in the service procedure. Do not use paints, lubricants, or corrosion inhibitors on fasteners or fastener joint surfaces unless specified. These coatings affect fastener torque and joint clamping force and may damage the fastener. Use the correct tightening sequence and specifications when installing fasteners in order to avoid damage to parts and systems.

  7. Tighten the exhaust manifold bolts in sequence.
  8. Tighten
    Tighten the exhaust manifold bolts in sequence to 20 N·m (15 lb ft). Repeat bolt tightening in sequence 2 additional passes.


    Object Number: 1876713  Size: SH
  9. Install the exhaust manifold heat shield studs, if required.
  10. Tighten
    Tighten the exhaust manifold heat shield studs to 10 N·m (89 lb in).


    Object Number: 1876712  Size: SH
  11. Install the exhaust manifold heat shield.
  12. Add anti-seize GM P/N 12371386 (Canadian P/N 993128) to the exhaust manifold heat shield nuts.
  13. Install the exhaust manifold heat shield nuts.
  14. Tighten
    Tighten the exhaust manifold heat shield nuts to 10 N·m (89 lb in).