GM Service Manual Online
For 1990-2009 cars only
Makes
🢒
Isuzu
🢒
2008
🢒
I-290
🢒
Power and Signal Distribution
🢒
Wiring Systems and Power Management
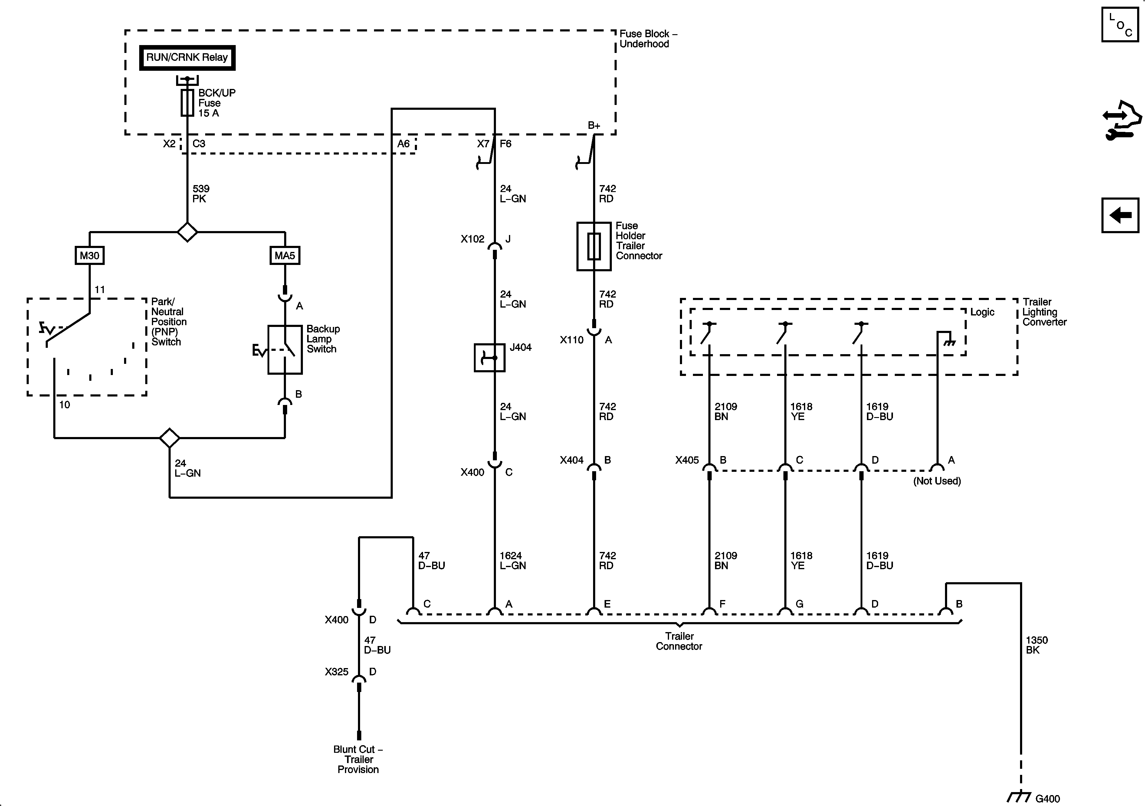
🢒 Trailer Connector/Provision Schematics
Figure
1:
Trailer Wiring with UY7 - 1 of 2
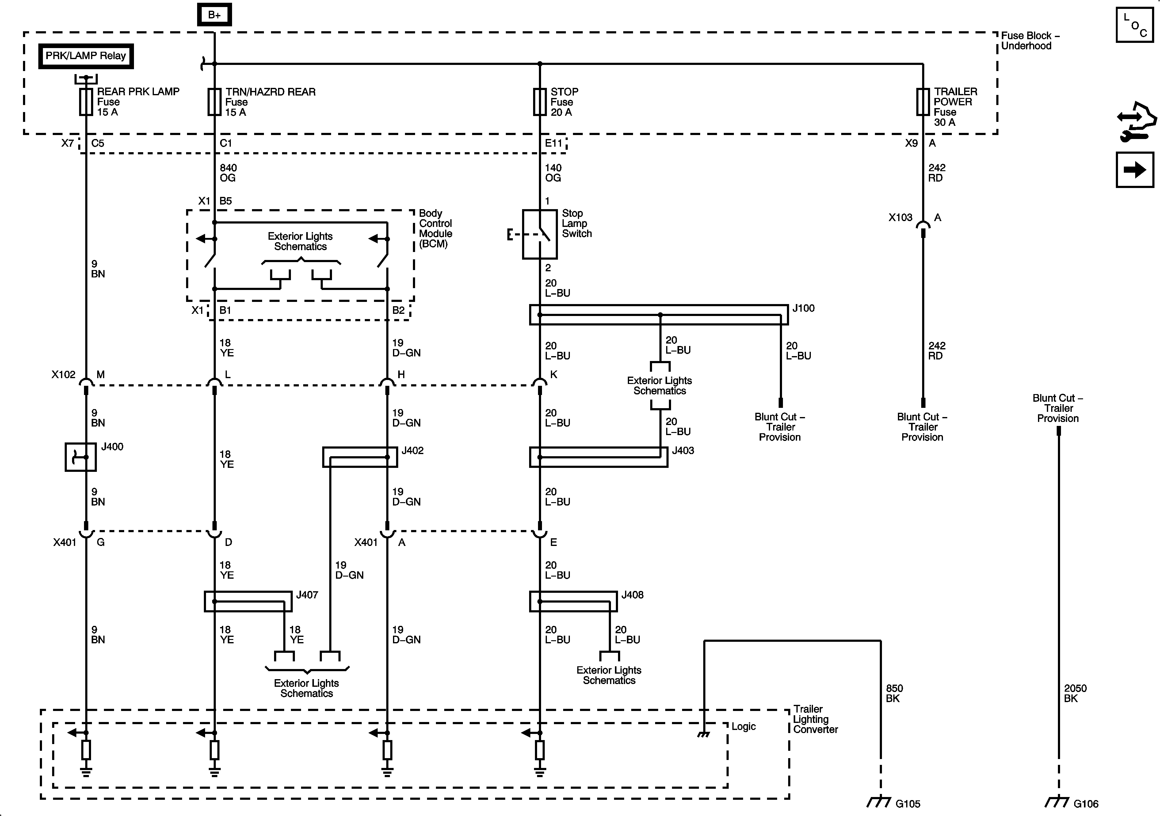
Figure
2:
Trailer Wiring with UY7 - 2 of 2
Master Electrical Component List
Control Module References
Trailer Wiring with UY7 - 1 of 2