| Figure 1: |
B+ Bus
|
| Figure 2: |
ABS 1, ABS 2, AUX PWR 1, AUX PWR 2, CNSTR VENT, CIGAR, CLSTR, PCM B, RDO, STOP, and TCCM Fuses
|
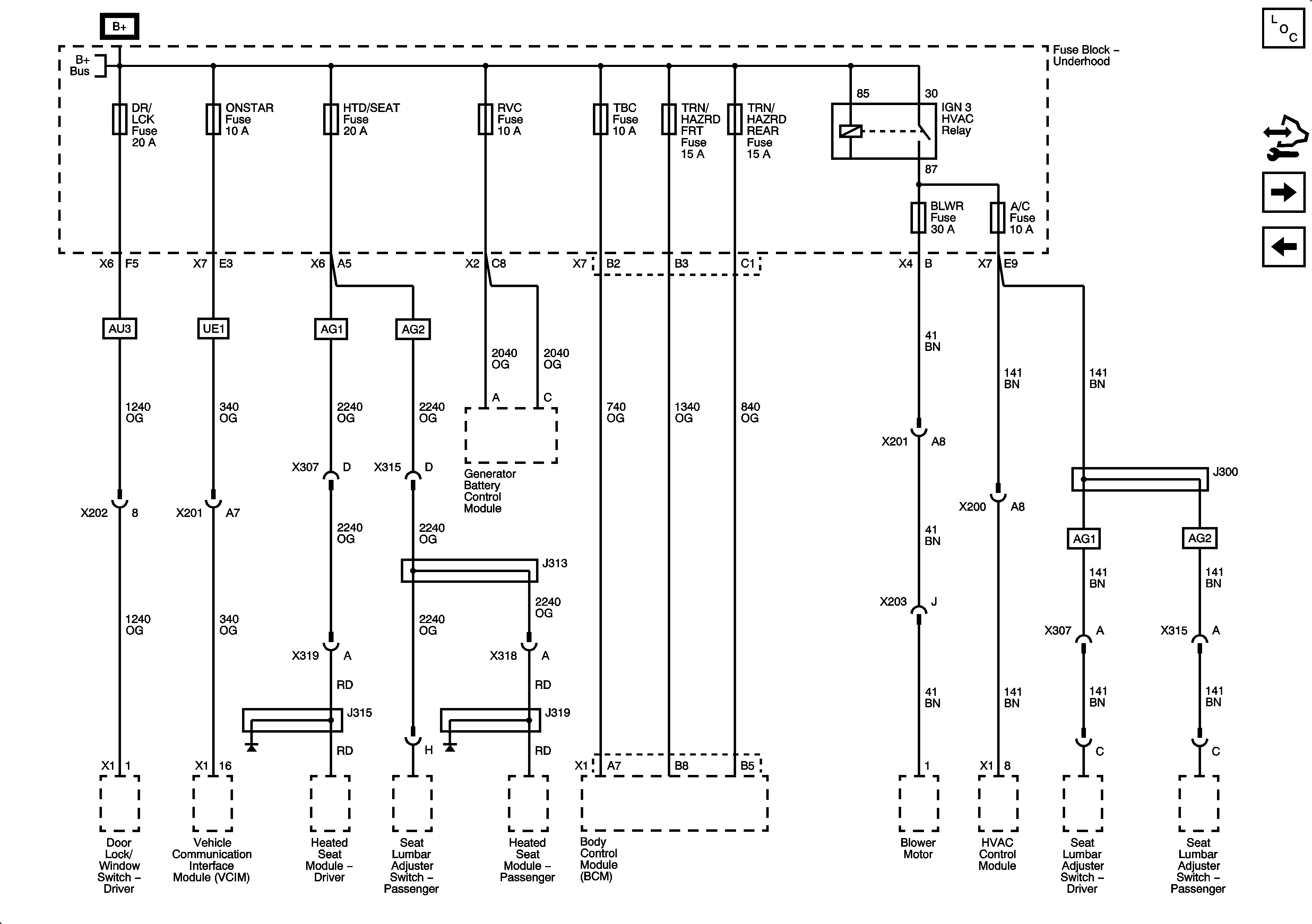
| Figure 3: |
A/C, BLWR, DR/LCK, HTD/SEAT, ONSTAR, RVC, TBC, TRN/HAZRD FRT, and TRN/HAZRD REAR Fuses
|
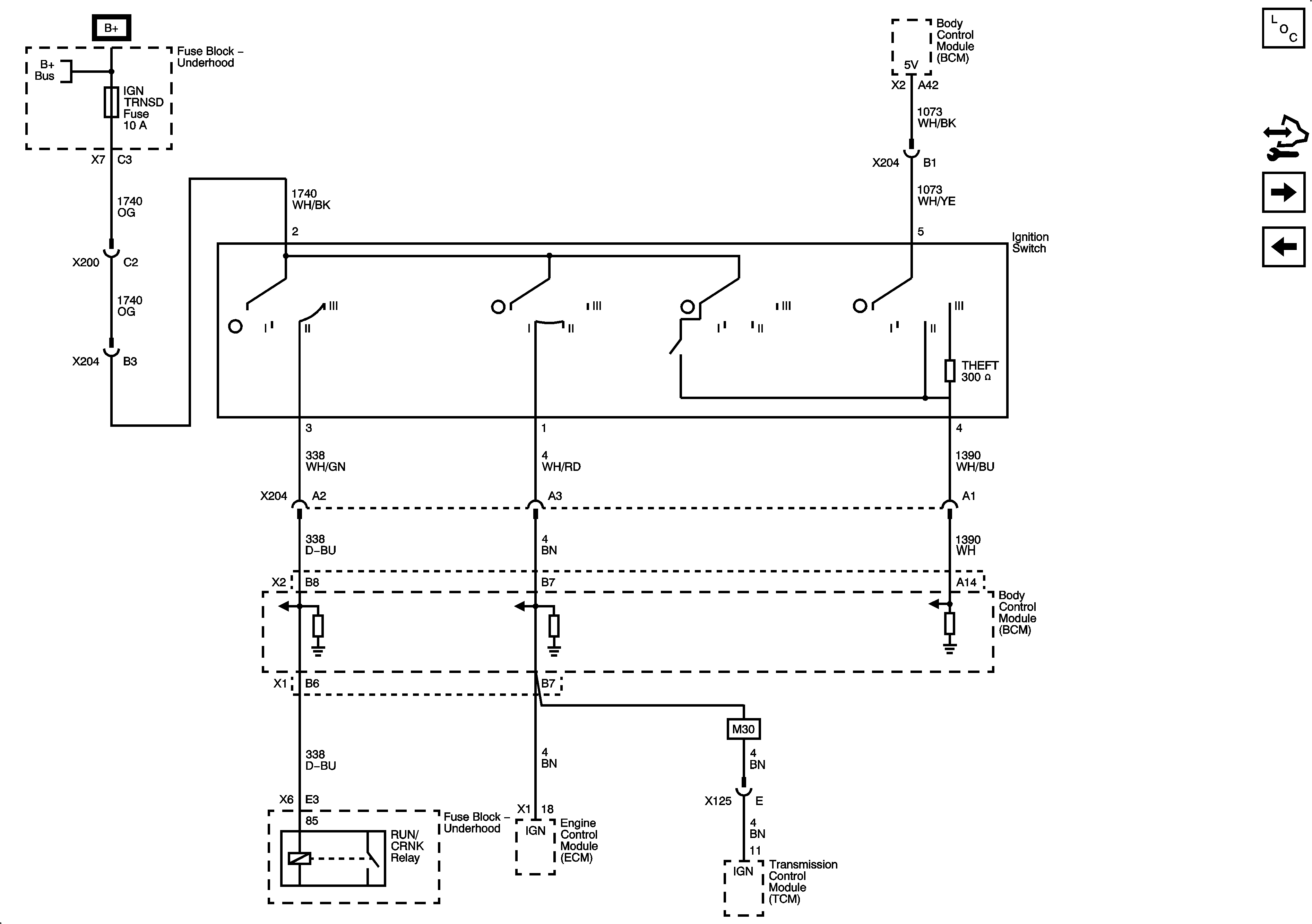
| Figure 4: |
Ignition Switch and IGN TRNSD Fuse
|
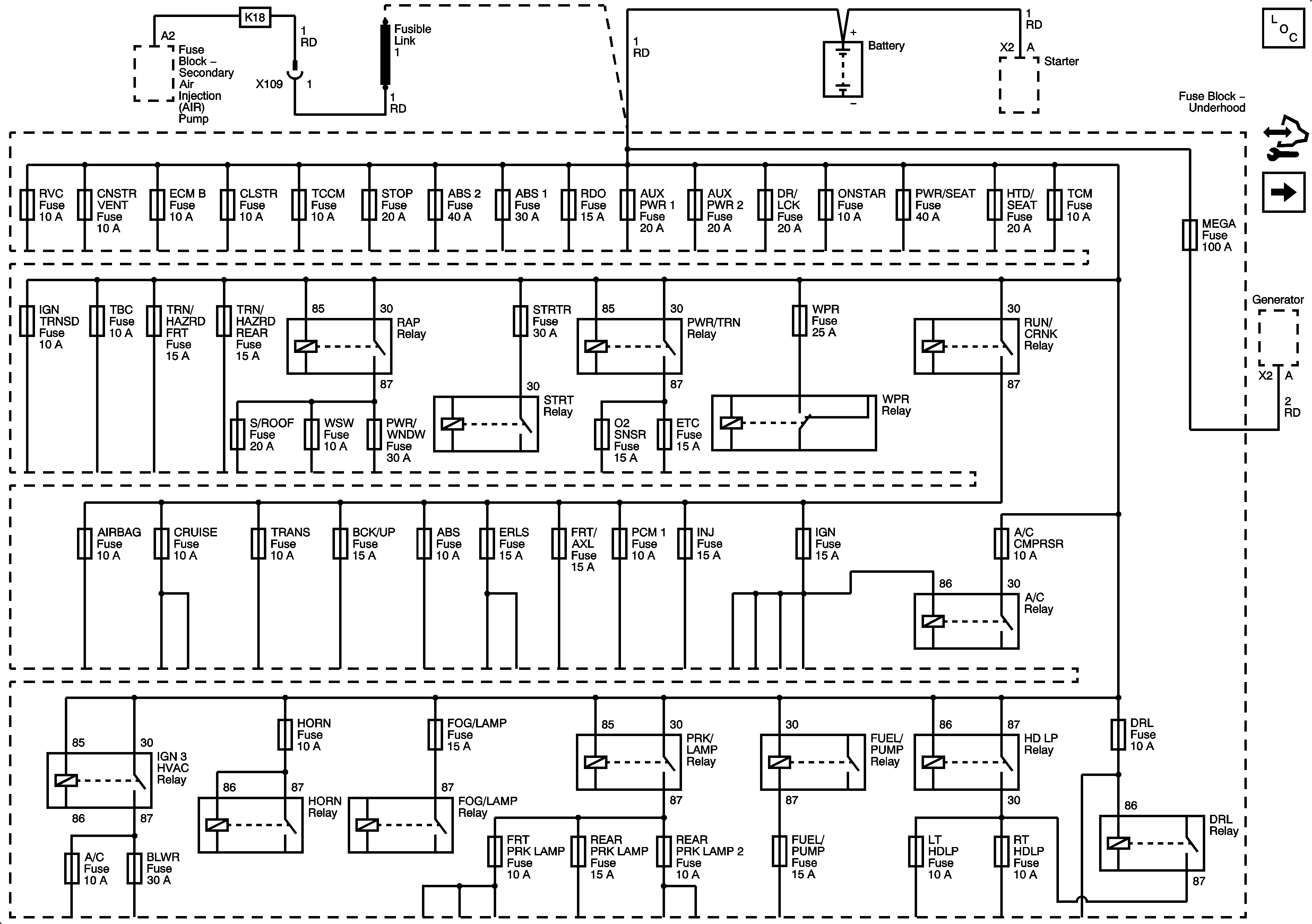
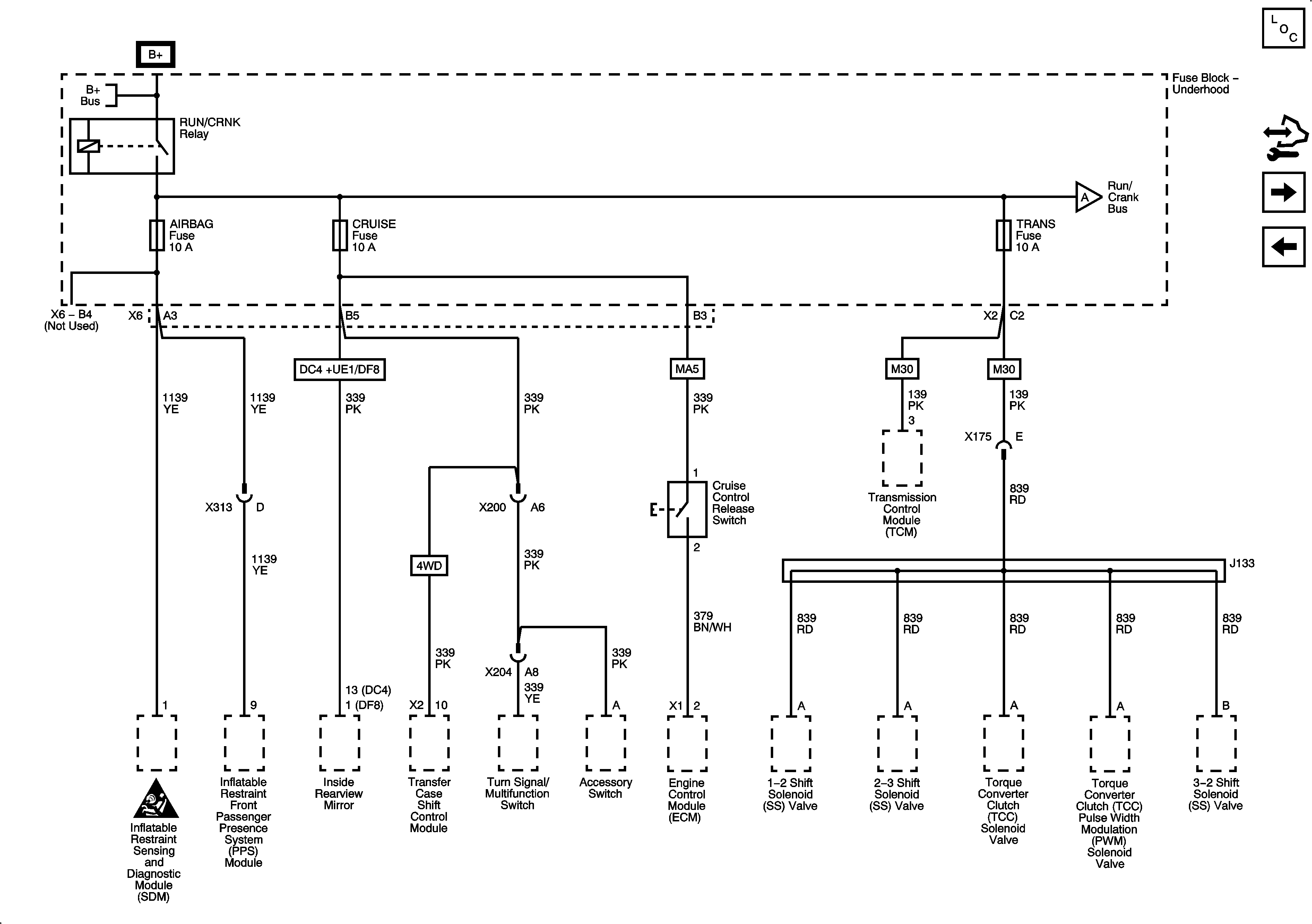
| Figure 5: |
RUN/CRANK RELAY BUS - 1 of 3, AIRBAG, CRUISE, and TRANS Fuses
|
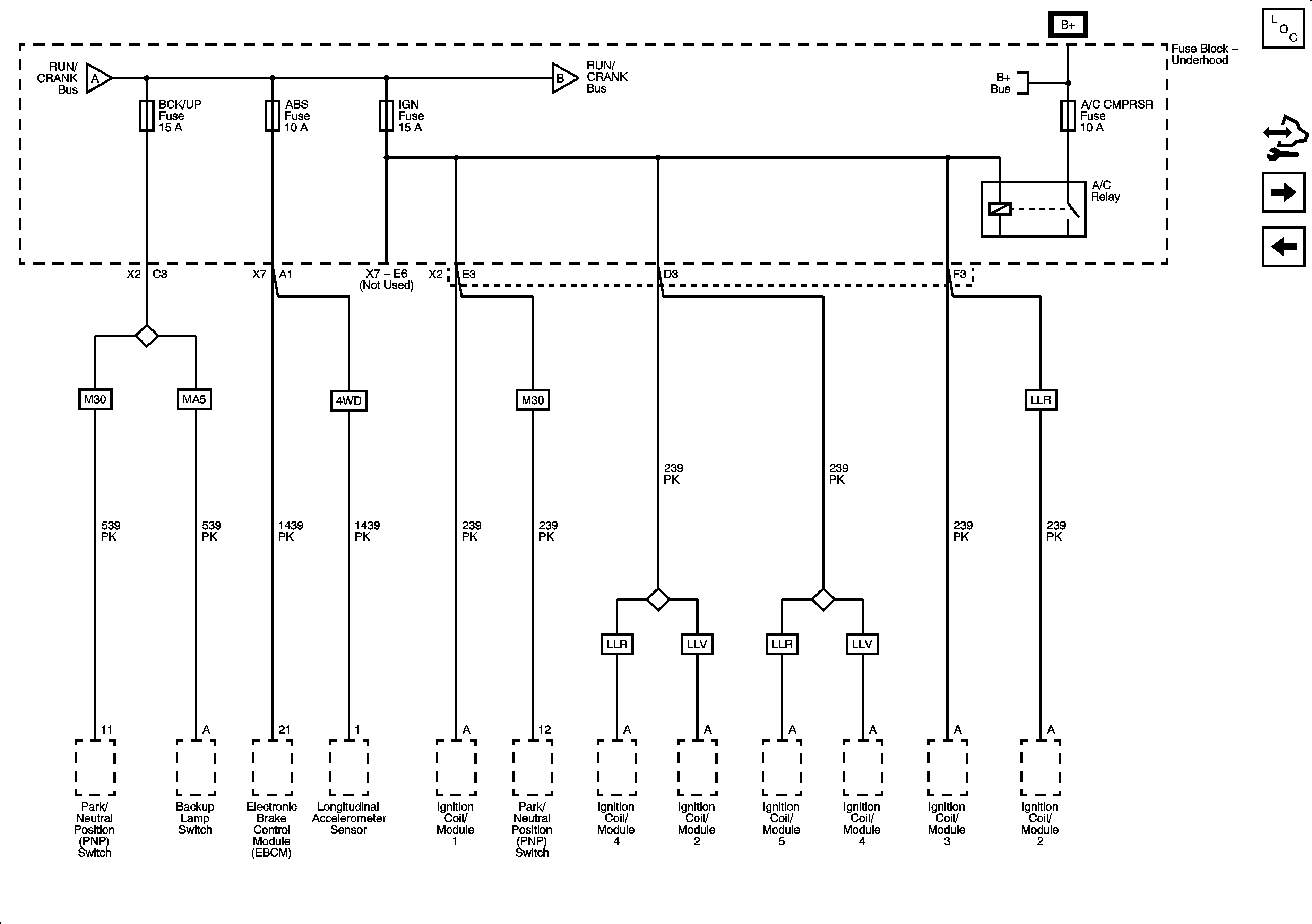
| Figure 6: |
RUN/CRANK RELAY BUS - 2 of 3, ABS, BCK/UP, and IGN Fuses
|
| Figure 7: |
RUN/CRANK RELAY BUS - 3 of 3, ERLS, FRT AXL, INJ, and PCM I Fuses
|
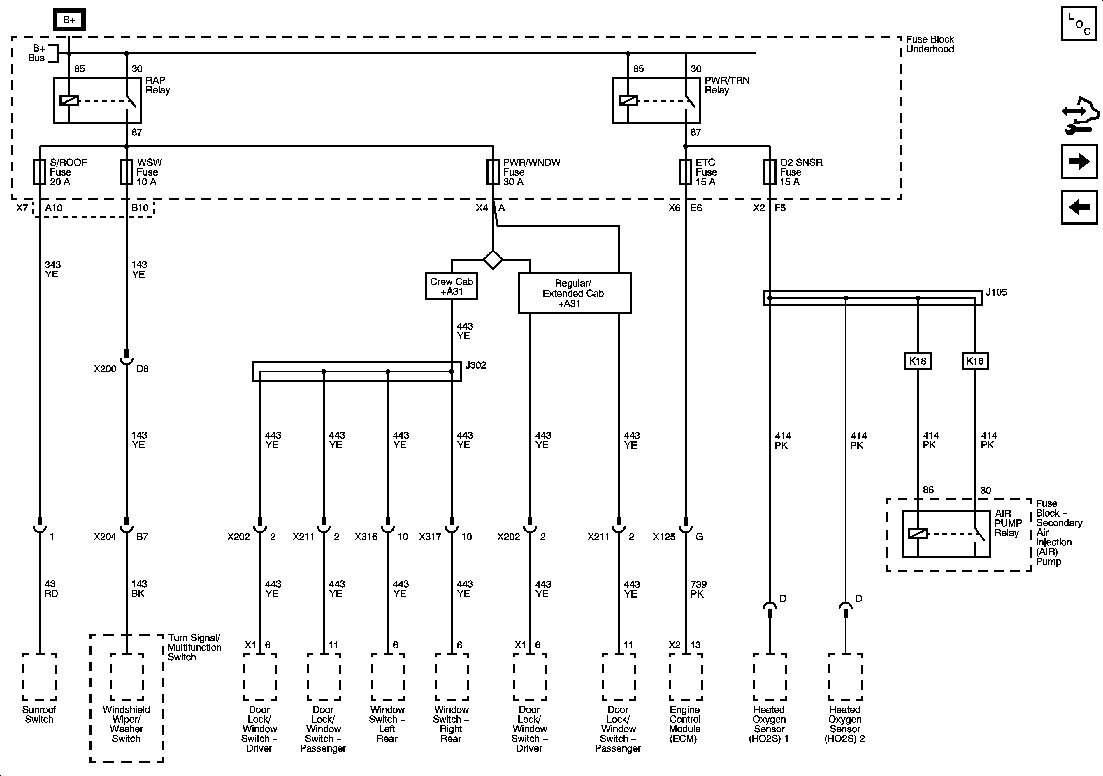
| Figure 8: |
ETC, O2 SNSR, PWR/WNDW, S/ROOF, and WSW Fuses
|
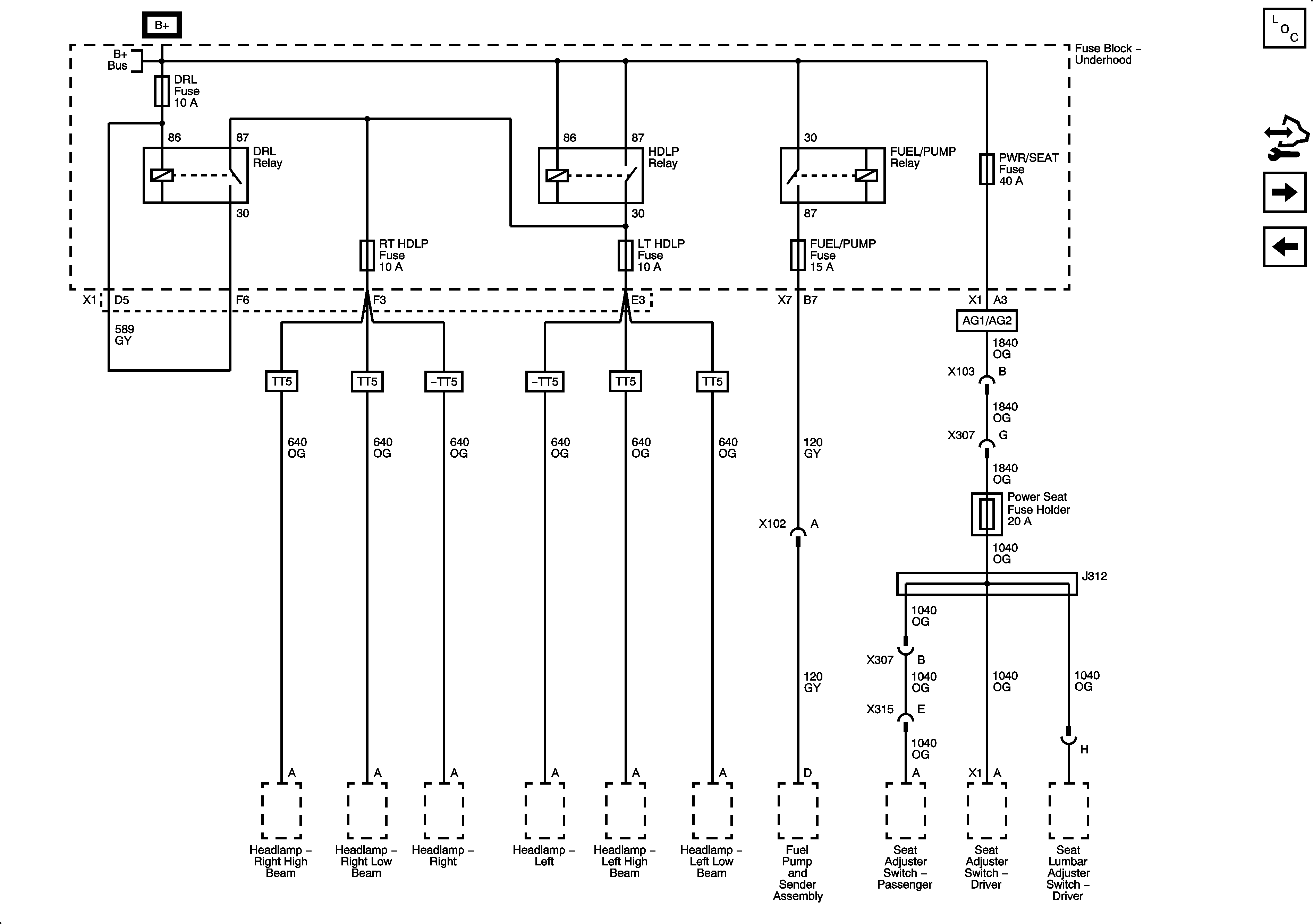
| Figure 9: |
DRL, FUEL/PUMP, PWR/SEAT, LT HDLP, and RT HDLP Fuses
|
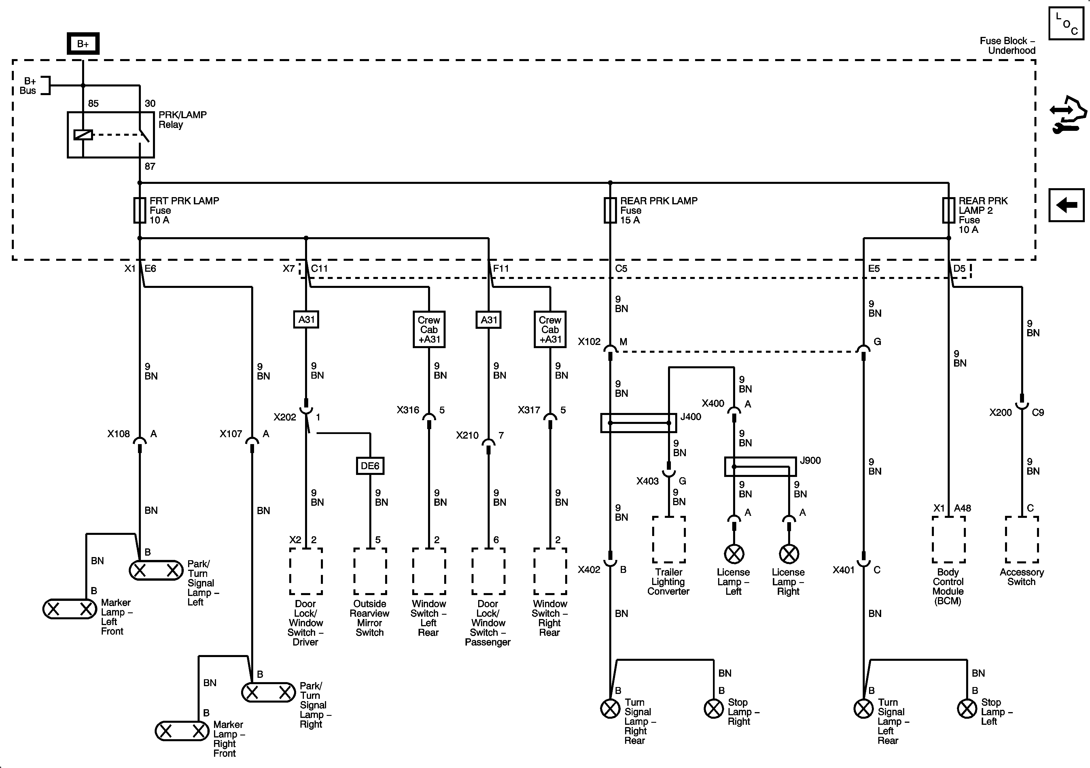
| Figure 10: |
FRT PRK LAMP, REAR PRK LAMP, and REAR PRK LAMP 2 Fuses
|