GM Service Manual Online
For 1990-2009 cars only
Makes
🢒
Isuzu
🢒
2008
🢒
I-370
🢒
Transmission/Transaxle
🢒
Automatic Transmission - 4L60-E/4L65-E/4L70-E
🢒 Automatic Transmission Controls Schematics
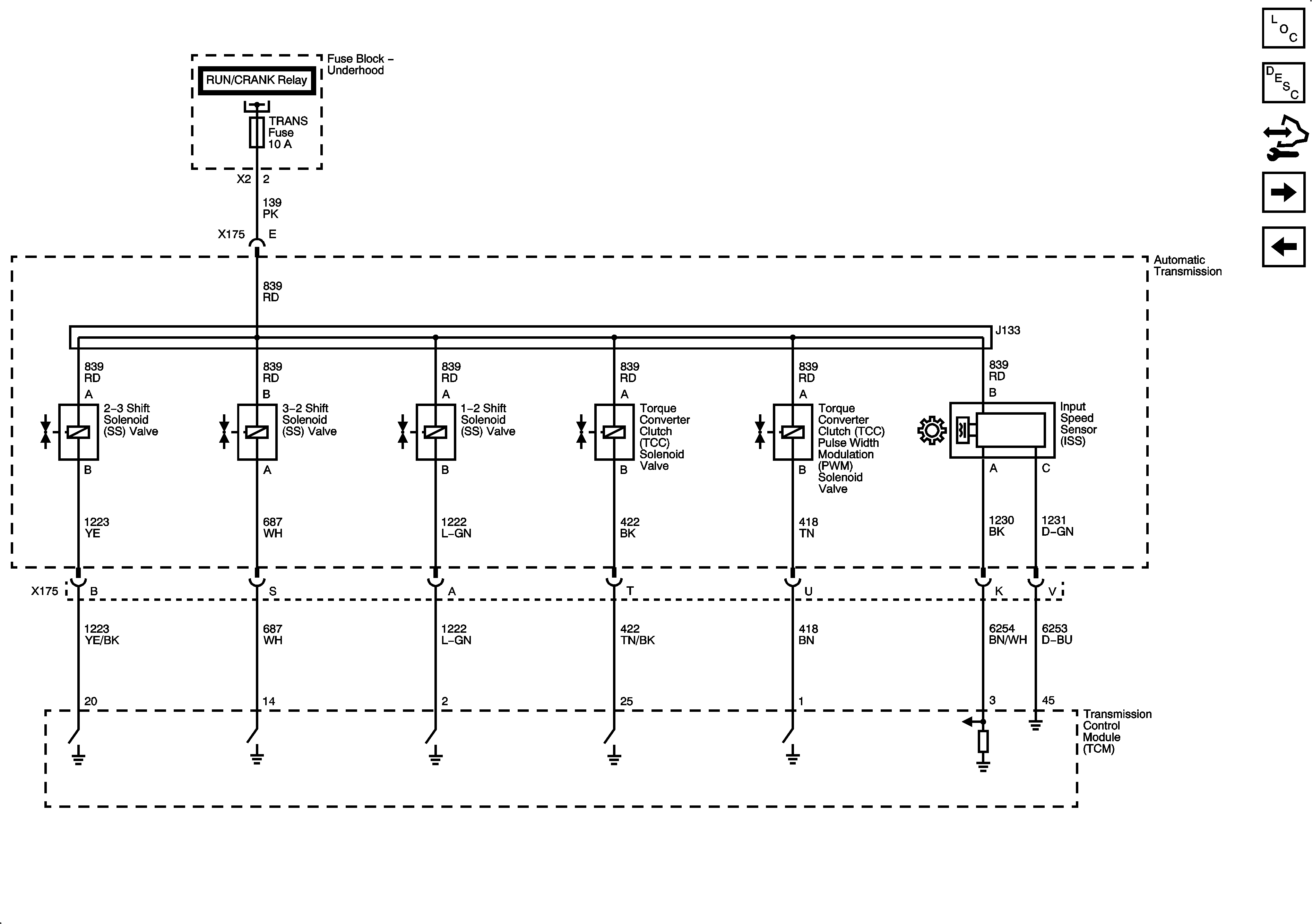
Figure
1:
Shift Controls and ISS Signal
Master Electrical Component List
Electronic Component Description TCM
Control Module References
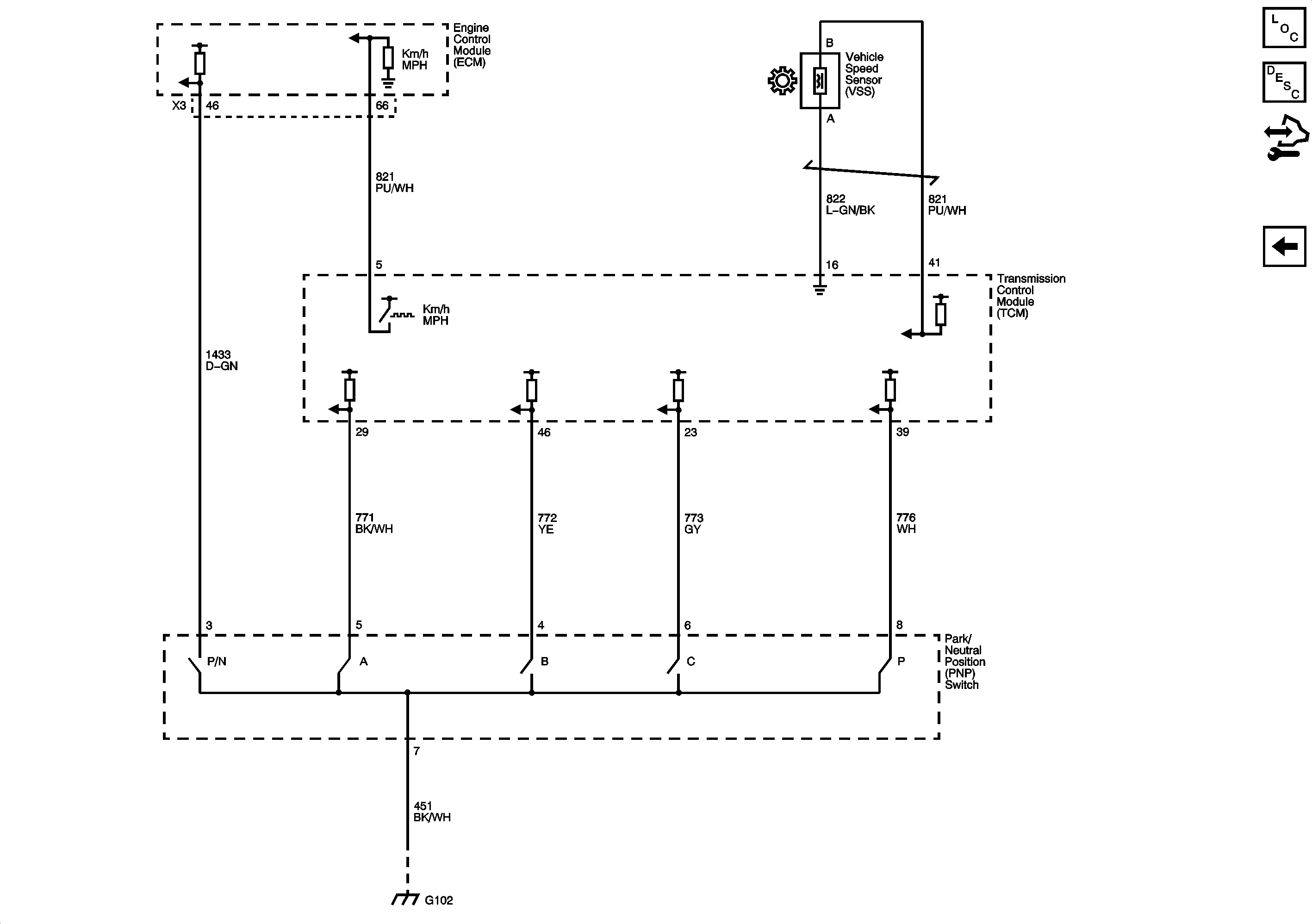
Transmission Range Signal
Figure
2:
Transmission Range Signal
Master Electrical Component List
Electronic Component Description TCM
Control Module References
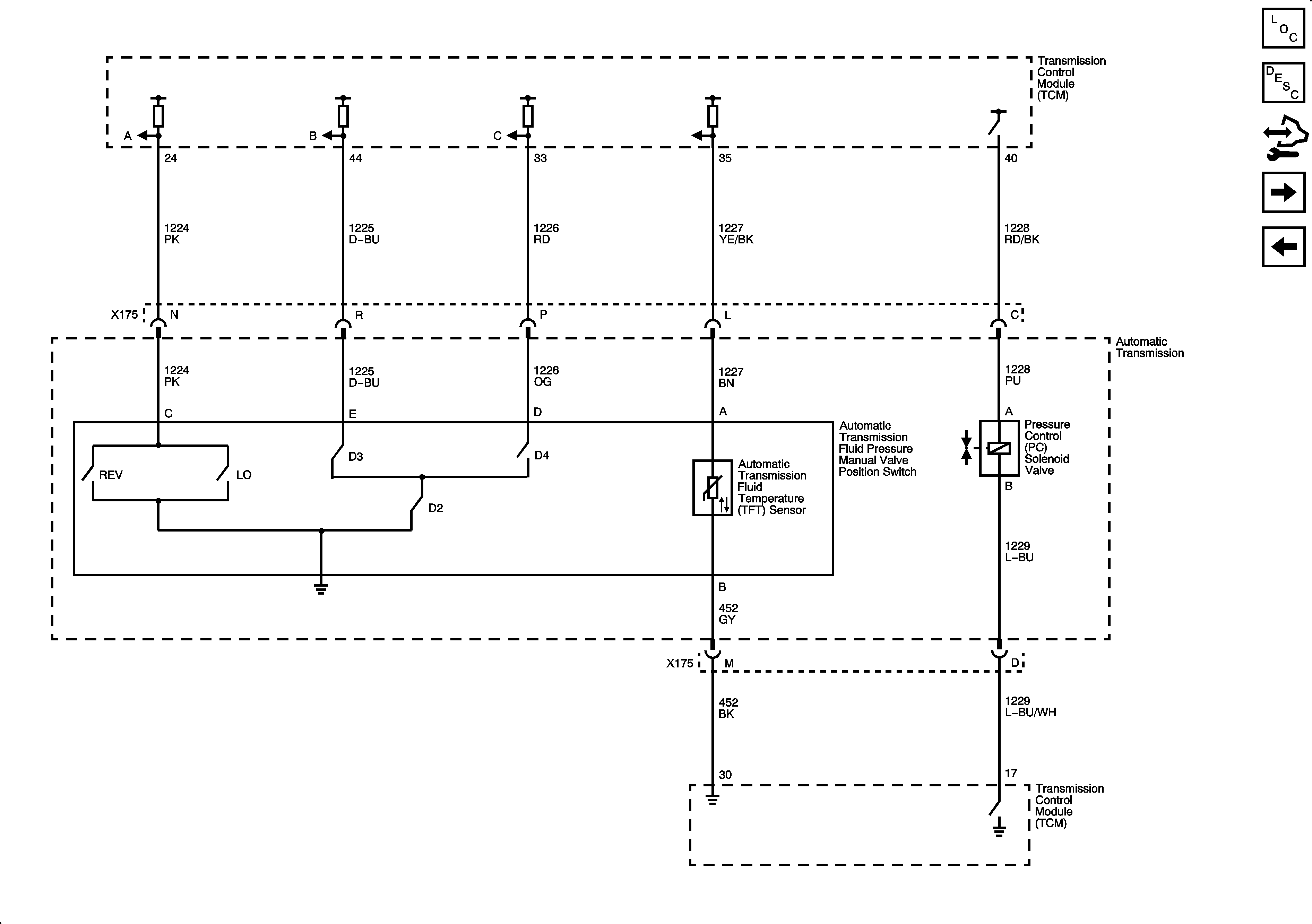
Fluid and Temperature Controls and VSS Signal
Shift Controls and ISS Signal
Figure
3:
Fluid and Temperature Controls and VSS Signal
Master Electrical Component List
Electronic Component Description TCM
Control Module References
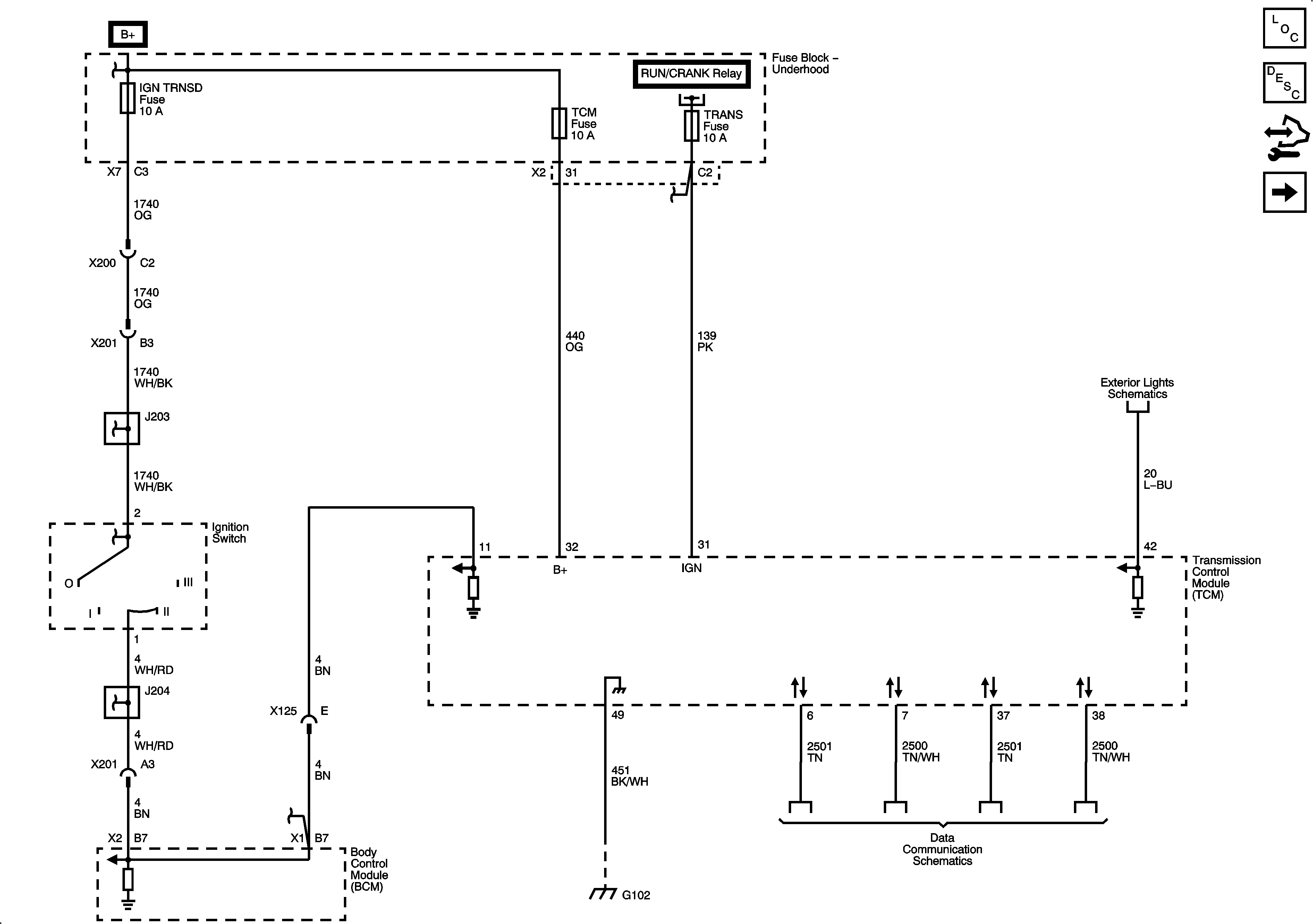
PNP and VSS Signals
Transmission Range Signal
Figure
4:
PNP and VSS Signals
Master Electrical Component List
Electronic Component Description TCM
Control Module References
Fluid and Temperature Controls and VSS Signal