GM Service Manual Online
For 1990-2009 cars only

Object Number: 1907595  Size: FS
Master Electrical Component List
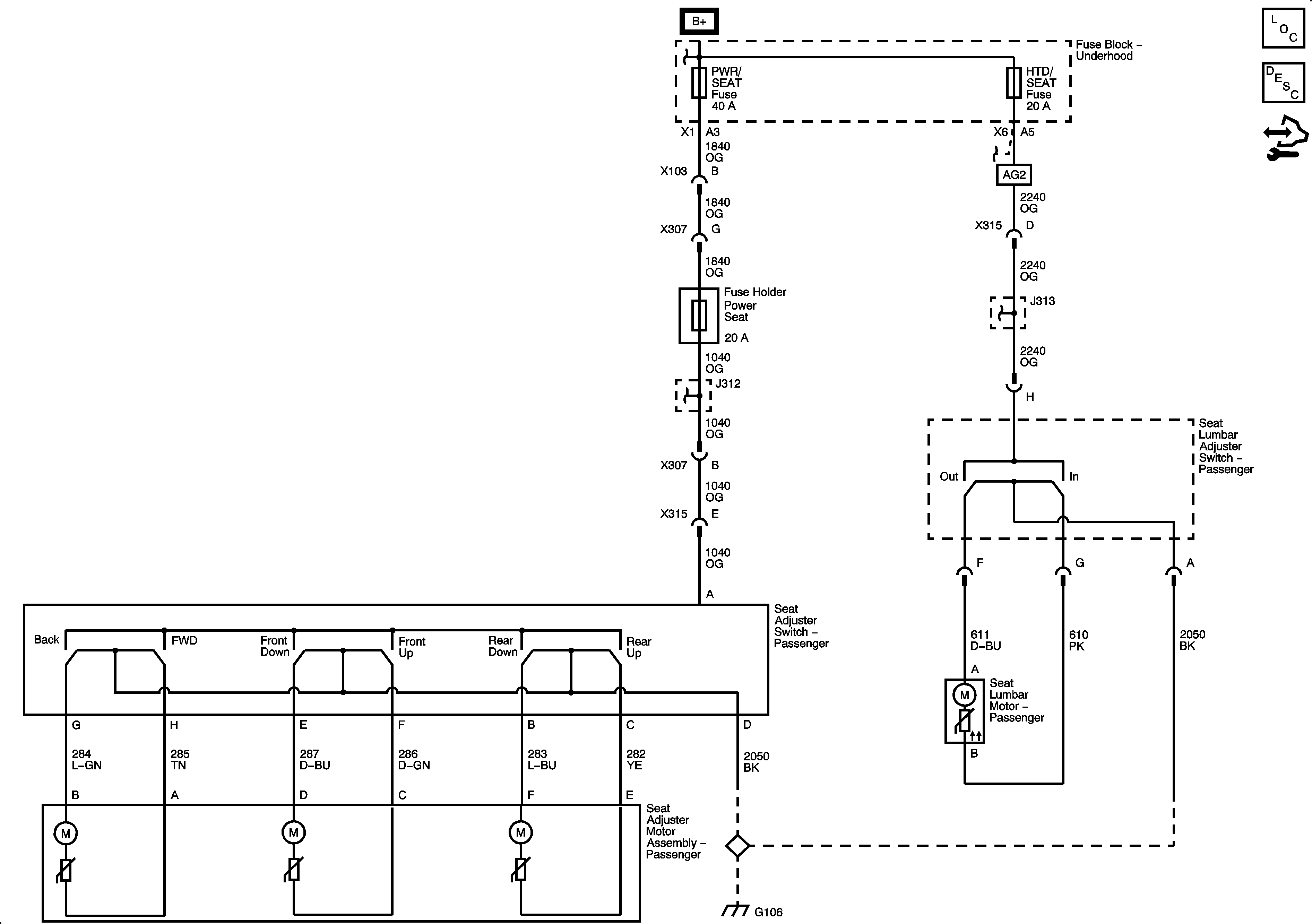
Power Seats System Description and Operation
Control Module References