GM Service Manual Online
For 1990-2009 cars only

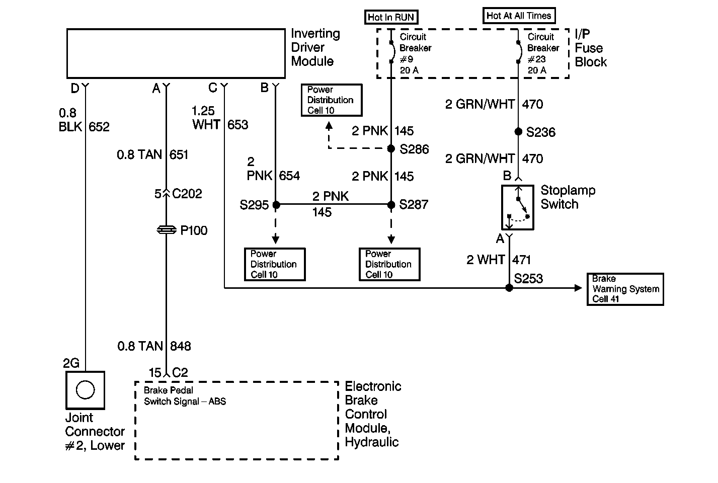
Object Number: 324893  Size: MF
ABS Components
Antilock Brake System Schematics Hydraulic Brake

Circuit Description

The Stoplamp Switch is normally closed. With the ignition in the RUN position and the brake pedal not depressed, the EBCM will have ignition voltage present at terminal 15 of the 24-way connector. When the brakes are applied, the voltage present at terminal 15 of the EBCM will be zero.

Conditions for Setting the DTC

    • Vehicle above 56 km/h (35 mph) for 10 seconds, followed by vehicle at rest for 1 second.
    • Stoplamp never switching during the above condition

Action Taken When the DTC Sets

    • The ABS indicator lamp will not be illuminated.
    • The ABS will not be disabled.

DTC C0281 is advisory code only. The DTC is stored in memory, but the ABS indicator lamp will not light, and ABS will not be disabled.

Conditions for Clearing the DTC

    • Repair the conditions responsible for setting the DTC.
    • Use the Scan Tool Clear DTCs function.

Diagnostic Aids

DTC C0281 can be set by a faulty Stoplamp Switch, mis-adjusted Stoplamp Switch or damage in CKT 848 or CKT 451. Also, a driver who rides the brake at power-up through 24  km/h (15 mph) can set this DTC.

Thoroughly check any circuitry that is suspected of causing the intermittent complaint for the following conditions:

    • Backed out terminals
    • Improper mating
    • Broken locks
    • Improperly formed or damaged terminals
    • Poor terminal to wiring connections
    • Physical damage to the wiring harness

Test Description

The numbers below refer to the steps in the diagnostic table:

  1. This step checks the functionality of the Stop Lamp Switch circuit using the Scan Tool.

  2. This step checks the functionality of the Stop Lamp Switch circuit (including the Inverter Driving Module) using a J 39200.

  3. This step checks the functionality of the Stop Lamp Switch circuit up to the Inverting Driving Module.

  4. This step checks for a short to ground in the Stop Lamp Switch circuit between the Inverting Driver Module and the EBCM.

  5. This step checks the resistance in the ground circuit to the Inverting Driver Module.

  6. This step checks the ignition voltage at the Inverting Driver Module.

Step

Action

Value(s)

Yes

No

1

Was the Diagnostic System Check performed?

--

Go to Step 2

Go to A Diagnostic System Check

2

  1. Install the Scan Tool.
  2. Turn the ignition to RUN.
  3. Using the Data List function of the scan tool, check the operation of the Stop Lamp Switch while applying and releasing the brake pedal.

Does the scan tool indicate that the Stop Lamp Switch is opening and closing?

--

Go to Step 11

Go to Step 3

3

  1. Turn the ignition to OFF.
  2. Disconnect the 24-way EBCM harness connector.
  3. Using a J 39200, measure the voltage between terminal 15 of the 24-way connector and ground while applying and releasing the brake pedal.

Is the voltage measured switching between the specified range?

0-12 V

Go to Step 11

Go to Step 4

4

  1. Turn the ignition to OFF.
  2. Disconnect the Inverting Driver Module harness connector.

  3. Using a J 39200, measure the voltage between terminal C of the Inverting Driver Module harness connector connector and ground while depressing the brake pedal.

Is the voltage equal to or greater than the specified range?

10 V

Go to Step 7

Go to Step 5

5

  1. Disconnect the brake switch harness connector from the brake switch.
  2. Using a J 39200, measure the voltage between terminal B of the brake switch harness connector and ground.

Is the voltage equal to or greater than the specified range?

10 V

Go to Step 6

Go to Step 12

6

Using a J 39200, measure the resistance between terminal A of the brake switch harness connector and terminal C of the Inverting Driver Module harness connector.

Is the Stop Lamp Switch adjustment correct?

0-2 ohms

Go to Diagnostic Aids

Go to Step 13

7

Using a J 39200, measure the resistance between terminal A of the Inverting Driver Module harness connector and terminal 15 of the 24-way EBCM harness connector.

Is the resistance measured within the specified range?

0-2 ohms

Go to Step 8

Go to Step 15

8

Using a J 39200, measure the resistance between terminal A of the Inverting Driver Module harness connector and ground.

Is the resistance measured within the specified range?

OL

Go to Step 13

Go to Diagnostic Aids

9

Using a J 39200, measure the resistance between terminal D of the Inverting Driver Module harness connector and ground.

Is the resistance measured within the specified range?

OL

Go to Step 10

Go to Step 16

10

Using a J 39200, measure the voltage between terminal B of the Inverting Driver Module harness connector and ground.

Is the voltage equal to or greater than the specified range?

10 V

Go to Diagnostic Aids

Go to Step 17

11

  1. Inspect the 24-way EBCM harness connector for poor terminal contact or corrosion. Inspect CKT 848 for damage which may result in an open or shorted circuit. Repair damage if evident. Replace terminals if poor contact or corrosion exists.
  2. Reconnect all connectors.
  3. Using the Scan Tool, clear all DTCs.
  4. Test drive the vehicle above 16 km/h (10 mph).

Does DTC C0281 set as a current code?

--

Go to Step 19

Go to Diagnostic Aids

12

Repair open in CKT 470. Refer to Wiring Repairs in Wiring Systems.

Is the repair complete?

--

Go to A Diagnostic System Check

--

13

Repair open in CKT 653. Refer to Wiring Repairs in Wiring Systems.

Is the repair complete?

--

Go to A Diagnostic System Check

--

14

Repair misadjusted or faulty brake switch.

Is the repair complete?

--

Go to A Diagnostic System Check

--

15

Repair open in CKT 848. Refer to Wiring Repairs in Wiring Systems.

Is the repair complete?

--

Go to A Diagnostic System Check

--

16

Repair open in CKT 652. Refer to Wiring Repairs in Wiring Systems.

Is the repair complete?

--

Go to A Diagnostic System Check

--

17

Repair open in CKT 654 or CKT 145. Refer to Wiring Repairs in Wiring Systems.

Is the repair complete?

--

Go to A Diagnostic System Check

--

18

Repair short to ground in CKT 848. Refer to Wiring Repairs in Wiring Systems.

Is the repair complete?

--

Go to A Diagnostic System Check

--

19

Replace the EBCM. Refer to Electronic Brake Control Module (EBCM) Replacement.

Is the repair complete?

--

Go to A Diagnostic System Check

--